Каталог

Ближний Восток

Модель

YARIS/ECHO 4D

VIN

Дата

1999/08

Двигатель

1,3 литра, 16 клапанов, DOHC, EFI

Фрейм

NCP11

КПП

механика

Опции

правый руль GENERAL COUNTRIES

Топливная система TOYOTA YARIS/ECHO 4D







Код

Описание

1603

переход к группе запчастей

1603

переход к группе запчастей

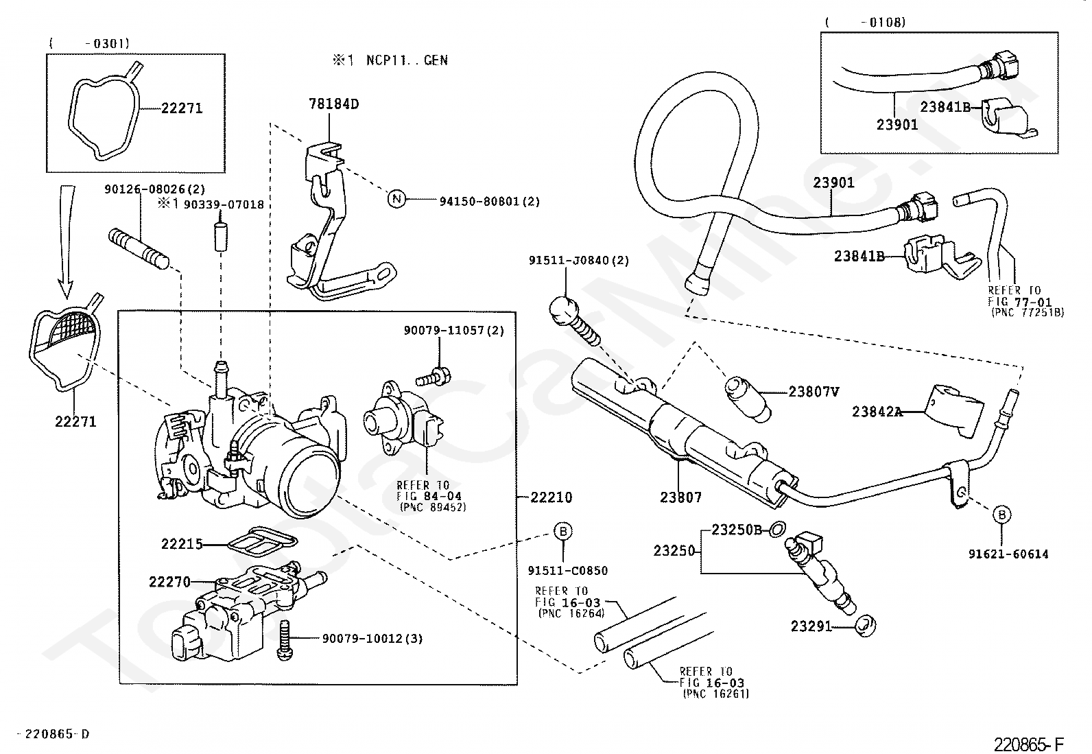
22210

BODY ASSY, THROTTLE

22215

GASKET, THROTTLE BODY COVER

22270

VALVE ASSY, IDLE SPEED CONTROL(FOR THLOTTLE BODY)

22271

GASKET, THROTTLE BODY

22271

GASKET, THROTTLE BODY

23250

INJECTOR ASSY, FUEL

23250B

RING, O(FOR FUEL INJECTOR)

23291

INSULATOR, INJECTOR VIBRATION

23807

PIPE SUB-ASSY, FUEL DELIVERY

23807V

SPACER, NO.1(FOR DELIVERY PIPE)

23841B

CLAMP, FUEL PIPE, NO.1(FOR EFI)

23841B

CLAMP, FUEL PIPE, NO.1(FOR EFI)

23842A

CLAMP, FUEL PIPE, NO.2(FOR EFI)

23901

TUBE SUB-ASSY, FUEL

23901

TUBE SUB-ASSY, FUEL

7701

переход к группе запчастей

78184D

BRACKET, ACCELERATOR CONTROL CABLE

8404

переход к группе запчастей

9007910012

Крепеж

9007911057

Крепеж

9012608026

Крепеж

9033907018

Крепеж

91511C0850

Крепеж

91511J0840

Крепеж

9162160614

Крепеж

9415080801

Крепеж

Код

Описание

23217A

FILTER, FUEL PUMP

23220P

PUMP ASSY, FUEL

23225

SPACER, FUEL PUMP

23229

CLIP(FOR FUEL PUMP FILTER)

23239B

SEAL, FUEL PUMP FILTER

23249

RUBBER, CUSHION(FOR FUEL PUMP)

23280

REGULATOR ASSY, FUEL PRESSURE

23280E

RING, O(FOR FUEL PRESSURE REGULATOR)

23300Z

FILTER, FUEL(FOR FUEL TANK)

7701

переход к группе запчастей

> Запчасти YARIS/ECHO 4D > Поиск по каталогу

Купить

Ваше имя
Ваш телефон
Ваша электронная почта
Оставляя свои данные в форме, вы подтверждаете свое согласие с Политикой конфиденциальности