Каталог

Ближний Восток

Модель

YARIS

VIN

Дата

2020/05

Двигатель

1500CC 12-VALVE DOHC

Класс

N(MODEL MARK)

Фрейм

MXPA10

КПП

механика МКПП, 6 скоростей

Опции

правый руль 5 дверей HIGH EFFICIENCY TWIN CAM Австралия 738W

Проводка TOYOTA YARIS







Код

Описание

82111

WIRE, ENGINE ROOM MAIN

82113

WIRE, ENGINE ROOM, NO.3

82114

WIRE, ENGINE ROOM, NO.4

82821A

COVER, CONNECTOR

8417

переход к группе запчастей

8417

переход к группе запчастей

9011906A07

Крепеж

9011906A07

Крепеж

9011906A07

Крепеж

9011906A07

Крепеж

9011906A07

Крепеж

9011906A07

Крепеж

9011906A39

Крепеж

9167380616

Крепеж

9415180600

Крепеж

Код

Описание

82815A

COVER, WIRING HARNESS PROTECTOR

82815B

COVER, WIRING HARNESS PROTECTOR

82817

PROTECTOR, WIRING HARNESS, NO.1

82817A

PROTECTOR, WIRING HARNESS, NO.2

82817B

PROTECTOR, WIRING HARNESS, NO.3

82817C

PROTECTOR, WIRING HARNESS, NO.4

8401

переход к группе запчастей

8401

переход к группе запчастей

8401

переход к группе запчастей

8401

переход к группе запчастей

8401

переход к группе запчастей

8401

переход к группе запчастей

8401

переход к группе запчастей

8401

переход к группе запчастей

8401

переход к группе запчастей

8401

переход к группе запчастей

9011906A21

Крепеж

9011906A21

Крепеж

Код

Описание

82121

WIRE, ENGINE

82126A

WIRE, ENGINE, NO.6

82219C

WIRE, SENSOR

82821E

COVER, CONNECTOR

82821H

COVER, CONNECTOR

82821N

COVER, CONNECTOR

82821P

COVER, CONNECTOR

82821R

COVER, CONNECTOR

82821U

COVER, CONNECTOR

82821V

COVER, CONNECTOR

82821W

COVER, CONNECTOR

82821X

COVER, CONNECTOR

82821Y

COVER, CONNECTOR

9011906A29

Крепеж

9167180616

Крепеж

9167180820

Крепеж

Код

Описание

82815H

COVER, WIRING HARNESS PROTECTOR NO.6

82815J

COVER, WIRING HARNESS PROTECTOR, NO.7

82815K

COVER, WIRING HARNESS PROTECTOR, NO.8

82815L

COVER, WIRING HARNESS PROTECTOR, NO.9

82815M

COVER, WIRING HARNESS PROTECTOR, NO.10

82815N

COVER, WIRING HARNESS PROTECTOR, NO.11

82815P

COVER, WIRING HARNESS PROTECTOR, NO.12

82815Q

COVER, WIRING HARNESS PROTECTOR, NO.13

82815R

COVER, WIRING HARNESS PROTECTOR, NO.14

82815S

COVER, WIRING HARNESS PROTECTOR, NO.15

82815T

COVER, WIRING HARNESS PROTECTOR, NO.16

82815U

COVER, WIRING HARNESS PROTECTOR, NO.17

82817E

PROTECTOR, WIRING HARNESS, NO.6

82817F

PROTECTOR, WIRING HARNESS, NO.7

82817G

PROTECTOR, WIRING HARNESS, NO.8

82817J

PROTECTOR, WIRING HARNESS, NO.9

82817K

PROTECTOR, WIRING HARNESS, NO.10

82817L

PROTECTOR, WIRING HARNESS, NO.11

82817M

PROTECTOR, WIRING HARNESS, NO.12

82817N

PROTECTOR, WIRING HARNESS, NO.13

82817P

PROTECTOR, WIRING HARNESS, NO.14

82817T

PROTECTOR, WIRING HARNESS, NO.15

82817U

PROTECTOR, WIRING HARNESS, NO.16

82817X

PROTECTOR, WIRING HARNESS, NO.17

82818

PROTECTOR, WIRING HARNESS, NO.2

82818B

PROTECTOR, WIRING HARNESS, NO.3

82823S

CAP, STARTER TERMINAL

82823T

CAP, ALTERNATOR TERMINAL

9167180620

Крепеж

9167180620

Крепеж

9167180620

Крепеж

9167180620

Крепеж

9167180620

Крепеж

9167180620

Крепеж

9167180620

Крепеж

9167180820

Крепеж

9167380630

Крепеж

Код

Описание

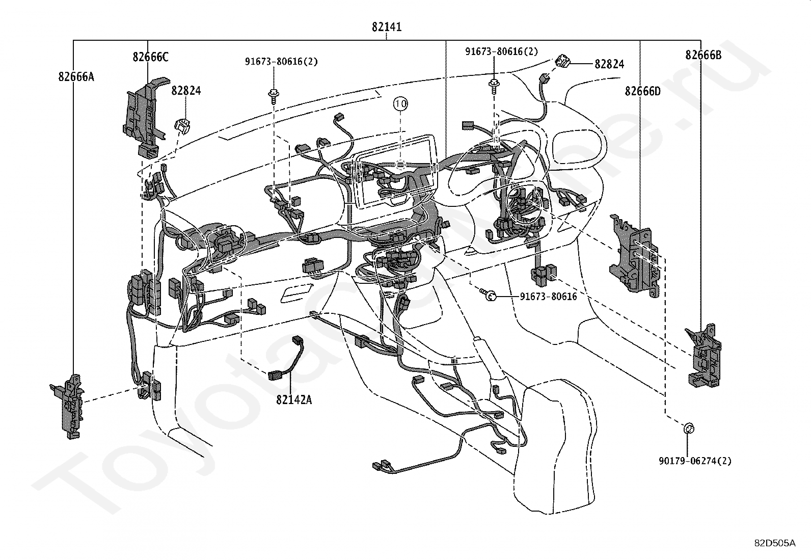
82141

WIRE, INSTRUMENT PANEL

82142A

WIRE, INSTRUMENT PANEL, NO.2

82666A

HOLDER, CONNECTOR NO.2

82666B

HOLDER, CONNECTOR NO.3

82666C

HOLDER, CONNECTOR NO.4

82666D

HOLDER, CONNECTOR NO.5

82824

CONNECTOR, WIRING HARNESS

82824

CONNECTOR, WIRING HARNESS

9017906274

Крепеж

9167380616

Крепеж

9167380616

Крепеж

9167380616

Крепеж

Код

Описание

82151

WIRE, FRONT DOOR, RH

82152

WIRE, FRONT DOOR, LH

82153

WIRE, REAR DOOR, NO.1

82154

WIRE, REAR DOOR, NO.2

82184

WIRE, BACK DOOR, NO.1

82185

WIRE, BACK DOOR, NO.2

Код

Описание

82161

WIRE, FLOOR

82162

WIRE, FLOOR, NO.2

82162B

WIRE, FLOOR, NO.3

82171

WIRE, ROOF, NO.1

82182

WIRE, LUGGAGE ROOM, NO.2

82666G

HOLDER, CONNECTOR NO.8

82666L

HOLDER, CONNECTOR NO.9

8601

переход к группе запчастей

9011906A07

Крепеж

9011906A07

Крепеж

9011906A07

Крепеж

Код

Описание

827111E350

Крепеж

82715K0120

Крепеж

82715K0390

Крепеж

82715K0530

Крепеж

82715K0690

Крепеж

82715K0730

Крепеж

82715K0740

Крепеж

82715K0800

Крепеж

82715K0810

Крепеж

82715K0820

Крепеж

9011906A21

Крепеж

9167180616

Крепеж

9167380616

Крепеж

9167380616

Крепеж

9167380616

Крепеж

9167380616

Крепеж

9167380616

Крепеж

9415180600

Крепеж

Код

Описание

82715F4050

Крепеж

82715K0200

Крепеж

82715K0210

Крепеж

82715K0230

Крепеж

82715K0240

Крепеж

82715K0290

Крепеж

82715K0310

Крепеж

82715K0320

Крепеж

82715K0350

Крепеж

82715K0370

Крепеж

82715K0380

Крепеж

82715K0470

Крепеж

82715K0660

Крепеж

82715K0700

Крепеж

9011906A12

Крепеж

9167180616

Крепеж

9167180616

Крепеж

9167180616

Крепеж

9167180616

Крепеж

9167180616

Крепеж

9167180616

Крепеж

9167180616

Крепеж

9167180616

Крепеж

9167180616

Крепеж

9167180616

Крепеж

9167180616

Крепеж

9167180816

Крепеж

9167180820

Крепеж

Код

Описание

9098010825

Крепеж

9098011016

Крепеж

9098011096

Крепеж

9098011156

Крепеж

9098011436

Крепеж

9098012380

Крепеж

9098012382

Крепеж

9098012490

Крепеж

9098012490

Крепеж

9098012699

Крепеж

9098012C12

Крепеж

9098012C12

Крепеж

9098012C13

Крепеж

9098012C13

Крепеж

9098012C54

Крепеж

9098012C56

Крепеж

9098012E29

Крепеж

9098012E81

Крепеж

9098012E99

Крепеж

Код

Описание

9098010619

Крепеж

9098012520

Крепеж

9098012728

Крепеж

9098012790

Крепеж

9098012A59

Крепеж

9098012B01

Крепеж

9098012C39

Крепеж

> Запчасти YARIS > Поиск по каталогу

Купить

Ваше имя
Ваш телефон
Ваша электронная почта
Оставляя свои данные в форме, вы подтверждаете свое согласие с Политикой конфиденциальности