Каталог

Америка

Модель

TUNDRA

VIN

Дата

2009/04

Двигатель

5,7 литра, 32 клапана, DOHC, EFI

Класс

SR-5 TYPE,GLX TYPE

Фрейм

USK56

КПП

АКПП, 6 скоростей

Опции

DOOR CONTROL BATTERY HIGH EFFICIENCY TWIN CAM S TYPE 456W

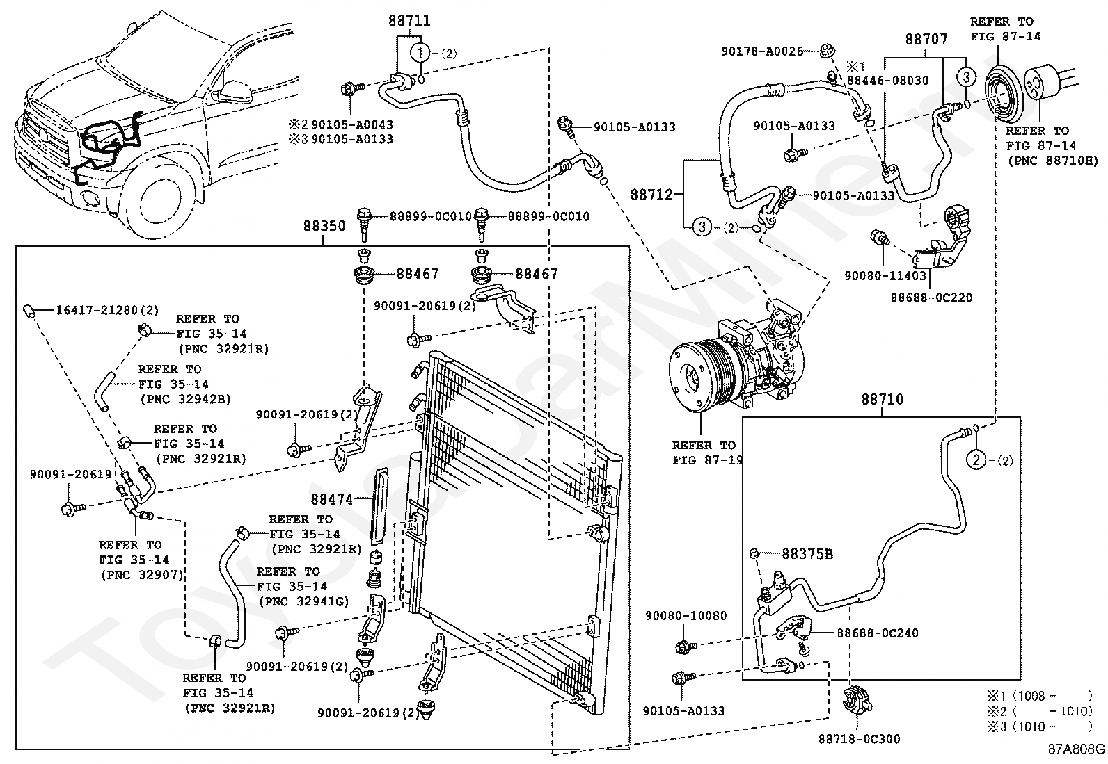
Кондиционер: охлаждающие трубки TOYOTA TUNDRA







Код

Описание

8714

переход к группе запчастей

8714

переход к группе запчастей

8719

переход к группе запчастей

88375B

CAP, SERVICE VALVE, NO.1

8844608030

Крепеж

88460

CONDENSER ASSY, COOLER

88467

CUSHION, COOLER CONDENSER, NO.1

88467

CUSHION, COOLER CONDENSER, NO.1

88467A

CUSHION, COOLER CONDENSER, NO.2

88467A

CUSHION, COOLER CONDENSER, NO.2

88474

DRYER, COOLER

886880C220

Крепеж

886880C240

Крепеж

88707

PIPE SUB-ASSY, SUCTION

88710

TUBE ASSY, AIR CONDITIONER

88711

HOSE, COOLER REFRIGERANT DISCHARGE, NO.1

88712

HOSE, COOLER REFRIGERANT SUCTION, NO.1

887180C300

Крепеж

888990C010

Крепеж

888990C010

Крепеж

9008010080

Крепеж

9008011403

Крепеж

90105A0043

Крепеж

90105A0133

Крепеж

90105A0133

Крепеж

90105A0133

Крепеж

90105A0133

Крепеж

90105A0133

Крепеж

90178A0026

Крепеж

Код

Описание

1641721280

Крепеж

3514

переход к группе запчастей

3514

переход к группе запчастей

3514

переход к группе запчастей

3514

переход к группе запчастей

3514

переход к группе запчастей

3514

переход к группе запчастей

3514

переход к группе запчастей

8714

переход к группе запчастей

8714

переход к группе запчастей

8719

переход к группе запчастей

88350

UNIT ASSY, COOLER

88375B

CAP, SERVICE VALVE, NO.1

8844608030

Крепеж

88467

CUSHION, COOLER CONDENSER, NO.1

88467

CUSHION, COOLER CONDENSER, NO.1

88474

DRYER, COOLER

886880C220

Крепеж

886880C240

Крепеж

88707

PIPE SUB-ASSY, SUCTION

88710

TUBE ASSY, AIR CONDITIONER

88711

HOSE, COOLER REFRIGERANT DISCHARGE, NO.1

88712

HOSE, COOLER REFRIGERANT SUCTION, NO.1

887180C300

Крепеж

888990C010

Крепеж

888990C010

Крепеж

9008010080

Крепеж

9008011403

Крепеж

9009120619

Крепеж

9009120619

Крепеж

9009120619

Крепеж

9009120619

Крепеж

9009120619

Крепеж

90105A0043

Крепеж

90105A0133

Крепеж

90105A0133

Крепеж

90105A0133

Крепеж

90105A0133

Крепеж

90105A0133

Крепеж

90178A0026

Крепеж

Код

Описание

8714

переход к группе запчастей

8714

переход к группе запчастей

8719

переход к группе запчастей

88375B

CAP, SERVICE VALVE, NO.1

88375D

CAP, SERVICE VALVE, NO.2

8844608030

Крепеж

88460

CONDENSER ASSY, COOLER

88467

CUSHION, COOLER CONDENSER, NO.1

88467

CUSHION, COOLER CONDENSER, NO.1

88467A

CUSHION, COOLER CONDENSER, NO.2

88467A

CUSHION, COOLER CONDENSER, NO.2

88474

DRYER, COOLER

886880C230

Крепеж

886880C240

Крепеж

88707

PIPE SUB-ASSY, SUCTION

88710

TUBE ASSY, AIR CONDITIONER

88711

HOSE, COOLER REFRIGERANT DISCHARGE, NO.1

88712

HOSE, COOLER REFRIGERANT SUCTION, NO.1

887180C300

Крепеж

888990C010

Крепеж

888990C010

Крепеж

9008010080

Крепеж

9008011403

Крепеж

90105A0043

Крепеж

90105A0133

Крепеж

90105A0133

Крепеж

90105A0133

Крепеж

90105A0133

Крепеж

90105A0133

Крепеж

90178A0026

Крепеж

Код

Описание

8714

переход к группе запчастей

8714

переход к группе запчастей

8719

переход к группе запчастей

88375B

CAP, SERVICE VALVE, NO.1

88375D

CAP, SERVICE VALVE, NO.2

8844608030

Крепеж

88460

CONDENSER ASSY, COOLER

88467

CUSHION, COOLER CONDENSER, NO.1

88467

CUSHION, COOLER CONDENSER, NO.1

88467A

CUSHION, COOLER CONDENSER, NO.2

88467A

CUSHION, COOLER CONDENSER, NO.2

88474

DRYER, COOLER

886880C230

Крепеж

886880C240

Крепеж

88707

PIPE SUB-ASSY, SUCTION

88710

TUBE ASSY, AIR CONDITIONER

88711

HOSE, COOLER REFRIGERANT DISCHARGE, NO.1

88712

HOSE, COOLER REFRIGERANT SUCTION, NO.1

887180C300

Крепеж

888990C010

Крепеж

888990C010

Крепеж

9008010080

Крепеж

9008011403

Крепеж

90105A0043

Крепеж

90105A0133

Крепеж

90105A0133

Крепеж

90105A0133

Крепеж

90105A0133

Крепеж

90105A0133

Крепеж

90178A0026

Крепеж

Код

Описание

1641721280

Крепеж

3514

переход к группе запчастей

3514

переход к группе запчастей

3514

переход к группе запчастей

3514

переход к группе запчастей

3514

переход к группе запчастей

3514

переход к группе запчастей

3514

переход к группе запчастей

8714

переход к группе запчастей

8714

переход к группе запчастей

8719

переход к группе запчастей

88350

UNIT ASSY, COOLER

88375B

CAP, SERVICE VALVE, NO.1

88375D

CAP, SERVICE VALVE, NO.2

8844608030

Крепеж

88467

CUSHION, COOLER CONDENSER, NO.1

88467

CUSHION, COOLER CONDENSER, NO.1

88474

DRYER, COOLER

886880C230

Крепеж

886880C240

Крепеж

88707

PIPE SUB-ASSY, SUCTION

88710

TUBE ASSY, AIR CONDITIONER

88711

HOSE, COOLER REFRIGERANT DISCHARGE, NO.1

88712

HOSE, COOLER REFRIGERANT SUCTION, NO.1

887180C300

Крепеж

888990C010

Крепеж

888990C010

Крепеж

9008010080

Крепеж

9008011403

Крепеж

9009120619

Крепеж

9009120619

Крепеж

9009120619

Крепеж

9009120619

Крепеж

9009120619

Крепеж

90105A0133

Крепеж

90105A0133

Крепеж

90105A0133

Крепеж

90105A0133

Крепеж

90105A0133

Крепеж

90178A0026

Крепеж

Код

Описание

8714

переход к группе запчастей

8714

переход к группе запчастей

8719

переход к группе запчастей

88374B

VALVE, SERVICE, NO.1

88374C

VALVE, SERVICE, NO.2

88375B

CAP, SERVICE VALVE, NO.1

88375D

CAP, SERVICE VALVE, NO.2

8844608030

Крепеж

8844608030

Крепеж

88460

CONDENSER ASSY, COOLER

88467

CUSHION, COOLER CONDENSER, NO.1

88467

CUSHION, COOLER CONDENSER, NO.1

88467A

CUSHION, COOLER CONDENSER, NO.2

88467A

CUSHION, COOLER CONDENSER, NO.2

88474

DRYER, COOLER

88645H

SWITCH, PRESSURE NO.1

886880C240

Крепеж

886880C260

Крепеж

88710

TUBE ASSY, AIR CONDITIONER

88710E

TUBE & ACCESSORY ASSY, AIR CONDITIONER

88711

HOSE, COOLER REFRIGERANT DISCHARGE, NO.1

88712

HOSE, COOLER REFRIGERANT SUCTION, NO.1

887180C300

Крепеж

887180C380

Крепеж

887180C460

Крепеж

888990C010

Крепеж

888990C010

Крепеж

9006908007

Крепеж

9006908009

Крепеж

9006908011

Крепеж

9008010080

Крепеж

9008011403

Крепеж

9009914122

Крепеж

90105A0133

Крепеж

90105A0133

Крепеж

90105A0133

Крепеж

90105A0133

Крепеж

90105A0133

Крепеж

90178A0026

Крепеж

90178A0026

Крепеж

9338115008

Крепеж

Код

Описание

8714

переход к группе запчастей

8714

переход к группе запчастей

8719

переход к группе запчастей

88374C

VALVE, SERVICE, NO.2

88375D

CAP, SERVICE VALVE, NO.2

8844608030

Крепеж

8844608030

Крепеж

88460

CONDENSER ASSY, COOLER

88463C

BRACKET, COOLER CONDENSER, NO.4

88467

CUSHION, COOLER CONDENSER, NO.1

88467

CUSHION, COOLER CONDENSER, NO.1

88467A

CUSHION, COOLER CONDENSER, NO.2

88467A

CUSHION, COOLER CONDENSER, NO.2

88474

DRYER, COOLER

886880C260

Крепеж

88710

TUBE ASSY, AIR CONDITIONER

88710E

TUBE & ACCESSORY ASSY, AIR CONDITIONER

88711

HOSE, COOLER REFRIGERANT DISCHARGE, NO.1

88712

HOSE, COOLER REFRIGERANT SUCTION, NO.1

887180C300

Крепеж

887180C380

Крепеж

887180C460

Крепеж

888990C010

Крепеж

888990C010

Крепеж

9006908009

Крепеж

9006908011

Крепеж

9008010080

Крепеж

9008011403

Крепеж

90105A0133

Крепеж

90105A0133

Крепеж

90105A0133

Крепеж

90105A0133

Крепеж

90105A0133

Крепеж

90178A0026

Крепеж

90178A0026

Крепеж

Код

Описание

8714

переход к группе запчастей

8714

переход к группе запчастей

8719

переход к группе запчастей

88374C

VALVE, SERVICE, NO.2

88375B

CAP, SERVICE VALVE, NO.1

88375D

CAP, SERVICE VALVE, NO.2

8844608030

Крепеж

88460

CONDENSER ASSY, COOLER

88467

CUSHION, COOLER CONDENSER, NO.1

88467

CUSHION, COOLER CONDENSER, NO.1

88467A

CUSHION, COOLER CONDENSER, NO.2

88467A

CUSHION, COOLER CONDENSER, NO.2

88474

DRYER, COOLER

886880C230

Крепеж

886880C240

Крепеж

88707

PIPE SUB-ASSY, SUCTION

88710

TUBE ASSY, AIR CONDITIONER

88711

HOSE, COOLER REFRIGERANT DISCHARGE, NO.1

88712

HOSE, COOLER REFRIGERANT SUCTION, NO.1

887180C300

Крепеж

888990C010

Крепеж

888990C010

Крепеж

9006908007

Крепеж

9006908009

Крепеж

9006908011

Крепеж

9008010080

Крепеж

9008011403

Крепеж

90105A0133

Крепеж

90105A0133

Крепеж

90105A0133

Крепеж

90105A0133

Крепеж

90105A0133

Крепеж

90178A0026

Крепеж

Код

Описание

8714

переход к группе запчастей

8714

переход к группе запчастей

8719

переход к группе запчастей

88374C

VALVE, SERVICE, NO.2

88375D

CAP, SERVICE VALVE, NO.2

8844608030

Крепеж

88460

CONDENSER ASSY, COOLER

88463C

BRACKET, COOLER CONDENSER, NO.4

88467

CUSHION, COOLER CONDENSER, NO.1

88467

CUSHION, COOLER CONDENSER, NO.1

88467A

CUSHION, COOLER CONDENSER, NO.2

88467A

CUSHION, COOLER CONDENSER, NO.2

88474

DRYER, COOLER

886880C230

Крепеж

88707

PIPE SUB-ASSY, SUCTION

88710

TUBE ASSY, AIR CONDITIONER

88711

HOSE, COOLER REFRIGERANT DISCHARGE, NO.1

88712

HOSE, COOLER REFRIGERANT SUCTION, NO.1

887180C300

Крепеж

888990C010

Крепеж

888990C010

Крепеж

9006908009

Крепеж

9008010080

Крепеж

9008011403

Крепеж

90105A0133

Крепеж

90105A0133

Крепеж

90105A0133

Крепеж

90105A0133

Крепеж

90105A0133

Крепеж

90178A0026

Крепеж

Код

Описание

1641721280

Крепеж

3514

переход к группе запчастей

3514

переход к группе запчастей

3514

переход к группе запчастей

3514

переход к группе запчастей

3514

переход к группе запчастей

3514

переход к группе запчастей

3514

переход к группе запчастей

8714

переход к группе запчастей

8714

переход к группе запчастей

8719

переход к группе запчастей

88350

UNIT ASSY, COOLER

88374C

VALVE, SERVICE, NO.2

88375B

CAP, SERVICE VALVE, NO.1

88375D

CAP, SERVICE VALVE, NO.2

8844608030

Крепеж

88467

CUSHION, COOLER CONDENSER, NO.1

88467

CUSHION, COOLER CONDENSER, NO.1

88474

DRYER, COOLER

886880C230

Крепеж

886880C240

Крепеж

88707

PIPE SUB-ASSY, SUCTION

88710

TUBE ASSY, AIR CONDITIONER

88711

HOSE, COOLER REFRIGERANT DISCHARGE, NO.1

88712

HOSE, COOLER REFRIGERANT SUCTION, NO.1

887180C300

Крепеж

888990C010

Крепеж

888990C010

Крепеж

9006908007

Крепеж

9006908009

Крепеж

9006908011

Крепеж

9008010080

Крепеж

9008011403

Крепеж

9009120619

Крепеж

9009120619

Крепеж

9009120619

Крепеж

9009120619

Крепеж

9009120619

Крепеж

90105A0133

Крепеж

90105A0133

Крепеж

90105A0133

Крепеж

90105A0133

Крепеж

90105A0133

Крепеж

90178A0026

Крепеж

Код

Описание

8714

переход к группе запчастей

8714

переход к группе запчастей

8719

переход к группе запчастей

88374C

VALVE, SERVICE, NO.2

88375B

CAP, SERVICE VALVE, NO.1

88375D

CAP, SERVICE VALVE, NO.2

8844608030

Крепеж

88460

CONDENSER ASSY, COOLER

88467

CUSHION, COOLER CONDENSER, NO.1

88467

CUSHION, COOLER CONDENSER, NO.1

88467A

CUSHION, COOLER CONDENSER, NO.2

88467A

CUSHION, COOLER CONDENSER, NO.2

88474

DRYER, COOLER

886880C230

Крепеж

886880C240

Крепеж

88707

PIPE SUB-ASSY, SUCTION

88710

TUBE ASSY, AIR CONDITIONER

88711

HOSE, COOLER REFRIGERANT DISCHARGE, NO.1

88712

HOSE, COOLER REFRIGERANT SUCTION, NO.1

887180C300

Крепеж

888990C010

Крепеж

9006908007

Крепеж

9006908009

Крепеж

9006908011

Крепеж

9008010080

Крепеж

9008011403

Крепеж

90105A0133

Крепеж

90105A0133

Крепеж

90105A0133

Крепеж

90105A0133

Крепеж

90105A0133

Крепеж

90178A0026

Крепеж

Код

Описание

8714

переход к группе запчастей

8714

переход к группе запчастей

8719

переход к группе запчастей

88374C

VALVE, SERVICE, NO.2

88375D

CAP, SERVICE VALVE, NO.2

8844608030

Крепеж

88460

CONDENSER ASSY, COOLER

88463C

BRACKET, COOLER CONDENSER, NO.4

88467

CUSHION, COOLER CONDENSER, NO.1

88467

CUSHION, COOLER CONDENSER, NO.1

88467A

CUSHION, COOLER CONDENSER, NO.2

88467A

CUSHION, COOLER CONDENSER, NO.2

88474

DRYER, COOLER

886880C230

Крепеж

88707

PIPE SUB-ASSY, SUCTION

88710

TUBE ASSY, AIR CONDITIONER

88711

HOSE, COOLER REFRIGERANT DISCHARGE, NO.1

88712

HOSE, COOLER REFRIGERANT SUCTION, NO.1

887180C300

Крепеж

888990C010

Крепеж

9006908009

Крепеж

9008010080

Крепеж

9008011403

Крепеж

90105A0133

Крепеж

90105A0133

Крепеж

90105A0133

Крепеж

90105A0133

Крепеж

90105A0133

Крепеж

90178A0026

Крепеж

Код

Описание

9006908007

Крепеж

9006908009

Крепеж

9006908011

Крепеж

> Запчасти TUNDRA > Поиск по каталогу

Купить

Ваше имя
Ваш телефон
Ваша электронная почта
Оставляя свои данные в форме, вы подтверждаете свое согласие с Политикой конфиденциальности