Каталог

Европа

Модель

TOYOACE

VIN

Дата

1983/08

Двигатель

2,4 литра, дизель

Кузов

DOUBLE CAB TRUCK

Фрейм

LY31

КПП

МКПП, 5 скоростей, на руле

Опции

правый руль SINGAPORE TAXI ENGINE NO.=0XXXXXX-5XXXXXX COMPLETED VEHICLE Австралия

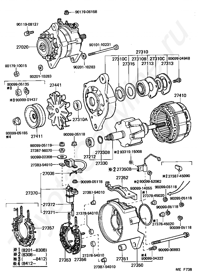
Генератор TOYOTA TOYOACE




Код

Описание

27020

ALTERNATOR ASSY

27036

TERMINAL SUB-ASSY, LEAD WIRE, ALTERNATOR

27113

PLATE, BEARING RETAINER, ALTERNATOR

27212

RING, SPACE(FOR ALTERNATOR ROTOR)

27310

FRAME ASSY, DRIVE END, ALTERNATOR

27310A

COLLAR OR NUT(FOR ALTERNATOR DRIVE END FRAME)

27310B

BEARING(FOR ALTERNATOR DRIVE END FRAME)

27310C

FELT(FOR ALTERNATOR DRIVE END FRAME)

27310C

FELT(FOR ALTERNATOR DRIVE END FRAME)

27313

COVER, ALTERNATOR FELT, INNER NO.2

27315

COVER, ALTERNATOR FELT, INNER NO.1

27330

ROTOR ASSY, ALTERNATOR

27330B

RING, SNAP(FOR ALTERNATOR ROTOR)

27350

FRAME ASSY, RECTIFIER END

27350B

CONDENSER, ALTERNATOR

27351

BUSH(FOR ALTERNATOR RECTIFIER END FRAME)

27352

COVER, FRAME BRUSH

27353

HOLDER, W/RECTIFIER POSITIVE, ALTERNATOR

27356

HOLDER, W/RECTIFIER NEGATIVE, ALTERNATOR

27357

HOLDER, ALTERNATOR, W/RECTIFIER

27370

HOLDER ASSY, ALTERNATOR BRUSH

27371

BRUSH, ALTERNATOR

27372

SPRING, ALTERNATOR BRUSH

2737845020

Крепеж

2737845020

Крепеж

2737854010

Крепеж

2737854010

Крепеж

2738354010

Крепеж

2738745090

Крепеж

2738754010

Крепеж

2738754010

Крепеж

2738756070

Крепеж

27410

STATOR ASSY, ALTERNATOR

27411

PULLEY, ALTERNATOR

27441

FAN, ALTERNATOR

9009900893

Крепеж

9009901437

Крепеж

9009902208

Крепеж

9009904322

Крепеж

9009904948

Крепеж

9009905118

Крепеж

9009905118

Крепеж

9009905118

Крепеж

9009905118

Крепеж

9009905118

Крепеж

9009905118

Крепеж

9009905119

Крепеж

9009905135

Крепеж

9009905185

Крепеж

9009914055

Крепеж

9009952082

Крепеж

9010110231

Крепеж

9011908127

Крепеж

9017906158

Крепеж

9017910015

Крепеж

9020110283

Крепеж

9020110283

Крепеж

9331915008

Крепеж

> Запчасти TOYOACE > Поиск по каталогу

Купить

Ваше имя
Ваш телефон
Ваша электронная почта
Оставляя свои данные в форме, вы подтверждаете свое согласие с Политикой конфиденциальности