Каталог

Европа

Модель

TOYOACE

VIN

Дата

1983/08

Двигатель

2,4 литра, дизель

Кузов

DOUBLE CAB TRUCK

Фрейм

LY31

КПП

МКПП, 5 скоростей, на руле

Опции

правый руль SINGAPORE TAXI ENGINE NO.=0XXXXXX-5XXXXXX COMPLETED VEHICLE Австралия

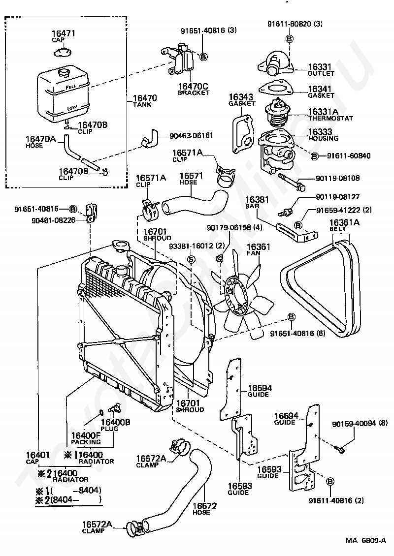
Радиатор и шланги TOYOTA TOYOACE




Код

Описание

16331

OUTLET, WATER

16331A

THERMOSTAT

16333

HOUSING, WATER OUTLET

16341

GASKET, WATER OUTLET

16343

GASKET, WATER OUTLET HOUSING

16361

FAN

16361A

BELT, V(FOR FAN & ALTERNATOR)

16381

BAR, FAN BELT ADJUSTING

16400

RADIATOR ASSY

16400

RADIATOR ASSY

16400B

PLUG, RADIATOR DRAIN COCK

16400F

PACKING(FOR RADIATOR DRAIN COCK)

16401

CAP SUB-ASSY, RADIATOR

16470

TANK ASSY, RADIATOR RESERVE

16470A

HOSE OR PIPE(FOR RADIATOR RESERVE TANK)

16470B

CLAMP OR CLIP(FOR RADIATOR RESERVE TANK HOSE)

16470B

CLAMP OR CLIP(FOR RADIATOR RESERVE TANK HOSE)

16470C

BRACKET(FOR RADIATOR RESERVE TANK)

16471

CAP SUB-ASSY, RESERVE TANK

16571

HOSE, RADIATOR, INLET

16571A

CLAMP OR CLIP, HOSE(FOR RADIATOR INLET)

16571A

CLAMP OR CLIP, HOSE(FOR RADIATOR INLET)

16572

HOSE, RADIATOR, OUTLET

16572A

CLAMP OR CLIP, HOSE(FOR RADIATOR OUTLET NO.1)

16572A

CLAMP OR CLIP, HOSE(FOR RADIATOR OUTLET NO.1)

16593

GUIDE, RADIATOR AIR, NO.1

16593

GUIDE, RADIATOR AIR, NO.1

16594

GUIDE, RADIATOR AIR, NO.2

16594

GUIDE, RADIATOR AIR, NO.2

16701

SHROUD SUB-ASSY, FAN

16701

SHROUD SUB-ASSY, FAN

9011908108

Крепеж

9011908127

Крепеж

9015940094

Крепеж

9017906158

Крепеж

9046108226

Крепеж

9046306161

Крепеж

9161140816

Крепеж

9161160820

Крепеж

9161160840

Крепеж

9165140816

Крепеж

9165140816

Крепеж

9165140816

Крепеж

9165941222

Крепеж

9338116012

Крепеж

> Запчасти TOYOACE > Поиск по каталогу

Купить

Ваше имя
Ваш телефон
Ваша электронная почта
Оставляя свои данные в форме, вы подтверждаете свое согласие с Политикой конфиденциальности