Каталог

Ближний Восток

Модель

TERCEL

VIN

Дата

1979/01

Двигатель

1,3 литра

Кузов

4 двери

Класс

DELUX SPECIFICATION

Фрейм

AL11

КПП

механика МКПП, 4 ступени

Опции

левый руль GENERAL COUNTRIES

Кондиционер: охлаждающая система TOYOTA TERCEL




Код

Описание

8401

переход к группе запчастей

8712

переход к группе запчастей

8712

переход к группе запчастей

8715

переход к группе запчастей

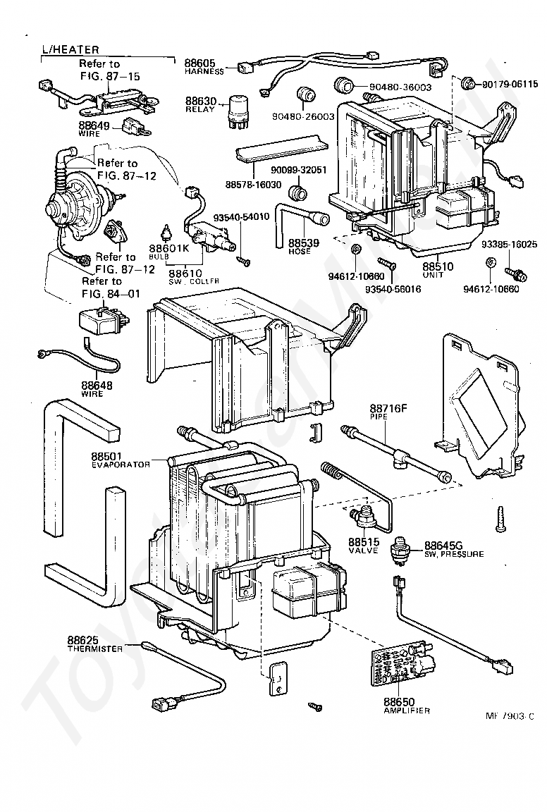
88501

EVAPORATOR SUB-ASSY, COOLER, NO.1

88510

UNIT ASSY, COOLER

88515

VALVE, COOLER EXPANSION

88539

HOSE, COOLER UNIT DRAIN, NO.1

8857816030

Крепеж

88601K

BULB(FOR COOLER SWITCH)

88605

HARNESS SUB-ASSY, COOLER WIRING, NO.1

88610

SWITCH ASSY, COOLER CONTROL

88625

THERMISTOR, COOLER, NO.1

88630

RELAY ASSY, COOLER

88645G

SWITCH, PRESSURE

88648

WIRING, COOLER, NO.1

88649

WIRING, COOLER, NO.2

88650

AMPLIFIER ASSY, COOLER STABILIZER

88716F

PIPE, COOLER REFRIGERANT LIQUID, F

9009932051

Крепеж

9017906115

Крепеж

9048026003

Крепеж

9048036003

Крепеж

9338516025

Крепеж

9354054010

Крепеж

9354056016

Крепеж

9461210660

Крепеж

9461210660

Крепеж

> Запчасти TERCEL > Поиск по каталогу

Купить

Ваше имя
Ваш телефон
Ваша электронная почта
Оставляя свои данные в форме, вы подтверждаете свое согласие с Политикой конфиденциальности