Каталог

Европа

Модель

STOUT

VIN

Дата

1979/03

Двигатель

2 литра

Кузов

DOUBLE CAB TRUCK

Фрейм

RK110

КПП

МКПП, 4 ступени

Опции

правый руль GENERAL COUNTRIES COMPLETED VEHICLE

Реле и кнопки TOYOTA STOUT







Код

Описание

27700

REGULATOR ASSY, GENERATOR

4702

переход к группе запчастей

83391

SWITCH, VACUUM

83399

BRACKET, VACUUM SWITCH

83420

GAGE ASSY, WATER TEMPERATURE SENDER

83530

SWITCH ASSY, OIL PRESSURE (FOR ENGINE)

84210

SWITCH ASSY, BACK-UP LAMP

8601

переход к группе запчастей

9011908063

Крепеж

9011908063

Крепеж

9046106123

Крепеж

Код

Описание

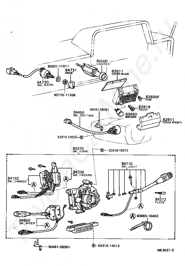
82600F

FUSE, FUSE BLOCK

82611

COVER, FUSE BLOCK

82611

COVER, FUSE BLOCK

84110

SWITCH ASSY, LIGHT CONTROL, NO.1

84140

SWITCH ASSY, HEADLAMP DIMMER

84310

SWITCH ASSY, TURN SIGNAL

84312

PLATE, HORN CONTACT

84330

SWITCH ASSY, HAZARD WARNING SIGNAL

84450

SWITCH ASSY, IGNITION OR STARTER

84650

SWITCH ASSY, WINDSHIELD WIPER

84730

SWITCH ASSY, HEATER BLOWER

85500

LIGHTER ASSY, CIGARETTE

8715

переход к группе запчастей

9046108361

Крепеж

9046315402

Крепеж

9331514012

Крепеж

9331913012

Крепеж

9331915012

Крепеж

9354054014

Крепеж

Код

Описание

82600F

FUSE, FUSE BLOCK

82611

COVER, FUSE BLOCK

82611

COVER, FUSE BLOCK

82616

PULLER, FUSE

82650

BREAKER ASSY, WIRING CIRCUIT, NO.1

84110

SWITCH ASSY, LIGHT CONTROL, NO.1

84140

SWITCH ASSY, HEADLAMP DIMMER

84310

SWITCH ASSY, TURN SIGNAL

84312

PLATE, HORN CONTACT

84330

SWITCH ASSY, HAZARD WARNING SIGNAL

84450

SWITCH ASSY, IGNITION OR STARTER

84650

SWITCH ASSY, WINDSHIELD WIPER

84730

SWITCH ASSY, HEATER BLOWER

84731

KNOB, HEATER BLOWER SWITCH

85500

LIGHTER ASSY, CIGARETTE

9017011206

Крепеж

9020111011

Крепеж

9046108361

Крепеж

9046108361

Крепеж

9046315402

Крепеж

9331514012

Крепеж

9331913012

Крепеж

9331915012

Крепеж

Код

Описание

28371A

RELAY, BULB CHECK

81908

BRACKET SUB-ASSY, FLASHER

81980

FLASHER ASSY, TURN SIGNAL

81980

FLASHER ASSY, TURN SIGNAL

82661

COVER, RELAY BLOCK, NO.1

83320

GAGE ASSY, FUEL SENDER

83361

GASKET, FUEL SENDER GAGE

84231

SWITCH ASSY, COURTESY LAMP (FOR PARKING BRAKE)

84233

SWITCH ASSY, COURTESY LAMP (FOR FRONT DOOR)

84234

SWITCH ASSY, COURTESY LAMP (FOR REAR DOOR)

84340

SWITCH ASSY, STOP LAMP

85910C

RELAY ASSY (FOR HEATER BLOWER MOTOR)

85910C

RELAY ASSY (FOR HEATER BLOWER MOTOR)

85910C

RELAY ASSY (FOR HEATER BLOWER MOTOR)

85916

RELAY, LIGHT CONTROL

85916

RELAY, LIGHT CONTROL

85916

RELAY, LIGHT CONTROL

85916

RELAY, LIGHT CONTROL

85999A

BRACKET, RELAY, NO.2

85999A

BRACKET, RELAY, NO.2

86651

BUZZER ASSY, BACK

89550

COMPUTER ASSY, EMISSION CONTROL

9020109011

Крепеж

9020109011

Крепеж

9161140816

Крепеж

9165640616

Крепеж

9165640616

Крепеж

9165640616

Крепеж

9165640616

Крепеж

9165640616

Крепеж

9331914010

Крепеж

9411040800

Крепеж

9412040800

Крепеж

9461111001

Крепеж

9461111001

Крепеж

> Запчасти STOUT > Поиск по каталогу

Купить

Ваше имя
Ваш телефон
Ваша электронная почта
Оставляя свои данные в форме, вы подтверждаете свое согласие с Политикой конфиденциальности