Каталог

Европа

Модель

STARLET

VIN

Дата

1982/08

Двигатель

1,3 литра

Кузов

седан

Класс

STANDARD TYPE

Фрейм

KP61

КПП

механика МКПП, 4 ступени

Опции

правый руль 5 дверей GENERAL COUNTRIES

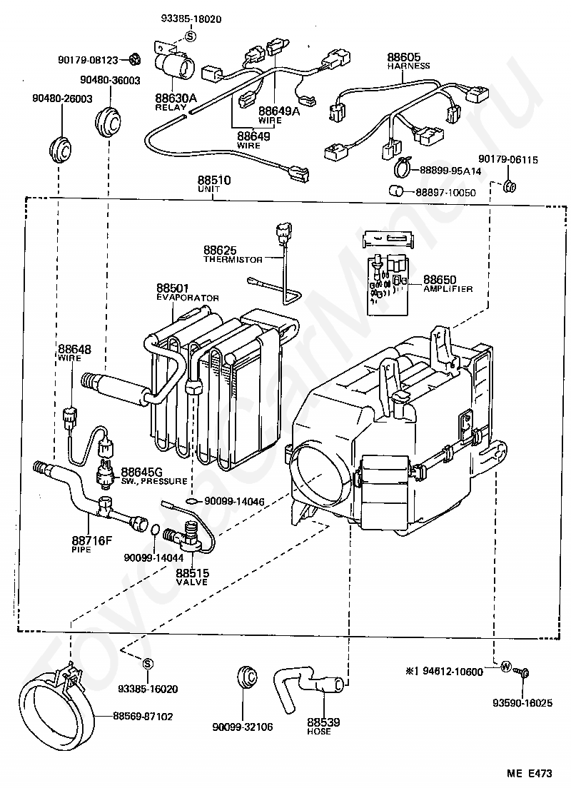
Кондиционер: охлаждающая система TOYOTA STARLET




Код

Описание

88501

EVAPORATOR SUB-ASSY, COOLER, NO.1

88510

UNIT ASSY, COOLER

88515

VALVE, COOLER EXPANSION

88539

HOSE, COOLER UNIT DRAIN, NO.1

8856987102

Крепеж

88605

HARNESS SUB-ASSY, COOLER WIRING, NO.1

88625

THERMISTOR, COOLER, NO.1

88630A

RELAY ASSY, COOLER

88645G

SWITCH, PRESSURE

88648

WIRING, COOLER, NO.1

88649

WIRING, COOLER, NO.2

88649A

WIRING, COOLER, NO.3

88650

AMPLIFIER ASSY, COOLER STABILIZER

88716F

PIPE, COOLER REFRIGERANT LIQUID, F

8889710050

Крепеж

8889995A14

Крепеж

9009914044

Крепеж

9009914046

Крепеж

9009932106

Крепеж

9017906115

Крепеж

9017908123

Крепеж

9048026003

Крепеж

9048036003

Крепеж

9338516020

Крепеж

9338518020

Крепеж

9359016025

Крепеж

9461210600

Крепеж

> Запчасти STARLET > Поиск по каталогу

Купить

Ваше имя
Ваш телефон
Ваша электронная почта
Оставляя свои данные в форме, вы подтверждаете свое согласие с Политикой конфиденциальности