Каталог

Европа

Модель

STARLET

VIN

Дата

1985/12

Двигатель

1 литр

Класс

XL SPECIFICATION

Фрейм

EP70

КПП

механика МКПП, 5 скоростей

Опции

левый руль 3 двери ФРГ

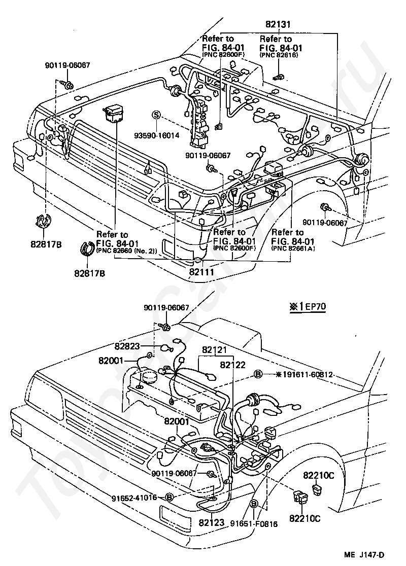
Проводка TOYOTA STARLET







Код

Описание

82001

CABLE, BOND, NO.1

82001

CABLE, BOND, NO.1

82111

WIRE, ENGINE ROOM MAIN

82121

WIRE, ENGINE

82122

WIRE, ENGINE, NO.2

82123

WIRE, ENGINE, NO.3

82131

WIRE, COWL

82210C

FUSIBLE LINK

82210C

FUSIBLE LINK

82817B

PROTECTOR, WIRING HARNESS, NO.3

82817B

PROTECTOR, WIRING HARNESS, NO.3

82823

CAP, TERMINAL, NO.1

8401

переход к группе запчастей

8401

переход к группе запчастей

8401

переход к группе запчастей

8401

переход к группе запчастей

8401

переход к группе запчастей

9011906067

Крепеж

9011906067

Крепеж

9011906067

Крепеж

9011906067

Крепеж

9011906067

Крепеж

9161160812

Крепеж

91651F0816

Крепеж

9165241016

Крепеж

9359016014

Крепеж

Код

Описание

82001

CABLE, BOND, NO.1

82001

CABLE, BOND, NO.1

82111

WIRE, ENGINE ROOM MAIN

82121

WIRE, ENGINE

82122

WIRE, ENGINE, NO.2

82123

WIRE, ENGINE, NO.3

82131

WIRE, COWL

82210C

FUSIBLE LINK

82210C

FUSIBLE LINK

82817B

PROTECTOR, WIRING HARNESS, NO.3

82817B

PROTECTOR, WIRING HARNESS, NO.3

82823

CAP, TERMINAL, NO.1

8401

переход к группе запчастей

8401

переход к группе запчастей

8401

переход к группе запчастей

8401

переход к группе запчастей

8401

переход к группе запчастей

9011906067

Крепеж

9011906067

Крепеж

9011906067

Крепеж

9011906067

Крепеж

9011906067

Крепеж

9161160812

Крепеж

91651F0816

Крепеж

9165241016

Крепеж

9359016014

Крепеж

Код

Описание

82161

WIRE, FLOOR

82162

WIRE, FLOOR, NO.2

82163

WIRE, FLOOR, NO.3

82171

WIRE, ROOF, NO.1

82184

WIRE, BACK DOOR, NO.1

82186

WIRE, REAR WINDOW, NO.1

82187

WIRE, REAR WINDOW, NO.2

82817

PROTECTOR, WIRING HARNESS, NO.1

82817A

PROTECTOR, WIRING HARNESS, NO.2

9011906067

Крепеж

9011906067

Крепеж

9011906067

Крепеж

Код

Описание

8271110080

Крепеж

8271110180

Крепеж

8271110190

Крепеж

8271110210

Крепеж

8271110250

Крепеж

8271110260

Крепеж

8271110290

Крепеж

8271110320

Крепеж

8271112200

Крепеж

8271112290

Крепеж

8271112320

Крепеж

8271112590

Крепеж

8271114110

Крепеж

8271114570

Крепеж

8271114640

Крепеж

8271116450

Крепеж

8271124010

Крепеж

8271130070

Крепеж

8271130130

Крепеж

8271130550

Крепеж

9046310335

Крепеж

9046312570

Крепеж

9046400161

Крепеж

9046400166

Крепеж

9048026043

Крепеж

Код

Описание

8271116470

Крепеж

Код

Описание

82981

WIRE, HEADLAMP REPAIR

8298122010

Крепеж

82982

WIRE, CLEARANCE LAMP REPAIR

82983

WIRE, FRONT TURN SIGNAL LAMP REPAIR

8298322040

Крепеж

82984

WIRE, HORN REPAIR

8298422020

Крепеж

82985

WIRE, SIDE TURN SIGNAL LAMP REPAIR

8298512010

Крепеж

8298516010

Крепеж

> Запчасти STARLET > Поиск по каталогу

Купить

Ваше имя
Ваш телефон
Ваша электронная почта
Оставляя свои данные в форме, вы подтверждаете свое согласие с Политикой конфиденциальности