Каталог

Япония

Модель

SPRINTER

VIN

Дата

1979/10

Двигатель

1,5 литра

Кузов

седан

Класс

SE TYPE

Фрейм

AE70

КПП

автомат АКПП, 3 ступени

Опции

4 двери

Коробка АКП TOYOTA SPRINTER




Код

Описание

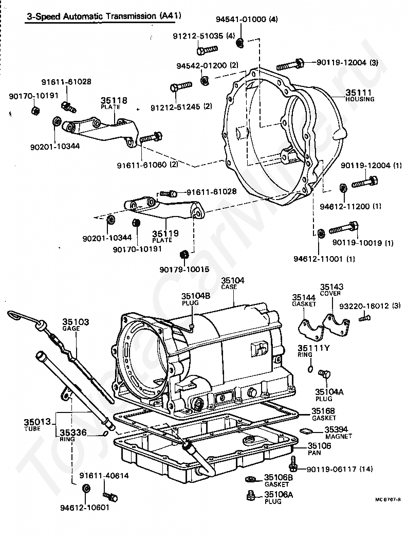
35013

TUBE SUB-ASSY, TRANSMISSION OIL FILLER

35103

GAGE SUB-ASSY, TRANSMISSION OIL LEVEL

35104

CASE SUB-ASSY, AUTOMATIC TRANSMISSION

35104A

PLUG, AUTOMATIC TRANSMISSION CASE

35104B

PLUG, BREATHER, NO.1 (ATM)

35106

PAN SUB-ASSY, AUTOMATIC TRANSMISSION OIL

35106A

PLUG SUB-ASSY, DRAIN (ATM)

35106B

GASKET, DRAIN PLUG (ATM)

35111

HOUSING, AUTOMATIC TRANSMISSION

35111Y

RING, O (FOR AUTOMATIC TRANSMISSION CASE)

35118

PLATE, STIFENER, RH (ATM)

35119

PLATE, STIFENER, LH (ATM)

35143

COVER, TRANSMISSION CASE, REAR

35144

GASKET, TRANSMISSION CASE REAR COVER

35168

GASKET, AUTOMATIC TRANSMISSION OIL PAN

35336

RING, O (FOR TRANSMISSION OIL FILLER TUBE)

35394

MAGNET, OIL CLEANER (FOR TRANSMISSION)

9011906117

Крепеж

9011910019

Крепеж

9011912004

Крепеж

9011912004

Крепеж

9017010191

Крепеж

9017010191

Крепеж

9017910015

Крепеж

9020110344

Крепеж

9020110344

Крепеж

9121251035

Крепеж

9121251245

Крепеж

9161140614

Крепеж

9161161028

Крепеж

9161161028

Крепеж

9161161060

Крепеж

9322016012

Крепеж

9454101000

Крепеж

9454201200

Крепеж

9461210601

Крепеж

9461211001

Крепеж

9461211200

Крепеж

> Запчасти SPRINTER > Поиск по каталогу

Купить

Ваше имя
Ваш телефон
Ваша электронная почта
Оставляя свои данные в форме, вы подтверждаете свое согласие с Политикой конфиденциальности