Каталог

Япония

Модель

SPRINTER

VIN

Дата

1979/10

Двигатель

1,5 литра

Кузов

седан

Класс

SE TYPE

Фрейм

AE70

КПП

автомат АКПП, 3 ступени

Опции

4 двери

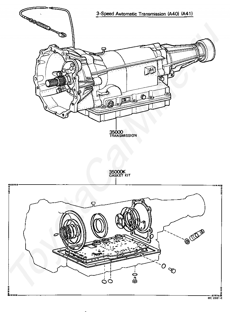
TRANSAXLE OR TRANSMISSION ASSY & GASKET KIT (ATM) TOYOTA SPRINTER







Код

Описание

35000

TRANSMISSION ASSY, AUTOMATIC

35000K

GASKET KIT, AUTOMATIC TRANSMISSION OVERHAUL

Код

Описание

35000

TRANSMISSION ASSY, AUTOMATIC

35000K

GASKET KIT, AUTOMATIC TRANSMISSION OVERHAUL

> Запчасти SPRINTER > Поиск по каталогу

Купить

Ваше имя
Ваш телефон
Ваша электронная почта
Оставляя свои данные в форме, вы подтверждаете свое согласие с Политикой конфиденциальности