Каталог

Европа

Модель

RAV4

VIN

Дата

2000/08

Двигатель

2 литра, 16 клапанов DOHC, EFI

Фрейм

ACA21

КПП

автомат

Опции

правый руль GENERAL COUNTRIES

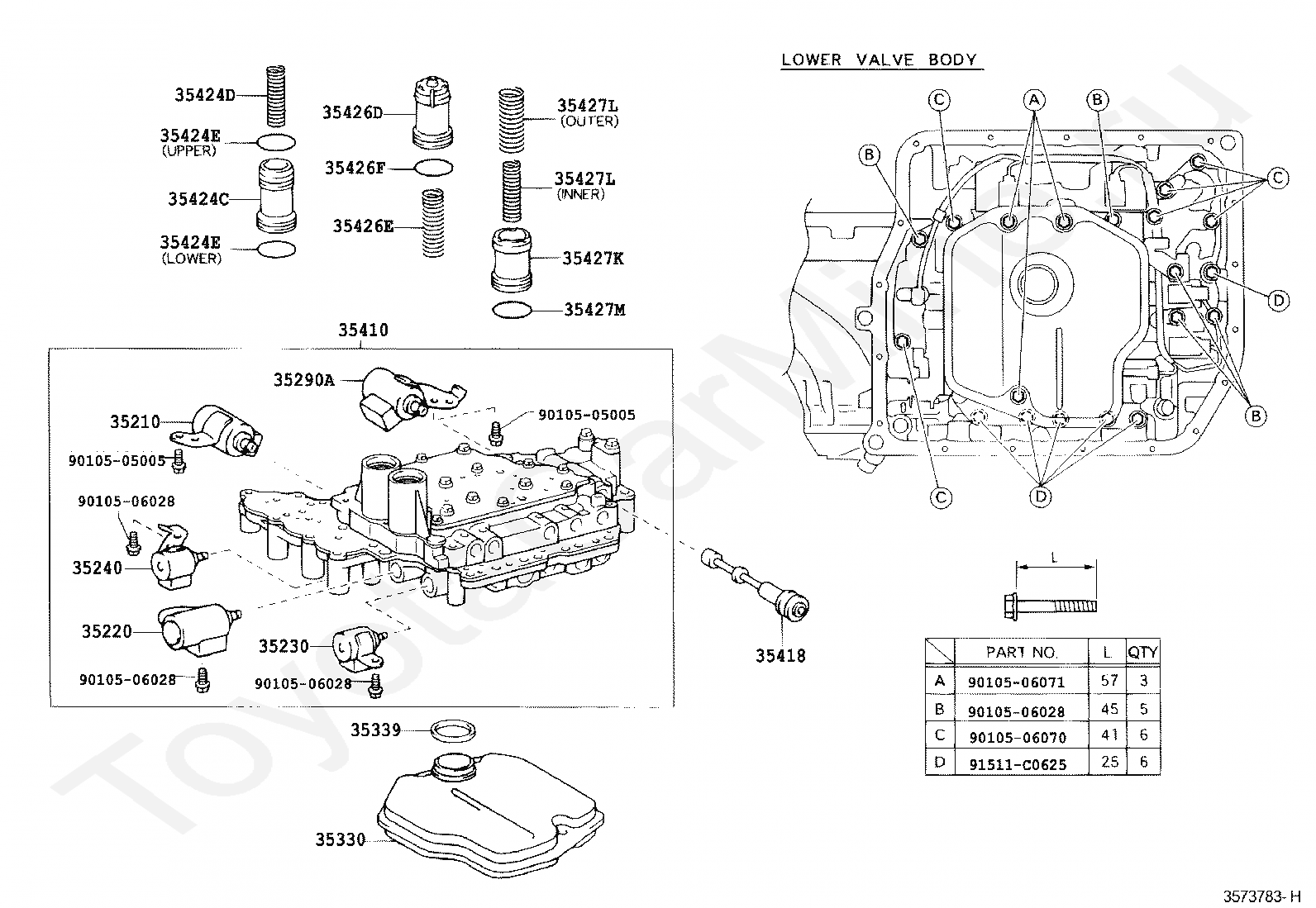
VALVE BODY & OIL STRAINER (ATM) TOYOTA RAV4







Код

Описание

35210

SOLENOID ASSY, CLUTCH CONTROL, NO.1

35220

SOLENOID ASSY, CLUTCH CONTROL, NO.2

35230

SOLENOID ASSY, TRANSMISSION 3WAY, NO.2

35240

SOLENOID ASSY, AUTOMATIC TRANSMISSION 3WAY

35290A

SOLENOID ASSY, LINE PRESSURE CONTROL

35330

STRAINER ASSY, VALVE BODY OIL

35339

GASKET, OIL STRAINER

35410

BODY ASSY, TRANSMISSION VALVE

35418

VALVE, MANUAL

35419

VALVE, CHECK, NO.1

35419A

SPRING, COMPRESSION (FOR CHECK VALVE)

35420A

BALL (FOR PRESSURE RELIEF)

35420A

BALL (FOR PRESSURE RELIEF)

35420H

COVER, CHECK BALL

35424C

PISTON, C-1 ACCUMULATOR

35424D

SPRING, COMPRESSION (FOR C-1 ACCUMULATOR PISTON)

35424E

RING, O (FOR C-1 ACCUMULATOR PISTON)

35424E

RING, O (FOR C-1 ACCUMULATOR PISTON)

35426D

PISTON, C-3 ACCUMULATOR

35426E

SPRING, COMPRESSION (FOR C-3 ACCUMULATOR PISTON)

35426F

RING, O (FOR C-3 ACCUMULATOR PISTON)

35427K

PISTON, B-3 ACCUMULATOR

35427L

SPRING, COMPRESSION (FOR B-3 ACCUMULATOR PISTON)

35427L

SPRING, COMPRESSION (FOR B-3 ACCUMULATOR PISTON)

35427M

RING, O (FOR B-3 ACCUMULATOR PISTON)

35431A

GASKET, UPPER VALVE BODY COVER

35432

PLATE, VALVE BODY, NO.1

35441C

STRAINER, SOLENOID OIL

35442

STRAINER, THROTTLE MODULATOR OIL

35471A

COVER, UPPER VALVE BODY

35495B

BALL, CHECK, NO.1

35495B

BALL, CHECK, NO.1

35495B

BALL, CHECK, NO.1

9010505023

Крепеж

9010505023

Крепеж

9010506028

Крепеж

9010506028

Крепеж

9010506028

Крепеж

Код

Описание

35211D

SLEEVE, LOCK UP CONTROL VALVE

35212

VALVE, LOCK UP RELAY

35212A

SEAT, PLUG (FOR LOCK UP RELAY VALVE)

35212B

SPRING, COMPRESSION (FOR LOCK UP RELAY VALVE)

35214

VALVE, LOCK UP CONTROL

35214A

KEY, STRAIGHT (FOR LOCK UP CONTROL VALVE)

35214C

SPRING, COMPRESSION (FOR LOCK UP CONTROL VALVE)

35218A

KEY, STRAIGHT (FOR LOCK UP RELAY VALVE PLUG)

35219D

PLUNGER, LOCK UP CONTROL VALVE

35275

VALVE, SOLENOID MODULATOR

35275A

SPRING, COMPRESSION (FOR SOLENOID MODULATOR VALVE)

35275B

PLUG (FOR SOLENOID MODULATOR VALVE)

35275C

KEY, STRAIGHT

35284D

VALVE, C-2 EXHAUST CHECK

35284E

KEY, STRAIGHT (FOR C-2 EXHAUST CHECK VALVE)

35284F

PLUG (FOR C-2 EXHAUST CHECK VALVE)

35284G

SPRING, COMPRESSION (FOR C-2 EXHAUST CHECK VALVE)

35284H

SPRING, COMPRESSION (FOR C-2 LOCK VALVE)

35284H

SPRING, COMPRESSION (FOR C-2 LOCK VALVE)

35286

VALVE, B-1 LOCK

35286A

PLUG (FOR B-1 LOCK VALVE)

35286B

KEY, STRAIGHT (FOR B-1 LOCK VALVE)

35286C

SPRING, COMPRESSION (FOR B-1 LOCK VALVE)

35286D

SPRING, COMPRESSION (FOR B-1 LOCK VALVE)

35286D

SPRING, COMPRESSION (FOR B-1 LOCK VALVE)

35287

VALVE, C-2 LOCK

35287A

KEY, STRAIGHT (FOR C-2 LOCK VALVE)

35287B

PLUG (FOR C-2 LOCK VALVE)

35287C

SPRING, COMPRESSION (FOR C-2 LOCK VALVE)

35419D

VALVE, CHECK, NO.2

35419E

VALVE, CHECK, NO.3

35419F

BALL, CHECK VALVE

35425F

VALVE, ACCUMULATOR

35425F

VALVE, ACCUMULATOR

35425G

RING, SNAP (FOR ACCUMULATOR VALVE)

35425G

RING, SNAP (FOR ACCUMULATOR VALVE)

35466K

VALVE, CLUTCH APPLY CONTROL

35466L

SPRING, COMPRESSION (FOR CLUTCH APPLY CONTROL VALVE)

35468C

VALVE, SECONDARY REGULATOR

35468D

SPRING, COMPRESSION (FOR SECONDARY REGULATOR VALVE)

35468E

KEY, STRAIGHT (FOR SECONDARY REGULATOR VALVE)

35468F

PLUG (FOR SECONDARY REGULATOR VALVE)

35469M

SPACER (FOR ACCUMULATOR VALVE)

35469M

SPACER (FOR ACCUMULATOR VALVE)

35476H

PLUNGER, CLUTCH APPLY CONTROL VALVE

35489M

VALVE, B-3 ORIFICE CONTROL

35489N

KEY, STRAIGHT (FOR B-3 ORIFICE CONTROL VALVE)

35489Q

SPRING, COMPRESSION (FOR B-3 ORIFICE CONTROL VALVE)

35492G

SLEEVE, CLUTCH APPLY CONTROL VALVE

35492H

PIN, STRAIGHT (FOR CLUTCH APPLY CONTROL VALVE)

35493V

SEAT, CHECK VALVE, NO.2

Код

Описание

35415F

VALVE, PRIMARY REGULATOR

35415H

SPRING, COMPRESSION (FOR PRIMARY REGULATOR VALVE)

35415Q

SPACER (FOR PRIMARY REGULATOR VALVE)

35416

PLUNGER, PRIMARY REGULATOR VALVE, NO.1

35417A

SLEEVE, PRIMARY REGULATOR VALVE

35417B

PIN, STRAIGHT (FOR PRIMARY REGULATOR VALVE SLEEVE)

35417C

PLUG(FOR PRIMARY REGULATOR VALVE)

35445K

VALVE, B-2 CONTROL

35445L

KEY, STRAIGHT (FOR B-2 CONTROL VALVE)

35445M

PLUG (FOR B-2 CONTROL VALVE)

35445N

SPRING, COMPRESSION (FOR B-2 CONTROL VALVE)

35456H

VALVE, C-2 CONTROL

35456J

KEY, STRAIGHT (FOR C-2 CONTROL VALVE)

35456K

PLUG (FOR C-2 CONTROL VALVE)

35456L

SPRING, COMPRESSION (FOR C-2 CONTROL VALVE)

35464F

VALVE, B-1 CONTROL

35464G

KEY, STRAIGHT (FOR B-1 CONTROL VALVE)

35464H

PLUG (FOR B-1 CONTROL VALVE)

35464J

SPRING, COMPRESSION (FOR B-1 CONTROL VALVE)

35486B

SEAT, PRESSURE RELIEF VALVE SPRING

35486C

SPRING, COMPRESSION(FOR PRESSURE RELIFE VALVE)

35486D

BALL (FOR PRESSURE RELIFE VALVE)

35497

VALVE, 3-4 SHIFT

35497A

SPRING, COMPRESSION (FOR 3-4 SHIFT VALVE)

35497F

KEY, STRAIGHT (FOR 3-4 SHIFT VALVE)

9010505023

Крепеж

Код

Описание

35195A

CLAMP, TRANSAXLE APPLY TUBE, NO.1

35196

CLAMP, TRANSAXLE APPLY TUBE, NO.2

35251

BODY, CHECK BALL

35251A

SPRING, COMPRESSION (FOR CHECK BALL BODY)

35409

SPRING SUB-ASSY, MANUAL DETENT

35599

COVER, MANUAL DETENT SPRING

35666D

TUBE, BRAKE APPLY

35882A

TUBE, DIFFERENTIAL GEAR LUBE APPLY

35895

TUBE, FRONT CLUTCH APPLY

9010506030

Крепеж

9010506053

Крепеж

9161160616

Крепеж

Код

Описание

9010505004

Крепеж

9010506017

Крепеж

9010506020

Крепеж

9010506028

Крепеж

9010506070

Крепеж

9010506071

Крепеж

9011905027

Крепеж

Код

Описание

3548221020

Крепеж

82125J

WIRE, TRANSMISSION

8410

переход к группе запчастей

8410

переход к группе запчастей

8410

переход к группе запчастей

8410

переход к группе запчастей

8410

переход к группе запчастей

8410

переход к группе запчастей

9010505023

Крепеж

9161160620

Крепеж

Код

Описание

35210

SOLENOID ASSY, CLUTCH CONTROL, NO.1

35220

SOLENOID ASSY, CLUTCH CONTROL, NO.2

35230

SOLENOID ASSY, TRANSMISSION 3WAY, NO.2

35240

SOLENOID ASSY, AUTOMATIC TRANSMISSION 3WAY

35290A

SOLENOID ASSY, LINE PRESSURE CONTROL

35330

STRAINER ASSY, VALVE BODY OIL

35339

GASKET, OIL STRAINER

35410

BODY ASSY, TRANSMISSION VALVE

35418

VALVE, MANUAL

35424C

PISTON, C-1 ACCUMULATOR

35424D

SPRING, COMPRESSION (FOR C-1 ACCUMULATOR PISTON)

35424E

RING, O (FOR C-1 ACCUMULATOR PISTON)

35424E

RING, O (FOR C-1 ACCUMULATOR PISTON)

35426D

PISTON, C-3 ACCUMULATOR

35426E

SPRING, COMPRESSION (FOR C-3 ACCUMULATOR PISTON)

35426F

RING, O (FOR C-3 ACCUMULATOR PISTON)

35427K

PISTON, B-3 ACCUMULATOR

35427L

SPRING, COMPRESSION (FOR B-3 ACCUMULATOR PISTON)

35427L

SPRING, COMPRESSION (FOR B-3 ACCUMULATOR PISTON)

35427M

RING, O (FOR B-3 ACCUMULATOR PISTON)

9010505005

Крепеж

9010505005

Крепеж

9010506028

Крепеж

9010506028

Крепеж

9010506028

Крепеж

9010506028

Крепеж

9010506070

Крепеж

9010506071

Крепеж

91511C0625

Крепеж

Код

Описание

35195A

CLAMP, TRANSAXLE APPLY TUBE, NO.1

35196

CLAMP, TRANSAXLE APPLY TUBE, NO.2

35251

BODY, CHECK BALL

35251A

SPRING, COMPRESSION (FOR CHECK BALL BODY)

35409

SPRING SUB-ASSY, MANUAL DETENT

3548221020

Крепеж

35599

COVER, MANUAL DETENT SPRING

35666D

TUBE, BRAKE APPLY

35882A

TUBE, DIFFERENTIAL GEAR LUBE APPLY

35895

TUBE, FRONT CLUTCH APPLY

82125J

WIRE, TRANSMISSION

82125L

RING, O(FOR TRANSMISSION WIRE)

9010505005

Крепеж

9010506053

Крепеж

9151180614

Крепеж

9161160620

Крепеж

91611B0616

Крепеж

> Запчасти RAV4 > Поиск по каталогу

Купить

Ваше имя
Ваш телефон
Ваша электронная почта
Оставляя свои данные в форме, вы подтверждаете свое согласие с Политикой конфиденциальности