Каталог

Америка

Модель

RAV4 (NAP)

VIN

Дата

2009/04

Двигатель

2,5 литра, 16 клапанов DOHC, EFI

Класс

LIMITED TYPE

Фрейм

ASA38

КПП

автомат АКПП, 4 ступени

Опции

NORTH AMERICA PRODUCT Канада 414W

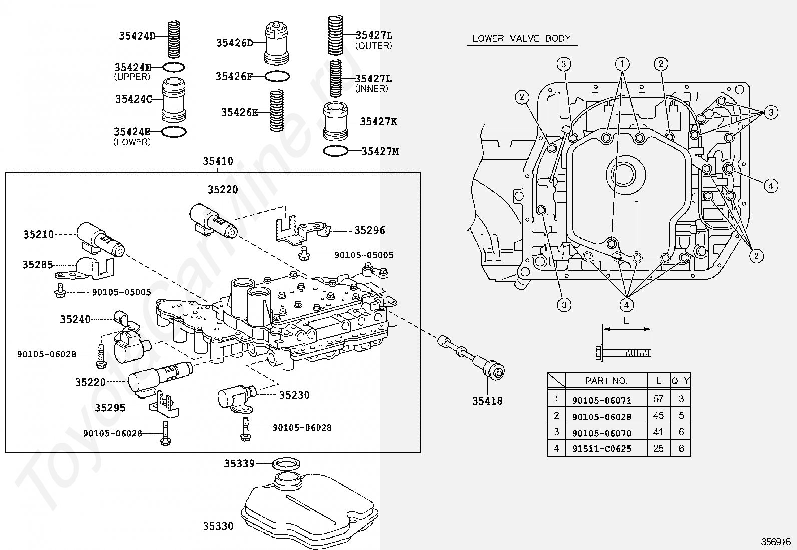
VALVE BODY & OIL STRAINER (ATM) TOYOTA RAV4 (NAP)







Код

Описание

35210

SOLENOID ASSY, CLUTCH CONTROL, NO.1

35220

SOLENOID ASSY, CLUTCH CONTROL, NO.2

35220

SOLENOID ASSY, CLUTCH CONTROL, NO.2

35230

SOLENOID ASSY, TRANSMISSION 3WAY, NO.2

35240

SOLENOID ASSY, AUTOMATIC TRANSMISSION 3WAY

35285

PLATE, SOLENOID LOCK

35295

PLATE, SOLENOID LOCK, NO.2

35296

PLATE, SOLENOID LOCK, NO.3

35330

STRAINER ASSY, VALVE BODY OIL

35339

GASKET, OIL STRAINER

35410

BODY ASSY, TRANSMISSION VALVE

35418

VALVE, MANUAL

35424C

PISTON, C-1 ACCUMULATOR

35424D

SPRING, COMPRESSION (FOR C-1 ACCUMULATOR PISTON)

35424E

RING, O (FOR C-1 ACCUMULATOR PISTON)

35424E

RING, O (FOR C-1 ACCUMULATOR PISTON)

35426D

PISTON, C-3 ACCUMULATOR

35426E

SPRING, COMPRESSION (FOR C-3 ACCUMULATOR PISTON)

35426F

RING, O (FOR C-3 ACCUMULATOR PISTON)

35427K

PISTON, B-3 ACCUMULATOR

35427L

SPRING, COMPRESSION (FOR B-3 ACCUMULATOR PISTON)

35427L

SPRING, COMPRESSION (FOR B-3 ACCUMULATOR PISTON)

35427M

RING, O (FOR B-3 ACCUMULATOR PISTON)

9010505005

Крепеж

9010505005

Крепеж

9010506028

Крепеж

9010506028

Крепеж

9010506028

Крепеж

9010506028

Крепеж

9010506070

Крепеж

9010506071

Крепеж

91511C0625

Крепеж

Код

Описание

35195A

CLAMP, TRANSAXLE APPLY TUBE, NO.1

35196

CLAMP, TRANSAXLE APPLY TUBE, NO.2

35251

BODY, CHECK BALL

35251A

SPRING, COMPRESSION (FOR CHECK BALL BODY)

35409

SPRING SUB-ASSY, MANUAL DETENT

3548221020

Крепеж

35599

COVER, MANUAL DETENT SPRING

35666D

TUBE, BRAKE APPLY

35882A

TUBE, DIFFERENTIAL GEAR LUBE APPLY

35895

TUBE, FRONT CLUTCH APPLY

82125J

WIRE, TRANSMISSION

82125L

RING, O(FOR TRANSMISSION WIRE)

9010505005

Крепеж

9010506053

Крепеж

9151180614

Крепеж

9161160620

Крепеж

91611B0616

Крепеж

> Запчасти RAV4 > Поиск по каталогу

Купить

Ваше имя
Ваш телефон
Ваша электронная почта
Оставляя свои данные в форме, вы подтверждаете свое согласие с Политикой конфиденциальности