Каталог

Европа

Модель

PRIUS

VIN

Дата

2015/11

Двигатель

1,8 литра, 16 клапанов, DOHC, EFI

Фрейм

ZVW50

Опции

правый руль Европа 629W

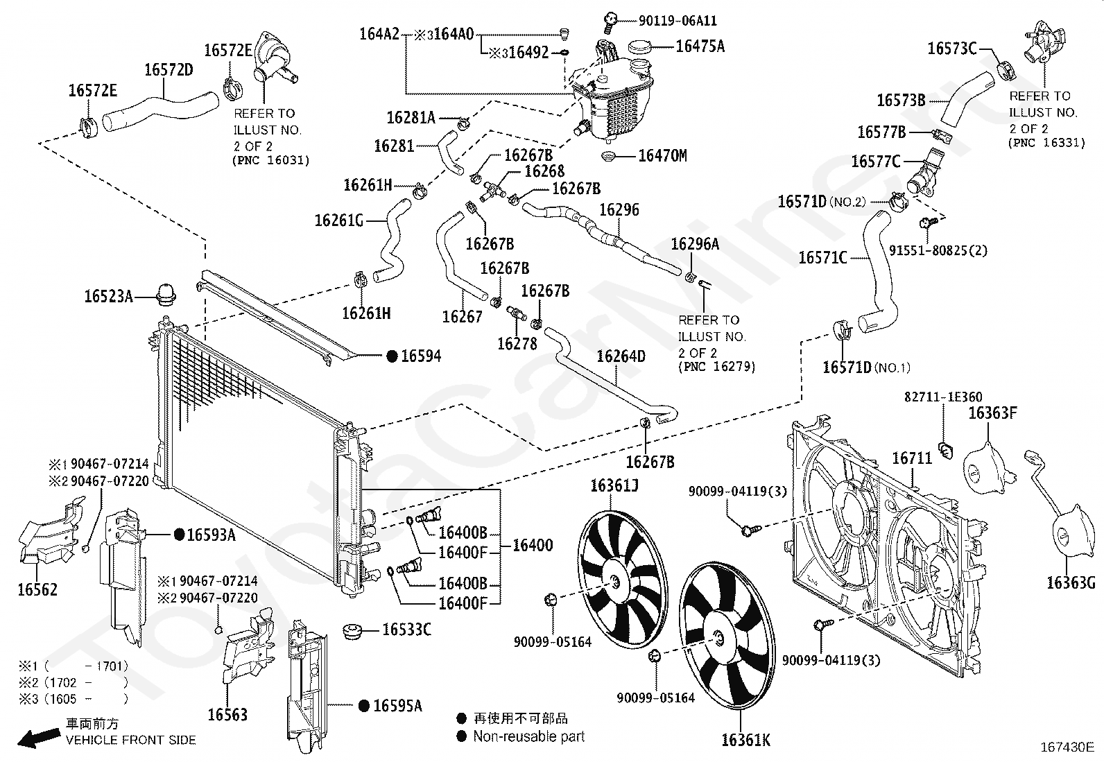
Радиатор и шланги TOYOTA PRIUS







Код

Описание

16261G

HOSE, WATER BY-PASS, NO.1

16261H

CLIP(FOR WATER BY-PASS HOSE NO.1)

16261H

CLIP(FOR WATER BY-PASS HOSE NO.1)

16264D

HOSE, WATER BY-PASS, NO.2

16267

HOSE, WATER BY-PASS, NO.3

16267B

CLIP(FOR WATER BY-PASS HOSE)

16267B

CLIP(FOR WATER BY-PASS HOSE)

16267B

CLIP(FOR WATER BY-PASS HOSE)

16267B

CLIP(FOR WATER BY-PASS HOSE)

16267B

CLIP(FOR WATER BY-PASS HOSE)

16267B

CLIP(FOR WATER BY-PASS HOSE)

16268

PIPE, WATER BY-PASS, NO.1

16278

PIPE, WATER BY-PASS, NO.2

16281

HOSE, WATER BY-PASS, NO.4

16281A

CLAMP OR CLIP(FOR WATER BY-PASS HOSE NO.4)

16296

HOSE, WATER BY-PASS, NO.8

16296A

CLIP(FOR WATER BY-PASS HOSE NO.8)

16361J

FAN, RH

16361K

FAN, LH

16363F

MOTOR, COOLING FAN, RH

16363G

MOTOR, COOLING FAN, LH

16400

RADIATOR ASSY

16400B

PLUG, RADIATOR DRAIN COCK

16400B

PLUG, RADIATOR DRAIN COCK

16400F

PACKING(FOR RADIATOR DRAIN COCK)

16400F

PACKING(FOR RADIATOR DRAIN COCK)

16470M

GROMMET

16475A

CAP, RESERVE TANK

16492

RING, O(FOR RADIATOR RESERVE TANK COCK)

164A0

COCK ASSY, RESERVE TANK

164A2

TANK, RESERVE SEALED W/O CAP

16523A

CUSHION, RADIATOR SUPPORT

16533C

GROMMET(FOR RADIATOR SUPPORT)

16562

SEAL, RADIATOR TO SUPPORT, NO.2

16563

SEAL, RADIATOR TO SUPPORT, NO.3

16571C

HOSE, RADIATOR, NO.1

16571D

CLIP, RADIATOR HOSE, NO.1

16571D

CLIP, RADIATOR HOSE, NO.1

16572D

HOSE, RADIATOR, NO.2

16572E

CLIP, RADIATOR HOSE, NO.2

16572E

CLIP, RADIATOR HOSE, NO.2

16573B

HOSE, RADIATOR, NO.3

16573C

CLAMP OR CLIP, RADIATOR HOSE, NO.3

16577B

CLAMP OR CLIP, HOSE(FOR RADIATOR PIPE)

16577C

PIPE, RADIATOR

16593A

GUIDE, RADIATOR AIR, NO.1 RH

16594

GUIDE, RADIATOR AIR, NO.2

16595A

GUIDE, RADIATOR AIR, NO.1 LH

16711

SHROUD, FAN

827111E360

Крепеж

9009904119

Крепеж

9009904119

Крепеж

9009905164

Крепеж

9009905164

Крепеж

9011906A11

Крепеж

9046707214

Крепеж

9046707214

Крепеж

9046707220

Крепеж

9046707220

Крепеж

9155180825

Крепеж

Код

Описание

16261G

HOSE, WATER BY-PASS, NO.1

16261H

CLIP(FOR WATER BY-PASS HOSE NO.1)

16261H

CLIP(FOR WATER BY-PASS HOSE NO.1)

16267B

CLIP(FOR WATER BY-PASS HOSE)

16267B

CLIP(FOR WATER BY-PASS HOSE)

16267B

CLIP(FOR WATER BY-PASS HOSE)

16278

PIPE, WATER BY-PASS, NO.2

16281

HOSE, WATER BY-PASS, NO.4

16283

HOSE, WATER BY-PASS, NO.6

16296

HOSE, WATER BY-PASS, NO.8

16296A

CLIP(FOR WATER BY-PASS HOSE NO.8)

16361J

FAN, RH

16361K

FAN, LH

16363F

MOTOR, COOLING FAN, RH

16363G

MOTOR, COOLING FAN, LH

16400

RADIATOR ASSY

16400B

PLUG, RADIATOR DRAIN COCK

16400B

PLUG, RADIATOR DRAIN COCK

16400F

PACKING(FOR RADIATOR DRAIN COCK)

16400F

PACKING(FOR RADIATOR DRAIN COCK)

16401

CAP SUB-ASSY, RADIATOR

16470

TANK ASSY, RADIATOR RESERVE

16470M

GROMMET

16471

CAP SUB-ASSY, RESERVE TANK

16502

FILLER SUB-ASSY, WATER

16523A

CUSHION, RADIATOR SUPPORT

16533C

GROMMET(FOR RADIATOR SUPPORT)

16562

SEAL, RADIATOR TO SUPPORT, NO.2

16563

SEAL, RADIATOR TO SUPPORT, NO.3

16571C

HOSE, RADIATOR, NO.1

16571D

CLIP, RADIATOR HOSE, NO.1

16571D

CLIP, RADIATOR HOSE, NO.1

16572D

HOSE, RADIATOR, NO.2

16572E

CLIP, RADIATOR HOSE, NO.2

16572E

CLIP, RADIATOR HOSE, NO.2

16573B

HOSE, RADIATOR, NO.3

16573C

CLAMP OR CLIP, RADIATOR HOSE, NO.3

16577B

CLAMP OR CLIP, HOSE(FOR RADIATOR PIPE)

16577C

PIPE, RADIATOR

16593A

GUIDE, RADIATOR AIR, NO.1 RH

16594

GUIDE, RADIATOR AIR, NO.2

16595A

GUIDE, RADIATOR AIR, NO.1 LH

16711

SHROUD, FAN

827111E360

Крепеж

9009904119

Крепеж

9009904119

Крепеж

9009905164

Крепеж

9009905164

Крепеж

9011906A11

Крепеж

9046707220

Крепеж

9046707220

Крепеж

9155180825

Крепеж

Код

Описание

16031

WATER INLET SUB-ASSY, W/THERMOSTAT

16261

HOSE, WATER BY-PASS

16261A

CLAMP OR CLIP, HOSE(FOR WATER BY-PASS HOSE)

16261A

CLAMP OR CLIP, HOSE(FOR WATER BY-PASS HOSE)

16264

HOSE, WATER BY-PASS, NO.2

16264A

CLAMP OR CLIP(FOR WATER BY-PASS HOSE NO.2)

16264A

CLAMP OR CLIP(FOR WATER BY-PASS HOSE NO.2)

16279

PIPE, WATER BY-PASS, NO.3

16283A

CLAMP OR CLIP(FOR WATER BY-PASS HOSE NO.6)

16283A

CLAMP OR CLIP(FOR WATER BY-PASS HOSE NO.6)

16283D

HOSE, WATER BY-PASS, NO.6

1628A

PIPE, WATER BY-PASS, NO.6

16297

HOSE, WATER BY-PASS, NO.9

16297A

CLIP(FOR WATER BY-PASS HOSE NO.9)

16297A

CLIP(FOR WATER BY-PASS HOSE NO.9)

16299A

HOSE, WATER BY-PASS, NO.13

16299B

CLIP(FOR WATER BY-PASS HOSE NO.13)

16299B

CLIP(FOR WATER BY-PASS HOSE NO.13)

1629A

HOSE, WATER BY-PASS, NO.14

1629AA

CLIP(FOR WATER BY-PASS HOSE NO.14)

1629AA

CLIP(FOR WATER BY-PASS HOSE NO.14)

16326

GASKET, WATER INLET HOUSING, NO.2

16331

OUTLET, WATER

16341

GASKET, WATER OUTLET

1708

переход к группе запчастей

2211

переход к группе запчастей

2501

переход к группе запчастей

2501

переход к группе запчастей

8404

переход к группе запчастей

8716

переход к группе запчастей

9012606026

Крепеж

9012608052

Крепеж

9155180620

Крепеж

9155180620

Крепеж

9167180820

Крепеж

9167180820

Крепеж

9415180600

Крепеж

9415180800

Крепеж

Код

Описание

16031

WATER INLET SUB-ASSY, W/THERMOSTAT

1625837020

Крепеж

16261

HOSE, WATER BY-PASS

16261A

CLAMP OR CLIP, HOSE(FOR WATER BY-PASS HOSE)

16261A

CLAMP OR CLIP, HOSE(FOR WATER BY-PASS HOSE)

16264

HOSE, WATER BY-PASS, NO.2

16264A

CLAMP OR CLIP(FOR WATER BY-PASS HOSE NO.2)

16264A

CLAMP OR CLIP(FOR WATER BY-PASS HOSE NO.2)

16278E

CLIP(FOR WATER BY-PASS HOSE)

16279

PIPE, WATER BY-PASS, NO.3

16282

HOSE, WATER BY-PASS, NO.5

16282A

CLAMP OR CLIP(FOR WATER BY-PASS HOSE NO.5)

16282A

CLAMP OR CLIP(FOR WATER BY-PASS HOSE NO.5)

16283A

CLAMP OR CLIP(FOR WATER BY-PASS HOSE NO.6)

16283A

CLAMP OR CLIP(FOR WATER BY-PASS HOSE NO.6)

16283C

CLAMP OR CLIP(FOR WATER BY-PASS HOSE)

16283C

CLAMP OR CLIP(FOR WATER BY-PASS HOSE)

16283D

HOSE, WATER BY-PASS, NO.6

16288

PIPE, WATER BY-PASS, NO.4

16289

PIPE, WATER BY-PASS, NO.5

1628A

PIPE, WATER BY-PASS, NO.6

16293

HOSE, WATER BY-PASS, NO.10

16293A

CLIP(FOR WATER BY-PASS HOSE NO.10)

16295

HOSE, WATER BY-PASS, NO.7

16295A

CLIP(FOR WATER BY-PASS HOSE NO.7)

16297

HOSE, WATER BY-PASS, NO.9

16297A

CLIP(FOR WATER BY-PASS HOSE NO.9)

16297A

CLIP(FOR WATER BY-PASS HOSE NO.9)

16299A

HOSE, WATER BY-PASS, NO.13

16299B

CLIP(FOR WATER BY-PASS HOSE NO.13)

1629A

HOSE, WATER BY-PASS, NO.14

1629AA

CLIP(FOR WATER BY-PASS HOSE NO.14)

1629AA

CLIP(FOR WATER BY-PASS HOSE NO.14)

16326

GASKET, WATER INLET HOUSING, NO.2

16331

OUTLET, WATER

16341

GASKET, WATER OUTLET

16671

VALVE, WATER

1708

переход к группе запчастей

2211

переход к группе запчастей

2501

переход к группе запчастей

2501

переход к группе запчастей

8404

переход к группе запчастей

8716

переход к группе запчастей

89422D

SENSOR, WATER TEMPERATURE

9012606026

Крепеж

9012608052

Крепеж

9046814044

Крепеж

9155180620

Крепеж

9155180620

Крепеж

9155180625

Крепеж

9167180616

Крепеж

9167180820

Крепеж

9167180820

Крепеж

9167281025

Крепеж

9415180600

Крепеж

9415180800

Крепеж

> Запчасти PRIUS > Поиск по каталогу

Купить

Ваше имя
Ваш телефон
Ваша электронная почта
Оставляя свои данные в форме, вы подтверждаете свое согласие с Политикой конфиденциальности