Каталог

Европа

Модель

PRIUS PHV

VIN

Дата

2016/09

Двигатель

1,8 литра, 16 клапанов, DOHC, EFI

Класс

BASE TYPE

Фрейм

ZVW52

КПП

вариатор

Опции

левый руль Европа 667W

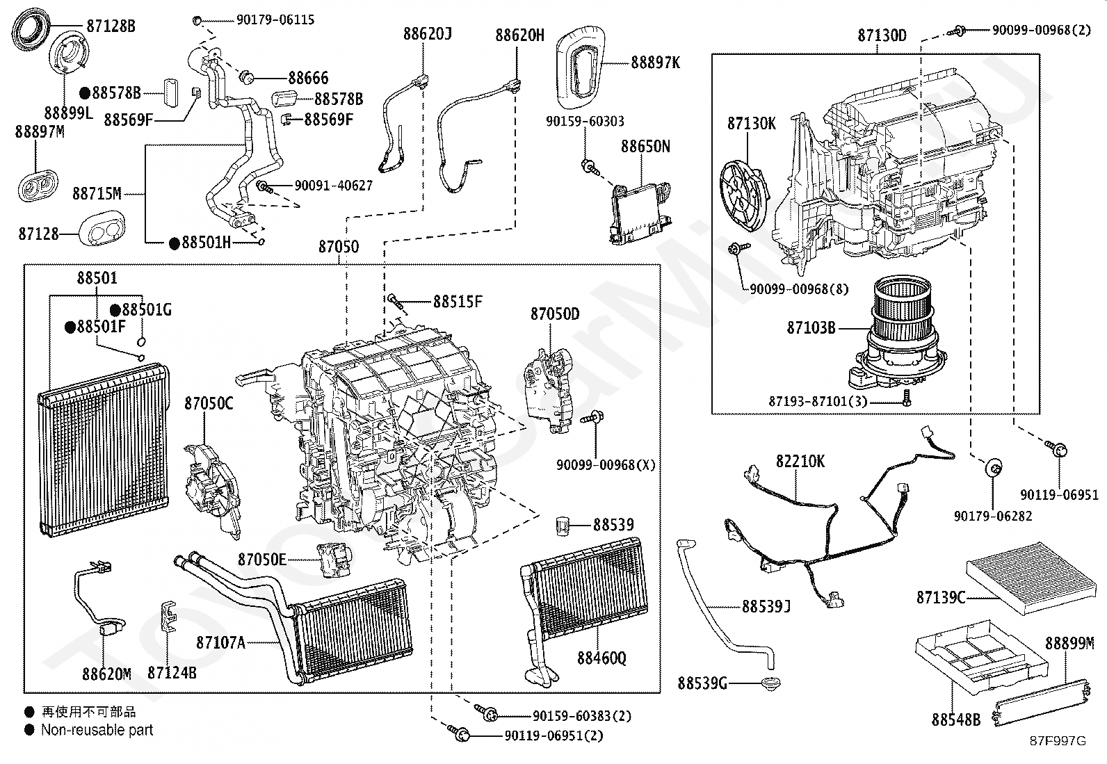
Кондиционер: охлаждающая система TOYOTA PRIUS PHV




Код

Описание

82210K

HARNESS ASSY, AIR CONDITIONER

87050

RADIATOR ASSY, AIR CONDITIONER

87050C

DAMPER SERVO SUB-ASSY, AIR CONDITIONER RADIATOR, NO.1

87050D

DAMPER SERVO SUB-ASSY, AIR CONDITIONER RADIATOR, NO.2

87050E

DAMPER SERVO SUB-ASSY, AIR CONDITIONER RADIATOR, NO.3

87103B

MOTOR SUB-ASSY, BLOWER W/FAN

87107A

UNIT SUB-ASSY, HEATER RADIATOR

87124B

CLAMP, HEATER

87128

GROMMET, HEATER

87128B

GROMMET, HEATER, NO.2

87130D

BLOWER ASSY

87130K

DAMPER SERVO SUB-ASSY, BLOWER, NO.1

87139C

FILTER, CLEAN AIR

8719387101

Крепеж

88460Q

CONDENSER ASSY

88501

EVAPORATOR SUB-ASSY, COOLER, NO.1

88501F

O-RING, COOLER EVAPORATOR NO.1(DISCHARGE)

88501G

O-RING, COOLER EVAPORATOR NO.1(SUCTION)

88501H

O-RING, COOLER EVAPORATOR NO.2(DISCHARGE)

88515F

BOLT(FOR COOLER EXPANSION VALVE)

88539

HOSE, COOLER UNIT DRAIN, NO.1

88539G

GROMMET (FOR COOLER UNIT DRAIN HOSE)

88539J

HOSE, DRAIN COOLER

88548B

CASE, AIR FILTER

88569F

CLAMP

88569F

CLAMP

88578B

PACKING, COOLING UNIT, NO.1

88578B

PACKING, COOLING UNIT, NO.1

88620H

SENSOR, INTERNAL CONDENSER TEMPERATURE

88620J

SENSOR, DISCHARGE TEMPERATURE

88620M

SENSOR, EVAPORATOR TEMPERATURE

88650N

AMPLIFIER ASSY, AIR CONDITIONER

88666

SPACER (FOR COOLER UNIT)

88715M

TUBE, DISCHARGE, NO.1

88897K

GROMMET, (FOR COOLER PIPE)

88897M

GROMMET (FOR HEATER PIPE)

88899L

PARTS, COOLING UNIT

88899M

PLATE, COVER(FOR AIR FILTER)

9009140627

Крепеж

9009900968

Крепеж

9009900968

Крепеж

9009900968

Крепеж

9011906951

Крепеж

9011906951

Крепеж

9015960303

Крепеж

9015960383

Крепеж

9017906115

Крепеж

9017906282

Крепеж

> Запчасти PRIUS > Поиск по каталогу

Купить

Ваше имя
Ваш телефон
Ваша электронная почта
Оставляя свои данные в форме, вы подтверждаете свое согласие с Политикой конфиденциальности