Каталог

Ближний Восток

Модель

PREVIA/TARAGO

VIN

Дата

2000/02

Двигатель

2,4 литра, 16 клапанов DOHC, EFI

Класс

DELUX SPECIFICATION

Фрейм

ACR30

КПП

автомат

Опции

левый руль 8-местный Европа

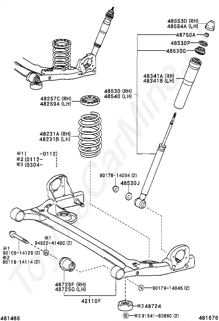
Задние амортизаторы TOYOTA PREVIA/TARAGO




Код

Описание

42110F

BEAM ASSY, REAR AXLE

48231A

SPRING, COIL, REAR RH

48231B

SPRING, COIL, REAR LH

48257C

INSULATOR, REAR COIL SPRING, UPPER RH

48259A

INSULATOR, REAR COIL SPRING, UPPER LH

48341A

BUMPER, REAR SPRING, NO.1 RH

48341B

BUMPER, REAR SPRING, NO.1 LH

48530

ABSORBER ASSY, SHOCK, REAR RH

48530G

CUSHION, REAR SHOCK ABSORBER, NO.1

48530J

RETAINER, CUSHION, NO.1(FOR REAR SHOCK ABSORBER)

48530P

RETAINER, CUSHION, NO.2(FOR REAR SHOCK ABSORBER)

48540

ABSORBER ASSY, SHOCK, REAR LH

48553D

CAP, REAR SHOCK ABSORBER, RH

48554A

CAP, REAR SHOCK ABSORBER, LH

48724

DAMPER, LWR CONTROL ARM DYNAMIC

48725F

BUSH, REAR AXLE CARRIER, RH

48725G

BUSH, REAR AXLE CARRIER, LH

48750A

NUT(FOR REAR SUPPORT TO REAR SHOCK ABSORBER)

9010514129

Крепеж

9011914114

Крепеж

9017814004

Крепеж

9017914045

Крепеж

9164180860

Крепеж

9462241400

Крепеж

> Запчасти PREVIA/TARAGO > Поиск по каталогу

Купить

Ваше имя
Ваш телефон
Ваша электронная почта
Оставляя свои данные в форме, вы подтверждаете свое согласие с Политикой конфиденциальности