Каталог

Европа

Модель

LAND CRUISER PRADO

VIN

Дата

2013/08

Двигатель

3 литра, турбо-дизель

Фрейм

KDJ150

КПП

механика МКПП, 6 скоростей

Опции

правый руль 5 дверей 596W

Топливный бак и горловина TOYOTA LAND CRUISER PRADO







Код

Описание

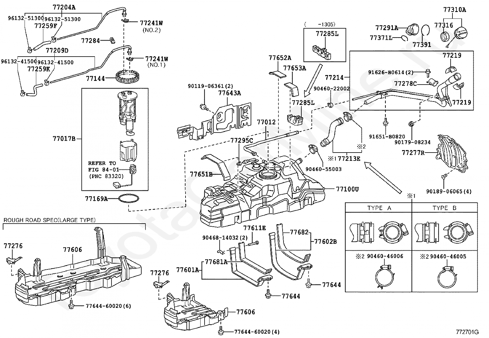
77012

TUBE SUB-ASSY, FUEL TANK BREATHER

77017B

TUBE SUB-ASSY, FUEL TANK VENT

77100U

TANK SUB-ASSY, FUEL

77144

RETAINER, FUEL PUMP GAUGE

77169A

GASKET, FUEL SUCTION TUBE SET

77204A

TUBE, FUEL TANK RETURN

77209D

TUBE SUB-ASSY, FUEL TANK MAIN

77213E

HOSE, FUEL TANK TO FILLER PIPE

77214

PIPE, FUEL TANK FILLER

77219

COVER, FUEL TANK FILLER PIPE

77219

COVER, FUEL TANK FILLER PIPE

77241W

CLIP, TUBE JOINT

77241W

CLIP, TUBE JOINT

77259F

HOSE, FUEL

77259K

HOSE, FUEL

77276

PROTECTOR, FUEL HOSE

77276

PROTECTOR, FUEL HOSE

77277R

PROTECTOR, FUEL TANK FILLER PIPE

77278C

PROTECTOR, FUEL TANK FILLER PIPE, NO.2

77284

CLAMP, FUEL TUBE

77285L

CLAMP, FUEL TUBE, NO.1

77285L

CLAMP, FUEL TUBE, NO.1

77291A

SHIELD, FUEL TANK FILLER PIPE

77295C

GROMMET, FUEL TUBE

77310A

CAP ASSY, FUEL TANK

77316

GASKET, FUEL TANK CAP

77371L

RING, FUEL TANK FILLER PIPE SHIELD

77391

RING, FUEL INLET BOX

77601A

BAND SUB-ASSY, FUEL TANK, NO.1

77602B

BAND SUB-ASSY, FUEL TANK, NO.1 LH

77606

PROTECTOR SUB-ASSY, FUEL TANK, NO.1

77606

PROTECTOR SUB-ASSY, FUEL TANK, NO.1

77611E

PIN, FUEL TANK BAND

77643A

PROTECTOR, FUEL TANK, NO.3

77644

BOLT, FUEL TANK

77644

BOLT, FUEL TANK

7764460020

Крепеж

7764460020

Крепеж

77651B

CUSHION, FUEL TANK

77652A

CUSHION, FUEL TANK, NO.2

77653A

CUSHION, FUEL TANK, NO.3

77681A

SEAT, FUEL TANK BAND

77682

SEAT, FUEL TANK BAND, LH

8401

переход к группе запчастей

9011906361

Крепеж

9017908234

Крепеж

9018906065

Крепеж

9046022002

Крепеж

9046046005

Крепеж

9046046006

Крепеж

9046055003

Крепеж

9046814032

Крепеж

91626B0614

Крепеж

91651B0820

Крепеж

9613241500

Крепеж

9613241500

Крепеж

9613251300

Крепеж

9613251300

Крепеж

Код

Описание

2201

переход к группе запчастей

2201

переход к группе запчастей

2302

переход к группе запчастей

23917

COOLER, FUEL

75259A

HOSE, FUEL

77251B

TUBE, FUEL MAIN

77255D

TUBE, FUEL RETURN

77259C

HOSE, FUEL

77259C

HOSE, FUEL

77259G

CLIP, FUEL HOSE

77266A

PROTECTOR, FUEL TUBE, NO.1

77267A

PROTECTOR, FUEL TUBE, NO.2

77285B

CLAMP, FUEL TUBE W/GROMMET, NO.1

77285D

CLAMP, FUEL TUBE, NO.1

77285E

CLAMP, FUEL TUBE W/GROMMET, NO.1

77285F

CLAMP, FUEL TUBE, NO.1

77285G

CLAMP, FUEL TUBE, NO.1

9017806012

Крепеж

9017906161

Крепеж

9017906161

Крепеж

9613341300

Крепеж

9613341300

Крепеж

9613541400

Крепеж

9613541400

Крепеж

Код

Описание

77035

CABLE SUB-ASSY, FUEL LID LOCK CONTROL

77035

CABLE SUB-ASSY, FUEL LID LOCK CONTROL

77306

LEVER SUB-ASSY, FUEL LID LOCK OPEN

77350

LID ASSY, FUEL FILLER OPENING

77366

SPRING, FUEL FILLER OPENING LID HINGE

77377

RETAINER, FUEL FILLER OPENING LID LOCK

8271116830

Крепеж

8271116830

Крепеж

827113F290

Крепеж

827113F400

Крепеж

827113F400

Крепеж

827113F400

Крепеж

827113F400

Крепеж

9026906017

Крепеж

9046400042

Крепеж

9046400042

Крепеж

9046906005

Крепеж

9046906005

Крепеж

> Запчасти PRADO > Поиск по каталогу

Купить

Ваше имя
Ваш телефон
Ваша электронная почта
Оставляя свои данные в форме, вы подтверждаете свое согласие с Политикой конфиденциальности