Каталог

Япония

Модель

LAND CRUISER PRADO

VIN

Дата

2002/09

Двигатель

3,4 литра, EFI

Класс

RZ TYPE

Фрейм

VZJ125

КПП

автомат АКПП, 4 ступени

Опции

3 двери 5-местный 244W

Коробка АКП TOYOTA LAND CRUISER PRADO




Код

Описание

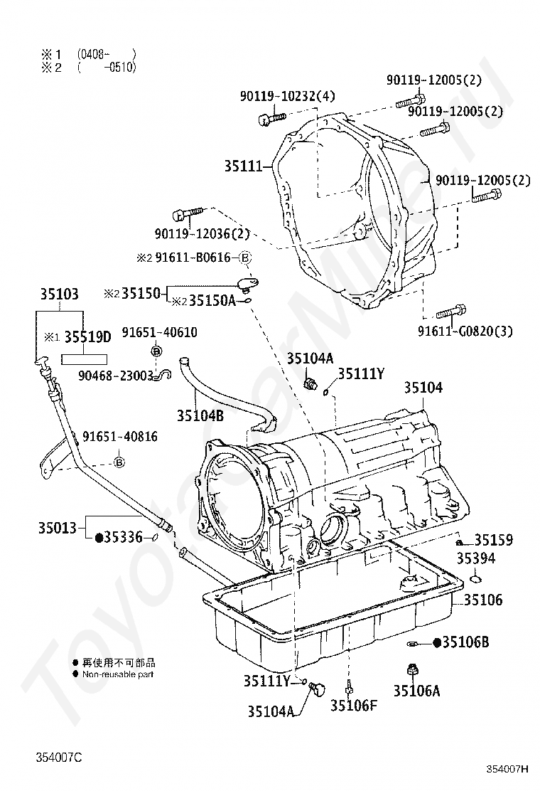
35013

TUBE SUB-ASSY, TRANSMISSION OIL FILLER

35103

GAGE SUB-ASSY, TRANSMISSION OIL LEVEL

35104

CASE SUB-ASSY, AUTOMATIC TRANSMISSION

35104A

PLUG, AUTOMATIC TRANSMISSION CASE

35104A

PLUG, AUTOMATIC TRANSMISSION CASE

35104B

PLUG, BREATHER, NO.1 (ATM)

35106

PAN SUB-ASSY, AUTOMATIC TRANSMISSION OIL

35106A

PLUG SUB-ASSY, DRAIN (ATM)

35106B

GASKET, DRAIN PLUG (ATM)

35106F

BOLT (FOR AUTOMATIC TRANSMISSION OIL PAN)

35111

HOUSING, AUTOMATIC TRANSMISSION

35111Y

RING, O (FOR AUTOMATIC TRANSMISSION CASE)

35111Y

RING, O (FOR AUTOMATIC TRANSMISSION CASE)

35150

PLUG ASSY, TRANSMISSION CASE

35150A

RING, O (FOR AUTOMATIC TRANSMISSION CASE PLUG)

35159

GASKET, BRAKE DRUM

35336

RING, O (FOR TRANSMISSION OIL FILLER TUBE)

35394

MAGNET, OIL CLEANER (FOR TRANSMISSION)

35519D

LABEL, AUTOMATIC TRANSMISSION INFORMATION

9011910232

Крепеж

9011912005

Крепеж

9011912005

Крепеж

9011912005

Крепеж

9011912036

Крепеж

9046823003

Крепеж

91611B0616

Крепеж

91611G0820

Крепеж

9165140610

Крепеж

9165140816

Крепеж

> Запчасти PRADO > Поиск по каталогу

Купить

Ваше имя
Ваш телефон
Ваша электронная почта
Оставляя свои данные в форме, вы подтверждаете свое согласие с Политикой конфиденциальности