Каталог

Япония

Модель

PASSO

VIN

Дата

2006/12

Двигатель

1 литр, 12 клапанов DOHC, EFI

Класс

RACY TYPE

Фрейм

KGC15

КПП

автомат АКПП, 4 ступени, на руле

Опции

D36G

Задние амортизаторы TOYOTA PASSO




Код

Описание

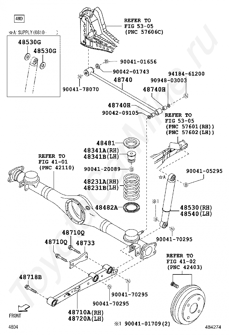
4101

переход к группе запчастей

4102

переход к группе запчастей

48231A

SPRING, COIL, REAR RH

48231B

SPRING, COIL, REAR LH

48341A

BUMPER, REAR SPRING, NO.1 RH

48341B

BUMPER, REAR SPRING, NO.1 LH

48481

SEAT, REAR SPRING, UPPER

48482A

SEAT, REAR SPRING, LOWER

48530

ABSORBER ASSY, SHOCK, REAR RH

48530G

CUSHION, REAR SHOCK ABSORBER, NO.1

48530G

CUSHION, REAR SHOCK ABSORBER, NO.1

48540

ABSORBER ASSY, SHOCK, REAR LH

48710A

ARM ASSY, REAR SUSPENSION, NO.1 RH

48710Q

BOLT(FOR REAR LOWER CONTROL ARM)

48710Q

BOLT(FOR REAR LOWER CONTROL ARM)

48718B

SHAFT, REAR SUSPENSION LOWER ARM, NO.1

48720A

ARM ASSY, REAR SUSPENSION, NO.1 LH

48733

REINFORCEMENT, REAR SUSPENSION ARM

48740

ROD ASSY, REAR LATERAL CONTROL

48740H

BUSH, NO.1(FOR REAR LATERAL CONTROL ROD)

48740H

BUSH, NO.1(FOR REAR LATERAL CONTROL ROD)

5305

переход к группе запчастей

5305

переход к группе запчастей

9004101656

Крепеж

9004101709

Крепеж

9004105295

Крепеж

9004120089

Крепеж

9004170295

Крепеж

9004170295

Крепеж

9004170295

Крепеж

9004178070

Крепеж

9004201743

Крепеж

9004209105

Крепеж

9094803003

Крепеж

9418461200

Крепеж

> Запчасти PASSO > Поиск по каталогу

Купить

Ваше имя
Ваш телефон
Ваша электронная почта
Оставляя свои данные в форме, вы подтверждаете свое согласие с Политикой конфиденциальности