Каталог

Европа

Модель

PASEO

VIN

Дата

1991/04

Двигатель

1,5 литра, 16 клапанов, DOHC, EFI

Фрейм

EL44

КПП

механика

Опции

США

Реле и кнопки TOYOTA PASEO







Код

Описание

83420

GAGE ASSY, WATER TEMPERATURE SENDER

83530

SWITCH ASSY, OIL PRESSURE (FOR ENGINE)

84210

SWITCH ASSY, BACK-UP LAMP

84540

SWITCH ASSY, NEUTRAL START

89412

SENSOR, E.G.R GAS TEMPERATURE

89428

SWITCH, TEMPERATURE DETECT, NO.2

89465

SENSOR, OXYGEN

89465

SENSOR, OXYGEN

89465

SENSOR, OXYGEN

89466

GASKET, OXYGEN SENSOR

89615

SENSOR, KNOCK CONTROL

9017908059

Крепеж

9043018008

Крепеж

9095001060

Крепеж

9095001060

Крепеж

9165140620

Крепеж

Код

Описание

28371

RELAY, IGNITION, NO.1

82600F

FUSE, FUSE BLOCK

82600F

FUSE, FUSE BLOCK

82616

PULLER, FUSE

82660C

BLOCK ASSY, RELAY

82661

COVER, RELAY BLOCK, NO.1

82661A

COVER, RELAY BLOCK, NO.2

8271116610

Крепеж

8404

переход к группе запчастей

84230

SWITCH ASSY, COURTESY LAMP (FOR ENGINE ROOM)

85916

RELAY, LIGHT CONTROL

85926

RELAY, HEADLAMP DIMMER

85927

RELAY, COOLING FAN

86530

RELAY ASSY, HORN

88605T

HARNESS SUB-ASSY, AIR CONDITIONER WIRING

88630H

RELAY ASSY, COOLER

88630H

RELAY ASSY, COOLER

88630H

RELAY ASSY, COOLER

88630R

RELAY ASSY, COOLER, NO.3

8868816720

Крепеж

89620

IGNITER ASSY

89629

BRACKET, IGNITER ASSY

9011906390

Крепеж

9016720001

Крепеж

9338516016

Крепеж

Код

Описание

28371

RELAY, IGNITION, NO.1

82600F

FUSE, FUSE BLOCK

82600F

FUSE, FUSE BLOCK

82616

PULLER, FUSE

82660C

BLOCK ASSY, RELAY

82661

COVER, RELAY BLOCK, NO.1

82661A

COVER, RELAY BLOCK, NO.2

82662B

COVER, RELAY BLOCK, UPPER, NO.2

82690

RESISTOR ASSY, DIM DIP LAMP

8271116610

Крепеж

82841

RELAY, RUNNING LIGHT VOLTAGE CONTROL

82841

RELAY, RUNNING LIGHT VOLTAGE CONTROL

8404

переход к группе запчастей

84230

SWITCH ASSY, COURTESY LAMP (FOR ENGINE ROOM)

85916

RELAY, LIGHT CONTROL

85926

RELAY, HEADLAMP DIMMER

85927

RELAY, COOLING FAN

86530

RELAY ASSY, HORN

88605T

HARNESS SUB-ASSY, AIR CONDITIONER WIRING

88630H

RELAY ASSY, COOLER

88630H

RELAY ASSY, COOLER

88630H

RELAY ASSY, COOLER

88630R

RELAY ASSY, COOLER, NO.3

886881G130

Крепеж

89620

IGNITER ASSY

89629

BRACKET, IGNITER ASSY

9011906390

Крепеж

9011906419

Крепеж

9011906419

Крепеж

9015960128

Крепеж

9016720001

Крепеж

9017906143

Крепеж

91651B0614

Крепеж

9338516016

Крепеж

Код

Описание

84118

KNOB, LIGHT CONTROL RHEOSTAT

84119

RHEOSTAT, LIGHT CONTROL

84330

SWITCH ASSY, HAZARD WARNING SIGNAL

84660C

SWITCH, COOLER

84730

SWITCH ASSY, HEATER BLOWER

84730B

BULB, HEATER BLOWER SWITCH

84730D

CAP, HEATER BLOWER SWITCH BULB

84790

SWITCH ASSY, REAR WINDOW DEFOGGER

84790B

BULB(FOR REAR WINDOW DEFOGGER SWITCH)

85500

LIGHTER ASSY, CIGARETTE

85520

KNOB AND ELEMENT ASSY, CIGARETTE LIGHTER

88607C

LAMP SUB-ASSY, INDICATOR

9017009004

Крепеж

Код

Описание

84052

SWITCH ASSY, UN-LOCK WARNING

84110

SWITCH ASSY, LIGHT CONTROL, NO.1

84140

SWITCH ASSY, HEADLAMP DIMMER

84310

SWITCH ASSY, TURN SIGNAL

84312

PLATE, HORN CONTACT

84315

SLIPRING, HORN CONTACT

84450

SWITCH ASSY, IGNITION OR STARTER

84630C

SWITCH ASSY, SPEED CONTROL MAIN

84650

SWITCH ASSY, WINDSHIELD WIPER

85432

SOLENOID, KEY INTER LOCK

9014940013

Крепеж

9046400551

Крепеж

9331514012

Крепеж

9331913008

Крепеж

9331915012

Крепеж

9354014014

Крепеж

Код

Описание

84052

SWITCH ASSY, UN-LOCK WARNING

84110

SWITCH ASSY, LIGHT CONTROL, NO.1

84140

SWITCH ASSY, HEADLAMP DIMMER

84306

CABLE SUB-ASSY, SPIRAL

84310

SWITCH ASSY, TURN SIGNAL

84329

SWITCH, TURN SIGNAL

84450

SWITCH ASSY, IGNITION OR STARTER

84630C

SWITCH ASSY, SPEED CONTROL MAIN

84650

SWITCH ASSY, WINDSHIELD WIPER

85432

SOLENOID, KEY INTER LOCK

9014940013

Крепеж

9015950265

Крепеж

9046400551

Крепеж

9331514012

Крепеж

9331913008

Крепеж

9331915012

Крепеж

Код

Описание

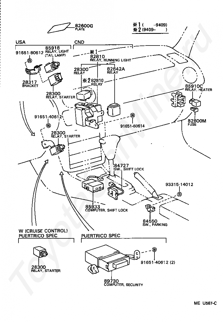
28300

RELAY ASSY, STARTER

28300

RELAY ASSY, STARTER

28300

RELAY ASSY, STARTER

82600F

FUSE, FUSE BLOCK

82600M

FUSE, MEDIUM CURRENT

8271114620

Крепеж

82810

RELAY ASSY, RUNNING LIGHT

8404

переход к группе запчастей

84550

SWITCH ASSY, PARKING BRAKE

84727

SWITCH, SHIFT LOCK CONTROL

85910C

RELAY ASSY (FOR HEATER BLOWER MOTOR)

85916

RELAY, LIGHT CONTROL

85916

RELAY, LIGHT CONTROL

85916

RELAY, LIGHT CONTROL

85933

COMPUTER, SHIFT LOCK CONTROL

89730

COMPUTER ASSY, SECURITY WARNING

9165140612

Крепеж

9165140612

Крепеж

9165640616

Крепеж

9331514012

Крепеж

Код

Описание

28300

RELAY ASSY, STARTER

28300

RELAY ASSY, STARTER

28300

RELAY ASSY, STARTER

28300

RELAY ASSY, STARTER

28317

BRACKET, STARTER RELAY

82600G

PLATE, CAUTION(FOR FUSE)

82600M

FUSE, MEDIUM CURRENT

82642A

RELAY, RUNNING LIGHT

82810

RELAY ASSY, RUNNING LIGHT

82810

RELAY ASSY, RUNNING LIGHT

84550

SWITCH ASSY, PARKING BRAKE

84727

SWITCH, SHIFT LOCK CONTROL

85910C

RELAY ASSY (FOR HEATER BLOWER MOTOR)

85916

RELAY, LIGHT CONTROL

85933

COMPUTER, SHIFT LOCK CONTROL

89730

COMPUTER ASSY, SECURITY WARNING

9165140612

Крепеж

9165140612

Крепеж

9165160612

Крепеж

9165160614

Крепеж

9331514012

Крепеж

Код

Описание

81980

FLASHER ASSY, TURN SIGNAL

82223E

WIRE, CLUTCH START SWITCH

82600F

FUSE, FUSE BLOCK

82600F

FUSE, FUSE BLOCK

82600F

FUSE, FUSE BLOCK

82671A

BLOCK, JUNCTION

84340

SWITCH ASSY, STOP LAMP

84520

SWITCH ASSY, CLUTCH START

85912

RELAY, DEFOGGER

85969

RELAY, LIGHT REMINDER

85991

RELAY, SEAT BELT WARNING

9412041000

Крепеж

Код

Описание

83320

GAGE ASSY, FUEL SENDER

84233

SWITCH ASSY, COURTESY LAMP (FOR FRONT DOOR)

84236

SWITCH ASSY, COURTESY LAMP(FOR LUGGAGE COMPARTMENT ROOM)

84903

SWITCH SUB-ASSY, DOOR UN-LOCK

84903

SWITCH SUB-ASSY, DOOR UN-LOCK

9016770001

Крепеж

9326915008

Крепеж

9331913006

Крепеж

> Запчасти PASEO > Поиск по каталогу

Купить

Ваше имя
Ваш телефон
Ваша электронная почта
Оставляя свои данные в форме, вы подтверждаете свое согласие с Политикой конфиденциальности