Каталог

Ближний Восток

Модель

NOAH

VIN

Дата

2010/04

Двигатель

2 литра, 16 клапанов, DOHC, EFI

Класс

S TYPE

Фрейм

ZRR70

КПП

автомат бесступенчатая АКПП

Опции

правый руль GENERAL COUNTRIES 499W

Проводка TOYOTA NOAH







Код

Описание

82111

WIRE, ENGINE ROOM MAIN

82112

WIRE, ENGINE ROOM, NO.2

82113

WIRE, ENGINE ROOM, NO.3

82114

WIRE, ENGINE ROOM, NO.4

82666L

HOLDER, CONNECTOR NO.9

82712A

SUPPORT, WIRING HARNESS

82712B

SUPPORT, WIRING HARNESS

82817

PROTECTOR, WIRING HARNESS, NO.1

82817A

PROTECTOR, WIRING HARNESS, NO.2

8401

переход к группе запчастей

8401

переход к группе запчастей

8401

переход к группе запчастей

8401

переход к группе запчастей

8401

переход к группе запчастей

8401

переход к группе запчастей

8401

переход к группе запчастей

8401

переход к группе запчастей

8401

переход к группе запчастей

8401

переход к группе запчастей

8401

переход к группе запчастей

8401

переход к группе запчастей

8401

переход к группе запчастей

8401

переход к группе запчастей

8401

переход к группе запчастей

8401

переход к группе запчастей

9011906915

Крепеж

9011906915

Крепеж

9011906915

Крепеж

9011906915

Крепеж

9011906915

Крепеж

9011906952

Крепеж

Код

Описание

82121

WIRE, ENGINE

82123

WIRE, ENGINE, NO.3

82124

WIRE, ENGINE, NO.4

82823S

CAP, STARTER TERMINAL

82823T

CAP, ALTERNATOR TERMINAL

82824

CONNECTOR, WIRING HARNESS

9011906767

Крепеж

9011906915

Крепеж

9011906915

Крепеж

91621J0612

Крепеж

9167380612

Крепеж

9167380612

Крепеж

9415180600

Крепеж

Код

Описание

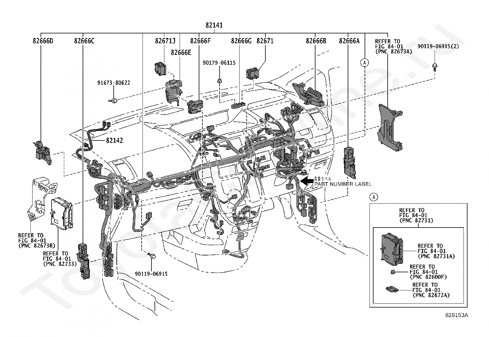
82141

WIRE, INSTRUMENT PANEL

82142

WIRE, INSTRUMENT PANEL, NO.2

82666A

HOLDER, CONNECTOR NO.2

82666B

HOLDER, CONNECTOR NO.3

82666C

HOLDER, CONNECTOR NO.4

82666D

HOLDER, CONNECTOR NO.5

82666E

HOLDER, CONNECTOR NO.6

82666F

HOLDER, CONNECTOR NO.7

82666G

HOLDER, CONNECTOR NO.8

82671

BLOCK, JUNCTION

82671J

BLOCK, JUNCTION, NO.2

8401

переход к группе запчастей

8401

переход к группе запчастей

8401

переход к группе запчастей

8401

переход к группе запчастей

8401

переход к группе запчастей

8401

переход к группе запчастей

8401

переход к группе запчастей

9011906915

Крепеж

9011906915

Крепеж

9017906115

Крепеж

9167380622

Крепеж

Код

Описание

82151

WIRE, FRONT DOOR, RH

82152

WIRE, FRONT DOOR, LH

82153A

WIRE, REAR DOOR, RH

82154A

WIRE, REAR DOOR, LH

82184

WIRE, BACK DOOR, NO.1

9010906196

Крепеж

9010906196

Крепеж

9011906915

Крепеж

9011906915

Крепеж

9011906923

Крепеж

9011906923

Крепеж

9155380612

Крепеж

9155380612

Крепеж

Код

Описание

8121

переход к группе запчастей

8121

переход к группе запчастей

8121

переход к группе запчастей

8121

переход к группе запчастей

82161

WIRE, FLOOR

82162

WIRE, FLOOR, NO.2

82169

WIRE FRAME, NO.3

82171

WIRE, ROOF, NO.1

82172

WIRE, ROOF, NO.2

8266628830

Крепеж

82666P

HOLDER, CONNECTOR NO.11

82666Q

HOLDER, CONNECTOR NO.12

82666S

HOLDER, CONNECTOR NO.13

82666T

HOLDER, CONNECTOR NO.14

82666V

HOLDER, CONNECTOR NO.15

82666W

HOLDER, CONNECTOR NO.16

82666X

HOLDER, CONNECTOR NO.17

82666Y

HOLDER, CONNECTOR NO.18

82666Z

HOLDER, CONNECTOR NO.19

82666Z

HOLDER, CONNECTOR NO.19

9011906915

Крепеж

9011906915

Крепеж

9167380620

Крепеж

Код

Описание

5211228080

Крепеж

827111E300

Крепеж

827113F230

Крепеж

8271512890

Крепеж

8271512A01

Крепеж

8271512A30

Крепеж

8271512F20

Крепеж

8271512L50

Крепеж

8271512R10

Крепеж

8271528K40

Крепеж

8271528K50

Крепеж

8271528K70

Крепеж

8271528L00

Крепеж

8271528L10

Крепеж

8271528L20

Крепеж

8271528L30

Крепеж

8271528L40

Крепеж

8271528L50

Крепеж

8271528L60

Крепеж

8271528L80

Крепеж

8271528L90

Крепеж

8271528M30

Крепеж

827153A060

Крепеж

827156A460

Крепеж

8272920150

Крепеж

9017906115

Крепеж

9017906115

Крепеж

9017906314

Крепеж

91553A0612

Крепеж

91621J0612

Крепеж

91621J0612

Крепеж

91621J0612

Крепеж

91621J0612

Крепеж

91621J0612

Крепеж

9167180612

Крепеж

9167180612

Крепеж

9167180616

Крепеж

9167180616

Крепеж

9167380612

Крепеж

9167380612

Крепеж

9167380616

Крепеж

9167380620

Крепеж

9167380820

Крепеж

9167380820

Крепеж

Код

Описание

8282460460

Крепеж

9098010797

Крепеж

9098010942

Крепеж

9098010988

Крепеж

9098010988

Крепеж

9098011016

Крепеж

9098011019

Крепеж

9098011019

Крепеж

9098011148

Крепеж

9098011148

Крепеж

9098011156

Крепеж

9098011659

Крепеж

9098011660

Крепеж

9098012349

Крепеж

Код

Описание

9098010619

Крепеж

9098010996

Крепеж

9098010997

Крепеж

9098011070

Крепеж

9098012460

Крепеж

9098012490

Крепеж

> Запчасти NOAH > Поиск по каталогу

Купить

Ваше имя
Ваш телефон
Ваша электронная почта
Оставляя свои данные в форме, вы подтверждаете свое согласие с Политикой конфиденциальности