Каталог

Европа

Модель

MR2

VIN

Дата

1987/08

Двигатель

1,6 литра, DOHC, EFI

Кузов

купе

Класс

GT TYPE

Фрейм

AW11

КПП

механика МКПП, 5 скоростей

Опции

правый руль Австралия

Круиз-контроль TOYOTA MR2




Код

Описание

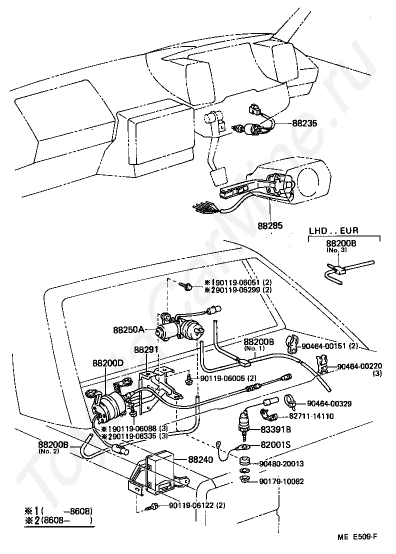
82001S

CABLE, BOND

8271114110

Крепеж

83391B

SWITCH, AUTO DRIVE VACUUM

88200B

HOSE, CRUISE CONTROL VACUUM

88200B

HOSE, CRUISE CONTROL VACUUM

88200B

HOSE, CRUISE CONTROL VACUUM

88200D

ACTUATOR ASSY, CRUISE CONTROL

88235

SWITCH ASSY, CRUISE CONTROL(AUTO DRIVE) RELEASE

88240

COMPUTER ASSY, CRUISE CONTROL

88250A

PUMP ASSY, CRUISE CONTROL

88285

SWITCH, CRUISE CONTROL

88291

BRACKET, CRUISE CONTROL(AUTO DRIVE), NO.1

9011906005

Крепеж

9011906051

Крепеж

9011906088

Крепеж

9011906122

Крепеж

9011906299

Крепеж

9011906335

Крепеж

9017910082

Крепеж

9046400151

Крепеж

9046400220

Крепеж

9046400329

Крепеж

9048020013

Крепеж

> Запчасти MR2 > Поиск по каталогу

Купить

Ваше имя
Ваш телефон
Ваша электронная почта
Оставляя свои данные в форме, вы подтверждаете свое согласие с Политикой конфиденциальности