Каталог

Япония

Модель

MARK 2

VIN

Дата

1984/11

Двигатель

2 литра, EFI

Кузов

фургон

Класс

LG TYPE

Фрейм

GX70

КПП

механика МКПП, 5 скоростей

Опции

электронная система впрыска топлива

Кондиционер: управление и воздуховод TOYOTA MARK 2







Код

Описание

55906A

CABLE SUB-ASSY, DEFROSTER DAMPER CONTROL

55907A

CABLE SUB-ASSY, WATER VALVE CONTROL

55908A

CABLE SUB-ASSY, AIR INLET DAMPER CONTROL

55909A

CABLE SUB-ASSY, AIRMIX DAMPER CONTROL

55910

CONTROL ASSY, HEATER OR BOOST VENTILATOR

5592220030

Крепеж

5593122030

Крепеж

55937

KNOB, HEATER CONTROL LEVER

55937

KNOB, HEATER CONTROL LEVER

55937

KNOB, HEATER CONTROL LEVER

55937

KNOB, HEATER CONTROL LEVER

8401

переход к группе запчастей

8401

переход к группе запчастей

87284

RESISTOR SUB-ASSY, VARIABLE

88648A

WIRING, COOLER

9020206013

Крепеж

9048025027

Крепеж

9052005006

Крепеж

9356614512

Крепеж

9356614512

Крепеж

9356755016

Крепеж

Код

Описание

55900

CONTROL ASSY, AIR CONDITIONER

55905A

KNOB, HEATER CONTROL

55905A

KNOB, HEATER CONTROL

55905A

KNOB, HEATER CONTROL

55909A

CABLE SUB-ASSY, AIRMIX DAMPER CONTROL

55910

CONTROL ASSY, HEATER OR BOOST VENTILATOR

55910B

BULB, HEATER CONTROL

55913A

PLATE, HEATER CONTROL LEVER GUIDE

55913A

PLATE, HEATER CONTROL LEVER GUIDE

55937

KNOB, HEATER CONTROL LEVER

55937

KNOB, HEATER CONTROL LEVER

8302

переход к группе запчастей

8302

переход к группе запчастей

8401

переход к группе запчастей

87284

RESISTOR SUB-ASSY, VARIABLE

9048025027

Крепеж

9356755016

Крепеж

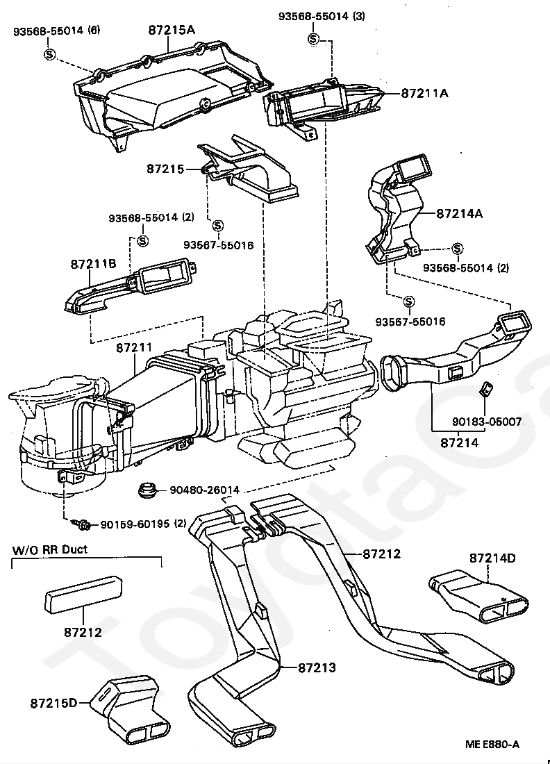
Код

Описание

87211

DUCT, AIR, NO.1

87211A

DUCT, AIR, NO.2

87211B

DUCT, AIR, NO.3

87212

DUCT, AIR, REAR NO.1

87212

DUCT, AIR, REAR NO.1

87213

DUCT, AIR, REAR NO.2

87214

DUCT, AIR, SIDE NO.1 RH

87214A

DUCT, AIR, SIDE NO.2 RH

87214D

DUCT, AIR, REAR NO.3

87215

DUCT, AIR, SIDE NO.1 LH

87215A

DUCT, AIR, SIDE NO.2 LH

87215D

DUCT, AIR, REAR NO.4

9015960195

Крепеж

9018305007

Крепеж

9048026014

Крепеж

9356755016

Крепеж

9356755016

Крепеж

9356855014

Крепеж

9356855014

Крепеж

9356855014

Крепеж

9356855014

Крепеж

Код

Описание

88625C

THERMISTOR, COOLER

88625C

THERMISTOR, COOLER

88625C

THERMISTOR, COOLER

88625C

THERMISTOR, COOLER

88894F

HOSE, AIR

9017906032

Крепеж

9018305094

Крепеж

9354015012

Крепеж

9356755016

Крепеж

> Запчасти MARK 2 > Поиск по каталогу

Купить

Ваше имя
Ваш телефон
Ваша электронная почта
Оставляя свои данные в форме, вы подтверждаете свое согласие с Политикой конфиденциальности