Каталог

Европа

Модель

LAND CRUISER

VIN

Дата

1980/08

Двигатель

4 литра, дизель

Кузов

STATION WAGON G TYPE

Фрейм

HJ60

КПП

механика МКПП, 4 ступени

Опции

правый руль STANDARD ROOF LIFT UP BACK DOOR дизель GENERAL COUNTRIES

Кондиционер: охлаждающая система TOYOTA LAND CRUISER







Код

Описание

8711614010

Крепеж

8848260010

Крепеж

8848260020

Крепеж

8848290A00

Крепеж

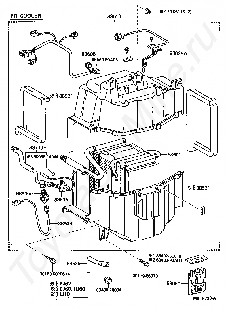
88501

EVAPORATOR SUB-ASSY, COOLER, NO.1

88510

UNIT ASSY, COOLER

88515

VALVE, COOLER EXPANSION

88539

HOSE, COOLER UNIT DRAIN, NO.1

8856912170

Крепеж

8856922150

Крепеж

8856922150

Крепеж

8856990A00

Крепеж

8856990A01

Крепеж

8856990A03

Крепеж

8857812100

Крепеж

88605

HARNESS SUB-ASSY, COOLER WIRING, NO.1

88625

THERMISTOR, COOLER, NO.1

88626A

HOLDER, THERMISTOR

88630

RELAY ASSY, COOLER

88645G

SWITCH, PRESSURE

88649

WIRING, COOLER, NO.2

88650

AMPLIFIER ASSY, COOLER STABILIZER

88716F

PIPE, COOLER REFRIGERANT LIQUID, F

9004464009

Крепеж

9009300610

Крепеж

9009900930

Крепеж

9009900930

Крепеж

9017906115

Крепеж

9020106155

Крепеж

9020106155

Крепеж

9048026004

Крепеж

9056112001

Крепеж

9165606301

Крепеж

9338116030

Крепеж

9359016035

Крепеж

Код

Описание

8848260010

Крепеж

8848290A00

Крепеж

88501

EVAPORATOR SUB-ASSY, COOLER, NO.1

88510

UNIT ASSY, COOLER

88515

VALVE, COOLER EXPANSION

88521

CASE, COOLER UNIT

88521

CASE, COOLER UNIT

88539

HOSE, COOLER UNIT DRAIN, NO.1

8856990A03

Крепеж

88605

HARNESS SUB-ASSY, COOLER WIRING, NO.1

88626A

HOLDER, THERMISTOR

88645G

SWITCH, PRESSURE

88649

WIRING, COOLER, NO.2

88650

AMPLIFIER ASSY, COOLER STABILIZER

88716F

PIPE, COOLER REFRIGERANT LIQUID, F

9009914044

Крепеж

9011906373

Крепеж

9015960195

Крепеж

9017906115

Крепеж

9048026004

Крепеж

Код

Описание

88306

MOTOR SUB-ASSY, COOLER BLOWER, NO.1

88361

FAN, COOLER BLOWER, NO.1

88501

EVAPORATOR SUB-ASSY, COOLER, NO.1

88510

UNIT ASSY, COOLER

88515

VALVE, COOLER EXPANSION

88521

CASE, COOLER UNIT

88539

HOSE, COOLER UNIT DRAIN, NO.1

88568

FILTER, COOLER UNIT COVER

88605

HARNESS SUB-ASSY, COOLER WIRING, NO.1

88625

THERMISTOR, COOLER, NO.1

88635

RESISTOR, COOLER UNIT BLOWER

8865390A00

Крепеж

88690

VALVE ASSY, COOLER MAGNET

88716F

PIPE, COOLER REFRIGERANT LIQUID, F

88716G

PIPE, COOLER REFRIGERANT LIQUID, G

88717F

PIPE, COOLER REFRIGERANT SUCTION, F

9166540616

Крепеж

Код

Описание

88306

MOTOR SUB-ASSY, COOLER BLOWER, NO.1

88361

FAN, COOLER BLOWER, NO.1

88501

EVAPORATOR SUB-ASSY, COOLER, NO.1

88515

VALVE, COOLER EXPANSION

88520

BOX ASSY, COOLING

88521

CASE, COOLER UNIT

88522

DOOR, COOLING UNIT

88529

TRAY, COOLING BOX

88539

HOSE, COOLER UNIT DRAIN, NO.1

88605

HARNESS SUB-ASSY, COOLER WIRING, NO.1

88610

SWITCH ASSY, COOLER CONTROL

88625

THERMISTOR, COOLER, NO.1

88650

AMPLIFIER ASSY, COOLER STABILIZER

8868890A01

Крепеж

88688T

BRACKET (FOR COOL BOX)

88716F

PIPE, COOLER REFRIGERANT LIQUID, F

88717F

PIPE, COOLER REFRIGERANT SUCTION, F

9015980127

Крепеж

9015980127

Крепеж

9165141016

Крепеж

> Запчасти CRUISER > Поиск по каталогу

Купить

Ваше имя
Ваш телефон
Ваша электронная почта
Оставляя свои данные в форме, вы подтверждаете свое согласие с Политикой конфиденциальности