Каталог

Европа

Модель

LAND CRUISER 100

VIN

Дата

1998/01

Двигатель

4,2 литра, турбо-дизель

Класс

VX TYPE

Фрейм

HDJ100

КПП

механика МКПП, 5 скоростей

Опции

левый руль

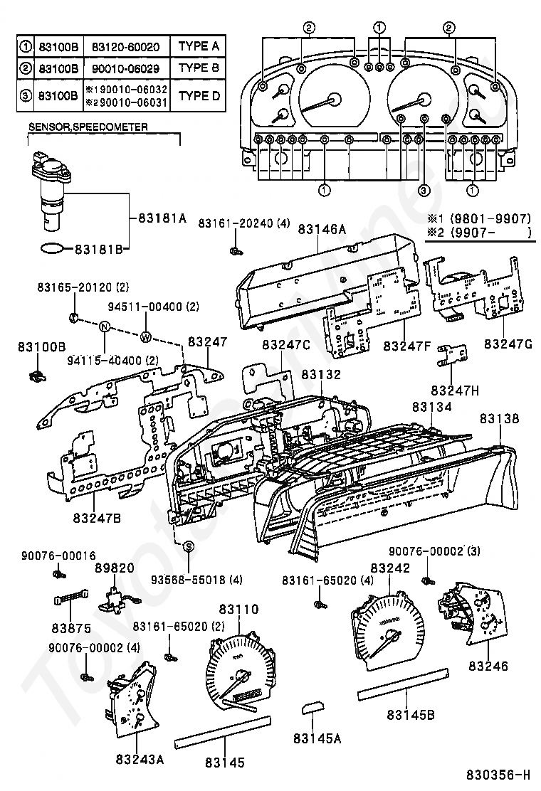
Спидометр TOYOTA LAND CRUISER 100







Код

Описание

83100B

BULB, COMBINATION METER, NO.1

83110

SPEEDOMETER ASSY

83132

CASE, COMBINATION METER

83134

COVER, COMBINATION METER, NO.1

83138

GLASS, SPEEDOMETER

83145

LENS, METER, NO.1

83145A

LENS, METER, NO.2

83145B

LENS, METER, NO.3

83146A

COVER, SPEEDMETER

8316120240

Крепеж

8316165020

Крепеж

8316165020

Крепеж

8316520120

Крепеж

83181A

SENSOR, SPEEDOMETER

83181B

RING, O (FOR SPEEDOMETER SENSOR)

83242

TACHOMETER ASSY, ENGINE

83243A

GAUGE SUB-ASSY, FUEL RECEIVER

83246

GAUGE, OIL PRESSURE RECEIVER

83247

PLATE, METER CIRCUIT

83247B

PLATE, METER CIRCUIT, NO.2

83247C

PLATE, MATER CIRCUIT, NO.3

83247F

PLATE, METER CIRCUIT, NO.1 (FOR COMPUTER)

83247G

PLATE, METER CIRCUIT, NO.2 (FOR COMPUTER)

83247H

PLATE, METER CIRCUIT, NO.5

83875

WIRE, COMBINATION METER, NO.1

89820

SENSOR ASSY, INCLINATION

9007600002

Крепеж

9007600002

Крепеж

9007600016

Крепеж

9356855018

Крепеж

9411540400

Крепеж

9451100400

Крепеж

Код

Описание

83100B

BULB, COMBINATION METER, NO.1

83102

PLATE SUB-ASSY, COMBINATION METER CIRCUIT, NO.1

83110

SPEEDOMETER ASSY

83132

CASE, COMBINATION METER

83133

PLATE, COMBINATION METER, NO.1

83133A

PLATE, COMBINATION METER, NO.2

83134

COVER, COMBINATION METER, NO.1

83134B

COVER, COMBINATION METER, NO.2

83138

GLASS, SPEEDOMETER

83145

LENS, METER, NO.1

83145B

LENS, METER, NO.3

83145C

LENS, METER, NO.4

83145D

LENS, METER, NO.5

83145E

LENS, METER, NO.6

83145F

LENS, METER, NO.7

8316116020

Крепеж

83181A

SENSOR, SPEEDOMETER

83181B

RING, O (FOR SPEEDOMETER SENSOR)

83242

TACHOMETER ASSY, ENGINE

83247

PLATE, METER CIRCUIT

83247B

PLATE, METER CIRCUIT, NO.2

83247C

PLATE, MATER CIRCUIT, NO.3

83247E

PLATE, MATER CIRCUIT, NO.4

83247H

PLATE, METER CIRCUIT, NO.5

89820

SENSOR ASSY, INCLINATION

9007600002

Крепеж

9007600002

Крепеж

9007600002

Крепеж

9007600002

Крепеж

9007600002

Крепеж

9007600002

Крепеж

9007600002

Крепеж

9356013016

Крепеж

9356013016

Крепеж

9356855018

Крепеж

9356855018

Крепеж

Код

Описание

83100

METER ASSY, COMBINATION

83100B

BULB, COMBINATION METER, NO.1

83100B

BULB, COMBINATION METER, NO.1

83134

COVER, COMBINATION METER, NO.1

83138

GLASS, SPEEDOMETER

8316120240

Крепеж

83847

CUSHION, COMBINATION SPEEDOMETER, NO.1

83847A

CUSHION, COMBINATION SPEEDMETER

89820

SENSOR ASSY, INCLINATION

9007600002

Крепеж

9007600002

Крепеж

9356855018

Крепеж

Код

Описание

83100

METER ASSY, COMBINATION

83100B

BULB, COMBINATION METER, NO.1

83100B

BULB, COMBINATION METER, NO.1

83134

COVER, COMBINATION METER, NO.1

83138

GLASS, SPEEDOMETER

8316120240

Крепеж

83847

CUSHION, COMBINATION SPEEDOMETER, NO.1

83847A

CUSHION, COMBINATION SPEEDMETER

89820

SENSOR ASSY, INCLINATION

9007600002

Крепеж

9007600002

Крепеж

9356855018

Крепеж

Код

Описание

3304

переход к группе запчастей

3505

переход к группе запчастей

83181A

SENSOR, SPEEDOMETER

83181B

RING, O (FOR SPEEDOMETER SENSOR)

> Запчасти CRUISER > Поиск по каталогу

Купить

Ваше имя
Ваш телефон
Ваша электронная почта
Оставляя свои данные в форме, вы подтверждаете свое согласие с Политикой конфиденциальности