Каталог

Япония

Модель

LAND CRUISER

VIN

Дата

2021/07

Двигатель

3300CC 24-VALVE DOHC

Класс

GR SPORT TYPE

Фрейм

FJA300

Опции

5-местный система впрыска дизельного топлива (низкое загрязнение) 810W

Воздушный фильтр TOYOTA LAND CRUISER







Код

Описание

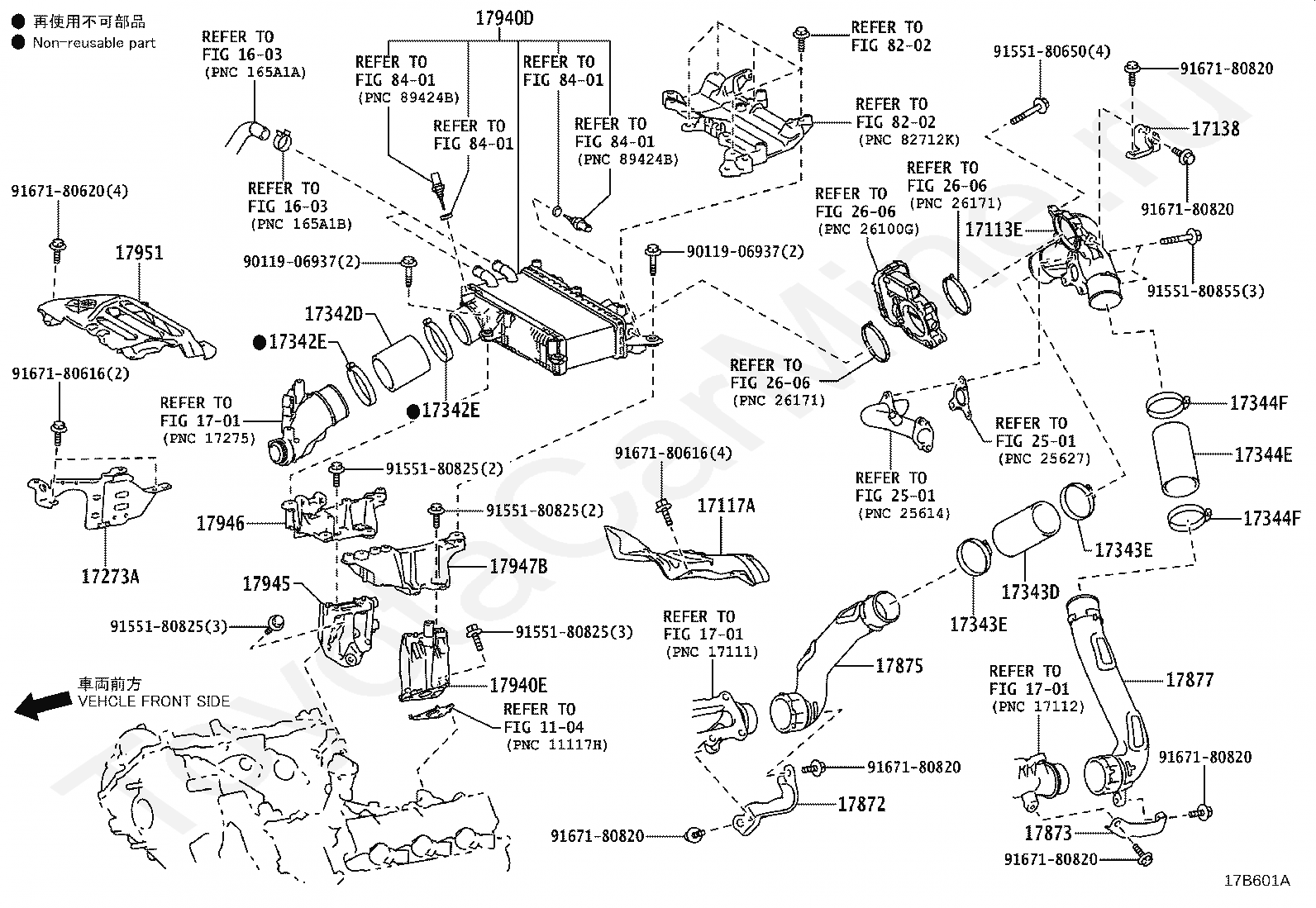
1701

переход к группе запчастей

17700

CLEANER ASSY, AIR

17701

CASE SUB-ASSY, AIR CLEANER

17709

INLET SUB-ASSY, AIR CLEANER

17735

CAP, AIR CLEANER

17765

STAY, AIR CLEANER, NO.1

17769

SUPPORT, AIR CLEANER

17801

ELEMENT SUB-ASSY, AIR CLEANER FILTER

17805

CONNECTOR SUB-ASSY, INTAKE AIR

17881

HOSE, AIR CLEANER, NO.1

17881A

CLAMP(FOR AIR CLEANER HOSE, NO.1)

17881C

CLAMP(FOR AIR CLEANER HOSE, NO.1)

22204

METER SUB-ASSY, INTAKE AIR FLOW

9009900289

Крепеж

9011906953

Крепеж

9011906953

Крепеж

Код

Описание

1104

переход к группе запчастей

1603

переход к группе запчастей

1603

переход к группе запчастей

1701

переход к группе запчастей

1701

переход к группе запчастей

1701

переход к группе запчастей

17113E

PIPE, INTAKE, NO.1

17117A

INSULATOR, INTAKE PIPE

17138

STAY, INTAKE PIPE OR HOSE

17273A

STAY, TURBO INSULATOR

17342D

HOSE, AIR, NO.2

17342E

CLAMP OR CLIP(FOR AIR HOSE, NO.2)

17342E

CLAMP OR CLIP(FOR AIR HOSE, NO.2)

17343D

HOSE, AIR, NO.3

17343E

CLAMP, HOSE(FOR AIR HOSE, NO.3)

17343E

CLAMP, HOSE(FOR AIR HOSE, NO.3)

17344E

HOSE, AIR, NO.4

17344F

CLAMP, HOSE(FOR AIR HOSE, NO.4)

17344F

CLAMP, HOSE(FOR AIR HOSE, NO.4)

17872

BRACKET, INTAKE AIR CONNECTOR

17873

BRACKET, INTAKE AIR CONNECTOR, NO.2

17875

PIPE, INTAKE AIR CONNECTOR

17877

PIPE, INTAKE AIR CONNECTOR, NO.2

17940D

INTERCOOLER ASSY

17940E

BRACKET, INTERCOOLER SUPPORT

17945

BRACKET, INTERCOOLER SUPPORT

17946

BRACKET, INTERCOOLER SUPPORT, NO.2

17947B

BRACKET, INTERCOOLER SUPPORT, NO.3

17951

INSULATOR, INTERCOOLER

2501

переход к группе запчастей

2501

переход к группе запчастей

2606

переход к группе запчастей

2606

переход к группе запчастей

2606

переход к группе запчастей

8202

переход к группе запчастей

8202

переход к группе запчастей

8401

переход к группе запчастей

8401

переход к группе запчастей

8401

переход к группе запчастей

8401

переход к группе запчастей

9011906937

Крепеж

9011906937

Крепеж

9155180650

Крепеж

9155180825

Крепеж

9155180825

Крепеж

9155180825

Крепеж

9155180825

Крепеж

9155180855

Крепеж

9167180616

Крепеж

9167180616

Крепеж

9167180620

Крепеж

9167180820

Крепеж

9167180820

Крепеж

9167180820

Крепеж

9167180820

Крепеж

9167180820

Крепеж

9167180820

Крепеж

> Запчасти CRUISER > Поиск по каталогу

Купить

Ваше имя
Ваш телефон
Ваша электронная почта
Оставляя свои данные в форме, вы подтверждаете свое согласие с Политикой конфиденциальности