Каталог

Япония

Модель

LAND CRUISER S/T,H/T

VIN

Дата

1990/01

Двигатель

3,5 литра, дизель

Кузов

HARD TOP SERIES

Класс

STANDARD TYPE

Фрейм

PZJ70

КПП

механика

Опции

S TYPE легкий грузовик

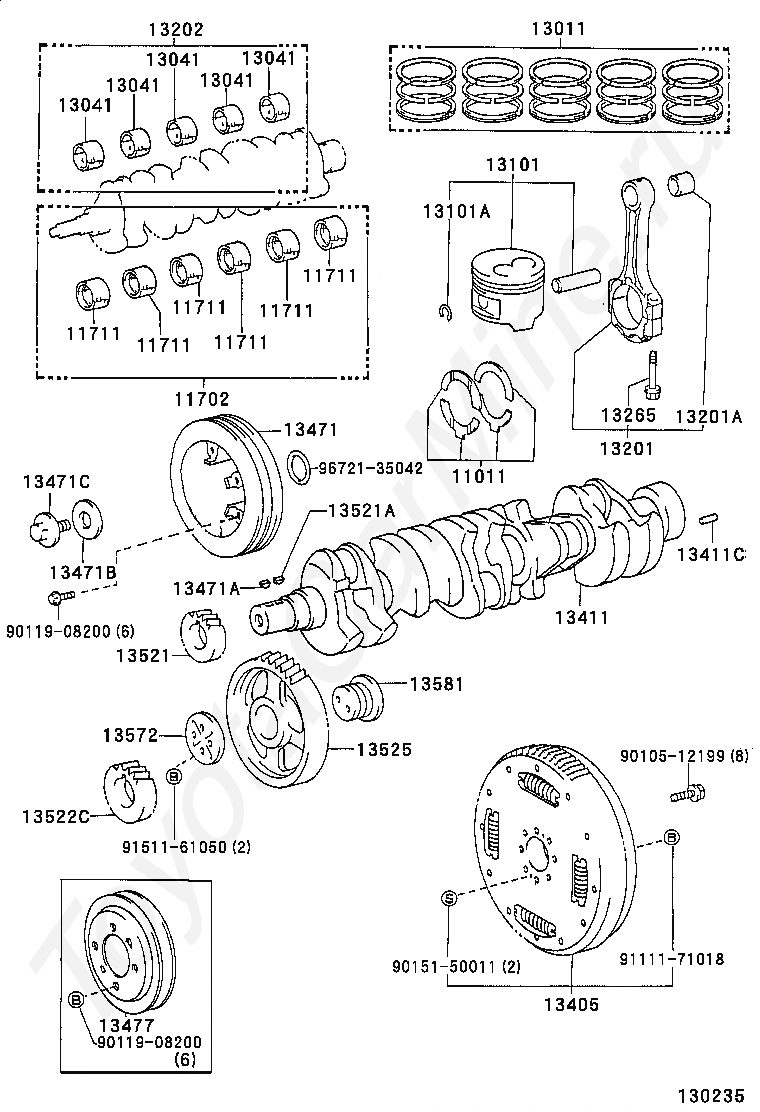
Коленвал и поршни TOYOTA LAND CRUISER S/T,H/T




Код

Описание

11011

WASHER SET, CRANKSHAFT THRUST

11702

BEARING SET, CRANKSHAFT

11711

BEARING, CRANKSHAFT

11711

BEARING, CRANKSHAFT

11711

BEARING, CRANKSHAFT

11711

BEARING, CRANKSHAFT

11711

BEARING, CRANKSHAFT

11711

BEARING, CRANKSHAFT

13011

RING SET, PISTON

13041

BEARING, CONNECTING ROD

13041

BEARING, CONNECTING ROD

13041

BEARING, CONNECTING ROD

13041

BEARING, CONNECTING ROD

13041

BEARING, CONNECTING ROD

13101

PISTON SUB-ASSY, W/PIN

13101A

RING, HOLE SNAP(FOR PISTON PIN)

13201

ROD SUB-ASSY, CONNECTING

13201A

BUSH(FOR CONNECTING ROD SMALL END)

13202

BEARING SET, CONNECTING ROD

13265

BOLT, CONNECTING ROD

13405

FLYWHEEL SUB-ASSY

13411

CRANKSHAFT

13411C

PIN, STRAIGHT(FOR CRANKSHAFT)

13471

PULLEY, CRANKSHAFT

13471A

KEY, CRANKSHAFT(FOR CRANKSHAFT PULLEY SET)

13471B

WASHER, PLATE(FOR CRANKSHAFT PULLEY SET)

13471C

BOLT(FOR CRANKSHAFT PULLEY SET)

13477

PULLEY, CRANKSHAFT, NO.2

13521

GEAR OR SPROCKET, CRANKSHAFT TIMING

13521A

KEY(FOR CRANKSHAFT TIMING GEAR)

13522C

GEAR, PUMP DRIVE SHAFT

13525

GEAR, IDLE, NO.1

13572

PLATE, IDLE GEAR THRUST

13581

SHAFT, IDLE GEAR, NO.1

9010512199

Крепеж

9011908200

Крепеж

9011908200

Крепеж

9015150011

Крепеж

9111171018

Крепеж

9151161050

Крепеж

9672135042

Крепеж

> Запчасти CRUISER > Поиск по каталогу

Купить

Ваше имя
Ваш телефон
Ваша электронная почта
Оставляя свои данные в форме, вы подтверждаете свое согласие с Политикой конфиденциальности