Каталог

Европа

Модель

HILUX

VIN

Дата

1979/01

Двигатель

1,6 литра

Кузов

DOUBLE CAB TRUCK

Класс

STANDARD TYPE

Фрейм

RN40

КПП

МКПП, 4 ступени, на руле

Опции

правый руль GENERAL COUNTRIES ENLARGE CAB COMPLETED VEHICLE

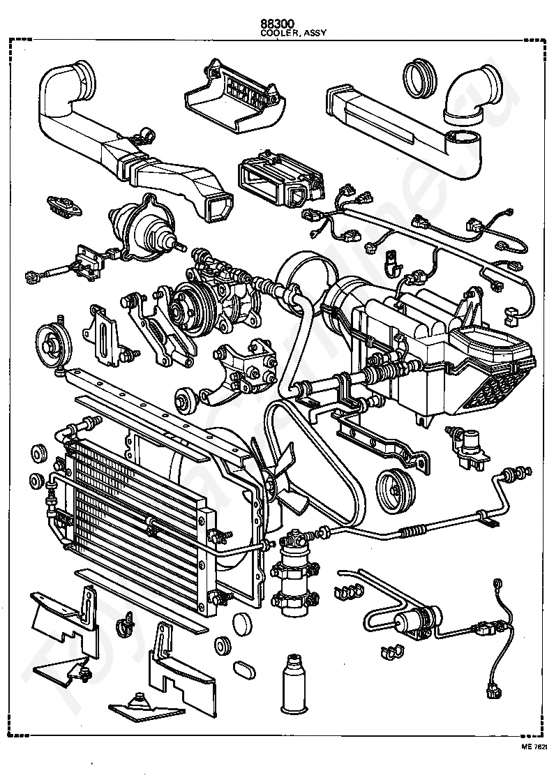
Кондиционер в сборе TOYOTA HILUX




Код

Описание

88300

COOLER & ACCESSORY ASSY

> Запчасти HILUX > Поиск по каталогу

Купить

Ваше имя
Ваш телефон
Ваша электронная почта
Оставляя свои данные в форме, вы подтверждаете свое согласие с Политикой конфиденциальности