Каталог

Европа

Модель

HILUX

VIN

Дата

1997/08

Двигатель

2,4 литра, дизель

Класс

DELUX SPECIFICATION

Фрейм

LN145

КПП

механика

Опции

правый руль SINGLE CARBURETOR:SINGLE CAB COMPLETED VEHICLE

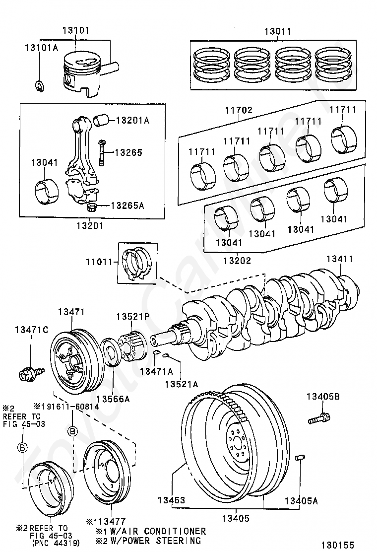
Коленвал и поршни TOYOTA HILUX




Код

Описание

11011

WASHER SET, CRANKSHAFT THRUST

11702

BEARING SET, CRANKSHAFT

11711

BEARING, CRANKSHAFT

11711

BEARING, CRANKSHAFT

11711

BEARING, CRANKSHAFT

11711

BEARING, CRANKSHAFT

11711

BEARING, CRANKSHAFT

13011

RING SET, PISTON

13041

BEARING, CONNECTING ROD

13041

BEARING, CONNECTING ROD

13041

BEARING, CONNECTING ROD

13041

BEARING, CONNECTING ROD

13041

BEARING, CONNECTING ROD

13101

PISTON SUB-ASSY, W/PIN

13101A

RING, HOLE SNAP(FOR PISTON PIN)

13201

ROD SUB-ASSY, CONNECTING

13201A

BUSH(FOR CONNECTING ROD SMALL END)

13202

BEARING SET, CONNECTING ROD

13265

BOLT, CONNECTING ROD

13265A

NUT, HEXAGON(FOR CONNECTING ROD BOLT)

13405

FLYWHEEL SUB-ASSY

13405A

PIN, STRAIGHT(FOR FLYWHEEL)

13405B

BOLT, FLYWHEEL SETTING

13411

CRANKSHAFT

13453

GEAR, FLYWHEEL RING

13471

PULLEY, CRANKSHAFT

13471A

KEY, CRANKSHAFT(FOR CRANKSHAFT PULLEY SET)

13471C

BOLT(FOR CRANKSHAFT PULLEY SET)

13477

PULLEY, CRANKSHAFT, NO.2

13521A

KEY(FOR CRANKSHAFT TIMING GEAR)

13521P

PULLEY, CRANKSHAFT TIMING

13566A

GUIDE, TIMING BELT

4503

переход к группе запчастей

4503

переход к группе запчастей

9161160814

Крепеж

> Запчасти HILUX > Поиск по каталогу

Купить

Ваше имя
Ваш телефон
Ваша электронная почта
Оставляя свои данные в форме, вы подтверждаете свое согласие с Политикой конфиденциальности