Каталог

Ближний Восток

Модель

HILUX

VIN

Дата

1997/08

Двигатель

2,7 литра, CBR, DOHC

Класс

DELUX SPECIFICATION

Фрейм

RZN149

КПП

механика

Опции

левый руль DOOR CONTROL BATTERY STANDARD CARBURETOR SPECIFICATION GENERAL COUNTRIES COMPLETED VEHICLE

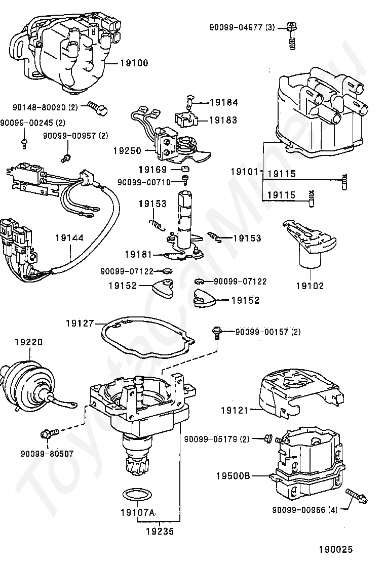
Распределитель TOYOTA HILUX




Код

Описание

19100

DISTRIBUTOR ASSY

19101

CAP SUB-ASSY, DISTRIBUTOR

19102

ROTOR SUB-ASSY, DISTRIBUTOR

19107A

RING, O, DISTRIBUTOR HOUSING

19115

PIECE, DISTRIBUTOR CAP, CENTER

19115

PIECE, DISTRIBUTOR CAP, CENTER

19121

COVER, DUST PROOF

19127

PACKING, DUST PROOF

19144

LEAD, DISTRIBUTOR BREAKER

19152

WEIGHT, GOVERNOR

19152

WEIGHT, GOVERNOR

19153

SPRING, GOVERNOR, A

19153

SPRING, GOVERNOR, A

19169

STOPPER, CAM GREASE

19181

ROTOR, DISTRIBUTOR, SIGNAL

19183

ROTOR, SIGNAL

19184

SPRING, ROTOR SET

19220

ADVANCER ASSY, VACUUM, DISTRIBUTOR

19235

HOUSING, DISTRIBUTOR

19250

GENERATOR ASSY, SIGNAL

19500B

COIL ASSY, IGNITION

9009900157

Крепеж

9009900245

Крепеж

9009900710

Крепеж

9009900957

Крепеж

9009900966

Крепеж

9009904977

Крепеж

9009905179

Крепеж

9009907122

Крепеж

9009907122

Крепеж

9009980507

Крепеж

9014880020

Крепеж

> Запчасти HILUX > Поиск по каталогу

Купить

Ваше имя
Ваш телефон
Ваша электронная почта
Оставляя свои данные в форме, вы подтверждаете свое согласие с Политикой конфиденциальности