Каталог

Япония

Модель

HILUX SURF

VIN

Дата

2004/08

Двигатель

2,7 литра, 16 клапанов, DOHC, EFI

Класс

SSR-X TYPE

Фрейм

TRN215

КПП

автомат АКПП, 4 ступени

Опции

5 дверей электронная система впрыска топлива 243W

Коробка АКП TOYOTA HILUX SURF




Код

Описание

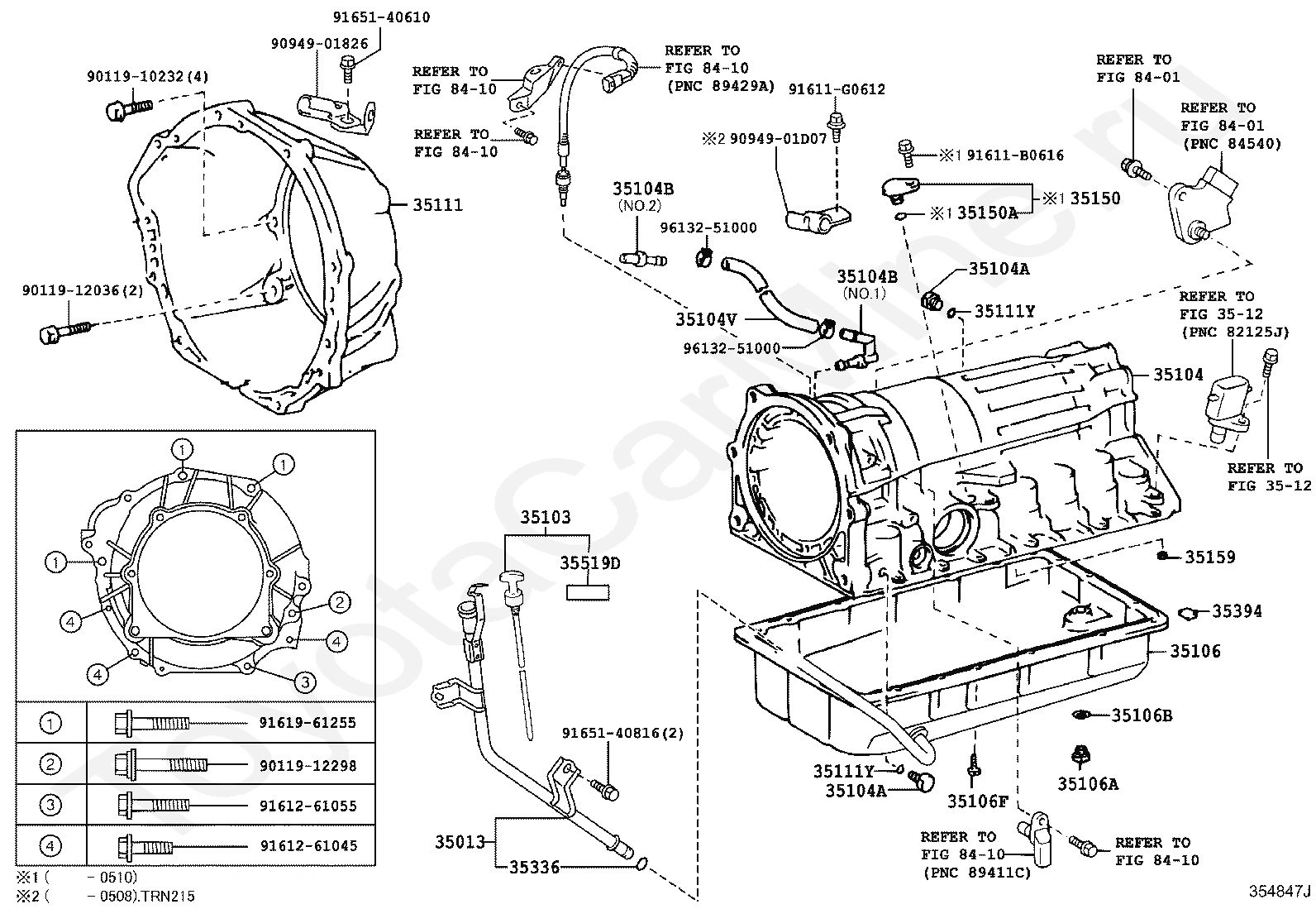
35013

TUBE SUB-ASSY, TRANSMISSION OIL FILLER

35103

GAGE SUB-ASSY, TRANSMISSION OIL LEVEL

35104

CASE SUB-ASSY, AUTOMATIC TRANSMISSION

35104A

PLUG, AUTOMATIC TRANSMISSION CASE

35104A

PLUG, AUTOMATIC TRANSMISSION CASE

35104B

PLUG, BREATHER, NO.1 (ATM)

35104B

PLUG, BREATHER, NO.1 (ATM)

35104V

HOSE (FOR BREATHER PLUG)

35106

PAN SUB-ASSY, AUTOMATIC TRANSMISSION OIL

35106A

PLUG SUB-ASSY, DRAIN (ATM)

35106B

GASKET, DRAIN PLUG (ATM)

35106F

BOLT (FOR AUTOMATIC TRANSMISSION OIL PAN)

35111

HOUSING, AUTOMATIC TRANSMISSION

35111Y

RING, O (FOR AUTOMATIC TRANSMISSION CASE)

35111Y

RING, O (FOR AUTOMATIC TRANSMISSION CASE)

3512

переход к группе запчастей

3512

переход к группе запчастей

35150

PLUG ASSY, TRANSMISSION CASE

35150A

RING, O (FOR AUTOMATIC TRANSMISSION CASE PLUG)

35159

GASKET, BRAKE DRUM

35336

RING, O (FOR TRANSMISSION OIL FILLER TUBE)

35394

MAGNET, OIL CLEANER (FOR TRANSMISSION)

35519D

LABEL, AUTOMATIC TRANSMISSION INFORMATION

8401

переход к группе запчастей

8401

переход к группе запчастей

8410

переход к группе запчастей

8410

переход к группе запчастей

8410

переход к группе запчастей

8410

переход к группе запчастей

8410

переход к группе запчастей

9011910232

Крепеж

9011912036

Крепеж

9011912298

Крепеж

9094901826

Крепеж

9094901D07

Крепеж

91611B0616

Крепеж

91611G0612

Крепеж

9161261045

Крепеж

9161261055

Крепеж

9161961255

Крепеж

9165140610

Крепеж

9165140816

Крепеж

9613251000

Крепеж

9613251000

Крепеж

> Запчасти HILUX > Поиск по каталогу

Купить

Ваше имя
Ваш телефон
Ваша электронная почта
Оставляя свои данные в форме, вы подтверждаете свое согласие с Политикой конфиденциальности