Каталог

Ближний Восток

Модель

HILUX

VIN

Дата

2002/09

Двигатель

2,8 литра, дизель

Класс

DELUX SPECIFICATION

Фрейм

LN166

КПП

механика

Опции

правый руль SINGLE CARBURETOR:SINGLE CAB дизель Малайзия COMPLETED VEHICLE

Кондиционер: управление и воздуховод TOYOTA HILUX







Код

Описание

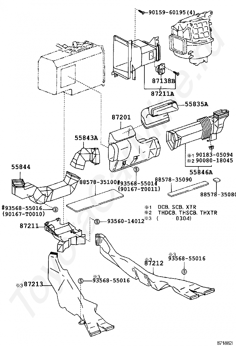
55519

PLATE, HEATER CONTROL NAME

55905A

KNOB, HEATER CONTROL

55905A

KNOB, HEATER CONTROL

55905A

KNOB, HEATER CONTROL

55905A

KNOB, HEATER CONTROL

55906A

CABLE SUB-ASSY, DEFROSTER DAMPER CONTROL

55908A

CABLE SUB-ASSY, AIR INLET DAMPER CONTROL

55909A

CABLE SUB-ASSY, AIRMIX DAMPER CONTROL

55910

CONTROL ASSY, HEATER OR BOOST VENTILATOR

8401

переход к группе запчастей

87284

RESISTOR SUB-ASSY, VARIABLE

9046709043

Крепеж

9356854512

Крепеж

9356855016

Крепеж

Код

Описание

55835A

DUCT, HEATER TO REGISTER, CENTER

55843A

DUCT, HEATER TO REGISTER, NO.1

55844

DUCT, HEATER TO REGISTER, NO.2

55846A

DUCT, HEATER TO REGISTER, NO.4

87138B

RESISTOR, HEATER BLOWER

87201

DUCT SUB-ASSY, AIR, NO.1

87211

DUCT, AIR, NO.1

87211A

DUCT, AIR, NO.2

87212

DUCT, AIR, REAR NO.1

87213

DUCT, AIR, REAR NO.2

8857835080

Крепеж

8857835090

Крепеж

8857835100

Крепеж

9008018045

Крепеж

9015960195

Крепеж

90167T0010

Крепеж

90167T0011

Крепеж

9018305094

Крепеж

9356014012

Крепеж

9356855014

Крепеж

9356855016

Крепеж

9356855016

Крепеж

9356855016

Крепеж

> Запчасти HILUX > Поиск по каталогу

Купить

Ваше имя
Ваш телефон
Ваша электронная почта
Оставляя свои данные в форме, вы подтверждаете свое согласие с Политикой конфиденциальности