Каталог

Ближний Восток

Модель

HILUX/4RUNNER (4WD)

VIN

Дата

1989/08

Двигатель

2,8 литра, дизель

Кузов

фургон

Класс

DELUX SPECIFICATION

Фрейм

LN130

КПП

механика МКПП, 5 скоростей

Опции

правый руль 4 двери дизель Австралия COMPLETED VEHICLE

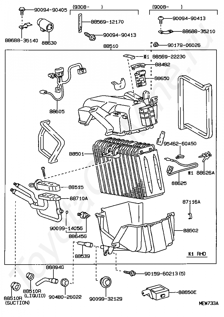
Кондиционер: охлаждающая система TOYOTA HILUX/4RUNNER (4WD)







Код

Описание

87116A

SPRING, HOLDING (FOR COOLER UNIT CASE)

88482

CAP, COOLER

88501

EVAPORATOR SUB-ASSY, COOLER, NO.1

88502

CASE SUB-ASSY, COOLING UNIT

88510

UNIT ASSY, COOLER

88510R

GROMMET (FOR COOLER UNIT)

88510R

GROMMET (FOR COOLER UNIT)

88515

VALVE, COOLER EXPANSION

88539

HOSE, COOLER UNIT DRAIN, NO.1

8856912170

Крепеж

8856922230

Крепеж

88605

HARNESS SUB-ASSY, COOLER WIRING, NO.1

88625

THERMISTOR, COOLER, NO.1

88626A

HOLDER, THERMISTOR

88630

RELAY ASSY, COOLER

88645G

SWITCH, PRESSURE

88650

AMPLIFIER ASSY, COOLER STABILIZER

88650E

AMPLIFIER ASSY, AIR CONDITIONER, NO.1

8868835140

Крепеж

8868835210

Крепеж

88710A

TUBE ASSY, AIR CONDITIONER

88894G

CONNECTOR, DRAIN HOSE

9009490405

Крепеж

9009490413

Крепеж

9009490413

Крепеж

9009914056

Крепеж

9009932129

Крепеж

9015960213

Крепеж

9017906026

Крепеж

9048026022

Крепеж

9546260A50

Крепеж

Код

Описание

9009914044

Крепеж

9009914045

Крепеж

9009914046

Крепеж

9009914056

Крепеж

9009914119

Крепеж

9009914120

Крепеж

9009914121

Крепеж

9009914122

Крепеж

> Запчасти HILUX > Поиск по каталогу

Купить

Ваше имя
Ваш телефон
Ваша электронная почта
Оставляя свои данные в форме, вы подтверждаете свое согласие с Политикой конфиденциальности