Каталог

Япония

Модель

HIACE/REGIUSACE

VIN

Дата

1989/08

Двигатель

2 литра

Кузов

V1 SPECIFICATION: VAN (STANDARD)

Класс

GL SPECIFICATION

Фрейм

RZH102

КПП

АКПП, 4 ступени

Опции

STANDARD ROOF 5 дверей боковое стекло 6-местный 1000KCBR 2WD

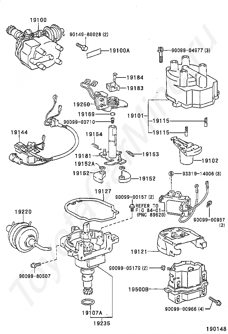
Распределитель TOYOTA HIACE/REGIUSACE




Код

Описание

19100

DISTRIBUTOR ASSY

19100A

TAPE, SEALING

19101

CAP SUB-ASSY, DISTRIBUTOR

19102

ROTOR SUB-ASSY, DISTRIBUTOR

19107A

RING, O, DISTRIBUTOR HOUSING

19115

PIECE, DISTRIBUTOR CAP, CENTER

19115

PIECE, DISTRIBUTOR CAP, CENTER

19121

COVER, DUST PROOF

19127

PACKING, DUST PROOF

19144

LEAD, DISTRIBUTOR BREAKER

19152

WEIGHT, GOVERNOR

19152

WEIGHT, GOVERNOR

19152A

RING, SNAP(FOR GOVERNOR WEIGHT)

19153

SPRING, GOVERNOR, A

19154

SPRING, GOVERNOR, B

19169

STOPPER, CAM GREASE

19181

ROTOR, DISTRIBUTOR, SIGNAL

19183

ROTOR, SIGNAL

19184

SPRING, ROTOR SET

19220

ADVANCER ASSY, VACUUM, DISTRIBUTOR

19235

HOUSING, DISTRIBUTOR

19250

GENERATOR ASSY, SIGNAL

19500B

COIL ASSY, IGNITION

8401

переход к группе запчастей

9009900157

Крепеж

9009900710

Крепеж

9009900957

Крепеж

9009900966

Крепеж

9009904977

Крепеж

9009905179

Крепеж

9009980507

Крепеж

9014980028

Крепеж

9331914006

Крепеж

> Запчасти HIACE/REGIUSACE > Поиск по каталогу

Купить

Ваше имя
Ваш телефон
Ваша электронная почта
Оставляя свои данные в форме, вы подтверждаете свое согласие с Политикой конфиденциальности