Каталог

Япония

Модель

HIACE/REGIUSACE

VIN

Дата

1993/08

Двигатель

3 литра, турбо-дизель

Кузов

фургон

Класс

SUPER CUSTOM LIMITED SPECIFICATION

Фрейм

KZH100

КПП

АКПП, 4 ступени

Опции

MIDDLE ROOF 4 двери боковое стекло 7-местный TDE 2WD

Коробка АКП TOYOTA HIACE/REGIUSACE




Код

Описание

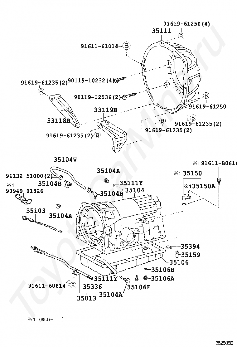
33118B

PLATE, STIFFENER, RH(ATM)

33119B

PLATE, STIFFENER, LH(ATM)

35013

TUBE SUB-ASSY, TRANSMISSION OIL FILLER

35103

GAGE SUB-ASSY, TRANSMISSION OIL LEVEL

35104

CASE SUB-ASSY, AUTOMATIC TRANSMISSION

35104A

PLUG, AUTOMATIC TRANSMISSION CASE

35104A

PLUG, AUTOMATIC TRANSMISSION CASE

35104A

PLUG, AUTOMATIC TRANSMISSION CASE

35104B

PLUG, BREATHER, NO.1 (ATM)

35104B

PLUG, BREATHER, NO.1 (ATM)

35104V

HOSE (FOR BREATHER PLUG)

35106

PAN SUB-ASSY, AUTOMATIC TRANSMISSION OIL

35106A

PLUG SUB-ASSY, DRAIN (ATM)

35106B

GASKET, DRAIN PLUG (ATM)

35106F

BOLT (FOR AUTOMATIC TRANSMISSION OIL PAN)

35111

HOUSING, AUTOMATIC TRANSMISSION

35111Y

RING, O (FOR AUTOMATIC TRANSMISSION CASE)

35111Y

RING, O (FOR AUTOMATIC TRANSMISSION CASE)

35150

PLUG ASSY, TRANSMISSION CASE

35150A

RING, O (FOR AUTOMATIC TRANSMISSION CASE PLUG)

35159

GASKET, BRAKE DRUM

35336

RING, O (FOR TRANSMISSION OIL FILLER TUBE)

35394

MAGNET, OIL CLEANER (FOR TRANSMISSION)

9011910232

Крепеж

9011912036

Крепеж

9094901826

Крепеж

9161160814

Крепеж

9161161014

Крепеж

91611B0616

Крепеж

9161961235

Крепеж

9161961235

Крепеж

9161961235

Крепеж

9161961235

Крепеж

9161961250

Крепеж

9161961250

Крепеж

9613251000

Крепеж

> Запчасти HIACE/REGIUSACE > Поиск по каталогу

Купить

Ваше имя
Ваш телефон
Ваша электронная почта
Оставляя свои данные в форме, вы подтверждаете свое согласие с Политикой конфиденциальности