Каталог

Япония

Модель

ESTIMA HYBRID

VIN

Дата

2006/06

Двигатель

2,4 литра, 16 клапанов DOHC, EFI

Класс

GRAMS

Фрейм

AHR20

Опции

7-местный 341W

Инвертер TOYOTA ESTIMA HYBRID







Код

Описание

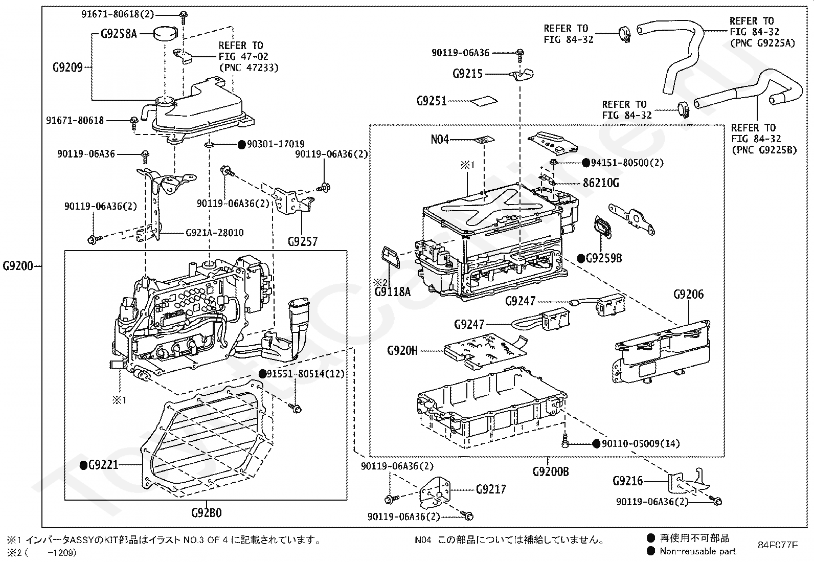
53795C

COVER, ENGINE ROOM, SIDE

53796B

COVER, ENGINE ROOM SIDE, LH NO.2

59553

REINFORCEMENT, INVERTER BOX, NO.1

6221713010

Крепеж

74417B

BRACKET, BATTERY CARRIER

9010508158

Крепеж

9011908C48

Крепеж

9011908C48

Крепеж

9011908C48

Крепеж

9011908C48

Крепеж

9011908C48

Крепеж

9011908C61

Крепеж

9017908184

Крепеж

9046712080

Крепеж

9155380612

Крепеж

9155380665

Крепеж

9167180816

Крепеж

G9031

BRACKET SUB-ASSY, HV WATER PUMP

G9214

BRACKET, INVERTER, NO.1

Код

Описание

4702

переход к группе запчастей

8432

переход к группе запчастей

8432

переход к группе запчастей

8432

переход к группе запчастей

8432

переход к группе запчастей

86210G

FUSE, HIGH VOLTAGE

9011005009

Крепеж

9011906A36

Крепеж

9011906A36

Крепеж

9011906A36

Крепеж

9011906A36

Крепеж

9011906A36

Крепеж

9011906A36

Крепеж

9011906A36

Крепеж

9011906A36

Крепеж

9030117019

Крепеж

9155180514

Крепеж

9167180618

Крепеж

9167180618

Крепеж

9415180500

Крепеж

G9118A

LABEL, HV MOTOR CONTROL INVERTER CAUTION

G9200

INVERTER ASSY, W/CONVERTER

G9200B

INVERTER ASSY, HV MOTOR CONTROL, FRONT

G9206

CONNECTOR SUB-ASSY, INVERTER W/SENSOR

G9209

TANK SUB-ASSY, INVERTER RESERVE

G920H

COMPUTER SUB-ASSY, MOTOR GENERATOR CONTROL

G9215

BRACKET, INVERTER, NO.2

G9216

BRACKET, INVERTER, NO.3

G9217

BRACKET, INVERTER, NO.4

G921A28010

Крепеж

G9221

COVER, INVERTER

G9247

SENSOR, INVERTER CURRENT, NO.1

G9247

SENSOR, INVERTER CURRENT, NO.1

G9251

SEAT, INVERTER NAME

G9257

BRACKET, INVERTER, NO.5

G9258A

CAP, INVERTER RESERVE TANK

G9259B

PLUG, INVERTER DRAIN

G92B0

INVERTER ASSY, HYBRID MOTOR CONTROL, REAR

Код

Описание

04899J

COMPUTER KIT, MOTOR GENERATOR CONTROL, REAR

04899K

SENSOR KIT, INVERTER CURRENT, REAR

Код

Описание

9010506097

Крепеж

9010506364

Крепеж

9011006031

Крепеж

9011906A36

Крепеж

9011906A36

Крепеж

9155180514

Крепеж

9155180514

Крепеж

9331913008

Крепеж

9331914008

Крепеж

> Запчасти ESTIMA HYBRID > Поиск по каталогу

Купить

Ваше имя
Ваш телефон
Ваша электронная почта
Оставляя свои данные в форме, вы подтверждаете свое согласие с Политикой конфиденциальности