Каталог

Япония

Модель

ESTIMA HYBRID

VIN

Дата

2006/06

Двигатель

2,4 литра, 16 клапанов DOHC, EFI

Класс

GRAMS

Фрейм

AHR20

Опции

7-местный 341W

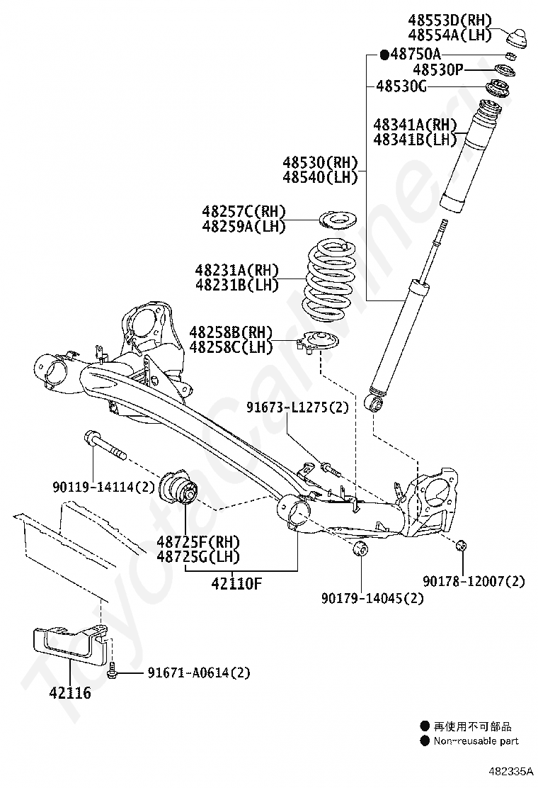
Задние амортизаторы TOYOTA ESTIMA HYBRID




Код

Описание

42110F

BEAM ASSY, REAR AXLE

42116

COVER, REAR AXLE BEAM

48231A

SPRING, COIL, REAR RH

48231B

SPRING, COIL, REAR LH

48257C

INSULATOR, REAR COIL SPRING, UPPER RH

48258B

INSULATOR, REAR COIL SPRING, LOWER RH

48258C

INSULATOR, REAR COIL SPRING, LOWER LH

48259A

INSULATOR, REAR COIL SPRING, UPPER LH

48341A

BUMPER, REAR SPRING, NO.1 RH

48341B

BUMPER, REAR SPRING, NO.1 LH

48530

ABSORBER ASSY, SHOCK, REAR RH

48530G

CUSHION, REAR SHOCK ABSORBER, NO.1

48530P

RETAINER, CUSHION, NO.2(FOR REAR SHOCK ABSORBER)

48540

ABSORBER ASSY, SHOCK, REAR LH

48553D

CAP, REAR SHOCK ABSORBER, RH

48554A

CAP, REAR SHOCK ABSORBER, LH

48725F

BUSH, REAR AXLE CARRIER, RH

48725G

BUSH, REAR AXLE CARRIER, LH

48750A

NUT(FOR REAR SUPPORT TO REAR SHOCK ABSORBER)

9011914114

Крепеж

9017812007

Крепеж

9017914045

Крепеж

91671A0614

Крепеж

91673L1275

Крепеж

> Запчасти ESTIMA HYBRID > Поиск по каталогу

Купить

Ваше имя
Ваш телефон
Ваша электронная почта
Оставляя свои данные в форме, вы подтверждаете свое согласие с Политикой конфиденциальности