Каталог

Япония

Модель

ESTIMA HYBRID

VIN

Дата

2006/06

Двигатель

2,4 литра, 16 клапанов DOHC, EFI

Класс

GRAMS

Фрейм

AHR20

Опции

7-местный 341W

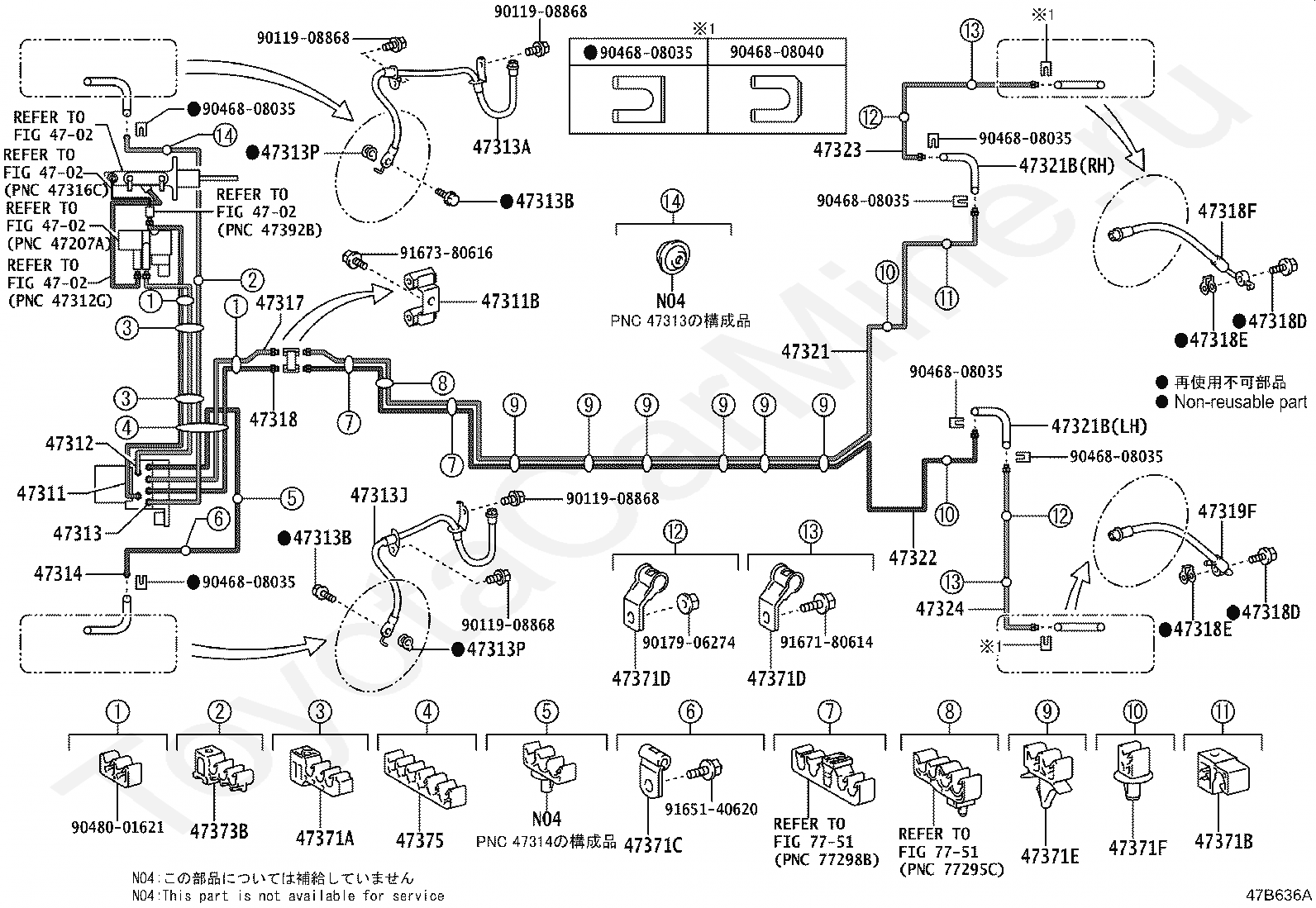
Тормозная магистраль TOYOTA ESTIMA HYBRID







Код

Описание

4702

переход к группе запчастей

4702

переход к группе запчастей

4702

переход к группе запчастей

47311

TUBE, FRONT BRAKE, NO.1

47311B

WAY, NO.1(FOR FRONT BRAKE TUBE)

47312

TUBE, FRONT BRAKE, NO.2

47313

TUBE, FRONT BRAKE, NO.3

47313A

HOSE, FLEXIBLE, NO.1(FOR FRONT)

47313B

BOLT, UNION(FOR FRONT FLEXIBLE HOSE)

47313B

BOLT, UNION(FOR FRONT FLEXIBLE HOSE)

47313J

HOSE, FLEXIBLE, NO.2(FOR FRONT)

47313P

GASKET(FOR FRONT FLEXIBLE HOSE)

47313P

GASKET(FOR FRONT FLEXIBLE HOSE)

47314

TUBE, FRONT BRAKE, NO.4

47317

TUBE, FRONT BRAKE, NO.7

47318

TUBE, FRONT BRAKE, NO.8

47318D

BOLT, UNION(FOR REAR FLEXIBLE HOSE)

47318D

BOLT, UNION(FOR REAR FLEXIBLE HOSE)

47318E

GASKET(FOR REAR FLEXIBLE HOSE)

47318E

GASKET(FOR REAR FLEXIBLE HOSE)

47318F

HOSE, FLEXIBLE(FOR REAR RH)

47319F

HOSE, FLEXIBLE(FOR REAR LH)

47321

TUBE, REAR BRAKE, NO.1

47321B

HOSE, FLEXIBLE(FOR REAR BRAKE TUBE)

47321B

HOSE, FLEXIBLE(FOR REAR BRAKE TUBE)

47322

TUBE, REAR BRAKE, NO.2

47323

TUBE, REAR BRAKE, NO.3

47324

TUBE, REAR BRAKE, NO.4

47371A

CLAMP, BRAKE TUBE, NO.1

47371B

CLAMP, BRAKE TUBE, NO.6

47371C

CLAMP, BRAKE TUBE, NO.7

47371D

CLAMP, BRAKE TUBE, NO.8

47371D

CLAMP, BRAKE TUBE, NO.8

47371E

CLAMP, BRAKE TUBE, NO.9

47371F

CLAMP, BRAKE TUBE, NO.10

47373B

CLAMP, BRAKE TUBE, NO.3

47375

CLAMP, BRAKE TUBE, NO.5

7751

переход к группе запчастей

7751

переход к группе запчастей

9011908868

Крепеж

9011908868

Крепеж

9011908868

Крепеж

9011908868

Крепеж

9017906274

Крепеж

9046808035

Крепеж

9046808035

Крепеж

9046808035

Крепеж

9046808035

Крепеж

9046808035

Крепеж

9046808035

Крепеж

9046808035

Крепеж

9046808035

Крепеж

9048001621

Крепеж

9165140620

Крепеж

9167180614

Крепеж

9167380616

Крепеж

Код

Описание

4702

переход к группе запчастей

4702

переход к группе запчастей

4702

переход к группе запчастей

4702

переход к группе запчастей

4702

переход к группе запчастей

47311

TUBE, FRONT BRAKE, NO.1

47311B

WAY, NO.1(FOR FRONT BRAKE TUBE)

47312

TUBE, FRONT BRAKE, NO.2

47313

TUBE, FRONT BRAKE, NO.3

47313A

HOSE, FLEXIBLE, NO.1(FOR FRONT)

47313B

BOLT, UNION(FOR FRONT FLEXIBLE HOSE)

47313B

BOLT, UNION(FOR FRONT FLEXIBLE HOSE)

47313J

HOSE, FLEXIBLE, NO.2(FOR FRONT)

47313P

GASKET(FOR FRONT FLEXIBLE HOSE)

47313P

GASKET(FOR FRONT FLEXIBLE HOSE)

47314

TUBE, FRONT BRAKE, NO.4

47317

TUBE, FRONT BRAKE, NO.7

47318

TUBE, FRONT BRAKE, NO.8

47318D

BOLT, UNION(FOR REAR FLEXIBLE HOSE)

47318D

BOLT, UNION(FOR REAR FLEXIBLE HOSE)

47318E

GASKET(FOR REAR FLEXIBLE HOSE)

47318E

GASKET(FOR REAR FLEXIBLE HOSE)

47318F

HOSE, FLEXIBLE(FOR REAR RH)

47319F

HOSE, FLEXIBLE(FOR REAR LH)

47321

TUBE, REAR BRAKE, NO.1

47321B

HOSE, FLEXIBLE(FOR REAR BRAKE TUBE)

47321B

HOSE, FLEXIBLE(FOR REAR BRAKE TUBE)

47322

TUBE, REAR BRAKE, NO.2

47323

TUBE, REAR BRAKE, NO.3

47324

TUBE, REAR BRAKE, NO.4

47371A

CLAMP, BRAKE TUBE, NO.1

47371B

CLAMP, BRAKE TUBE, NO.6

47371C

CLAMP, BRAKE TUBE, NO.7

47371D

CLAMP, BRAKE TUBE, NO.8

47371D

CLAMP, BRAKE TUBE, NO.8

47371E

CLAMP, BRAKE TUBE, NO.9

47371F

CLAMP, BRAKE TUBE, NO.10

47373B

CLAMP, BRAKE TUBE, NO.3

47375

CLAMP, BRAKE TUBE, NO.5

7751

переход к группе запчастей

7751

переход к группе запчастей

9011908868

Крепеж

9011908868

Крепеж

9011908868

Крепеж

9011908868

Крепеж

9017906274

Крепеж

9046808035

Крепеж

9046808035

Крепеж

9046808035

Крепеж

9046808035

Крепеж

9046808035

Крепеж

9046808035

Крепеж

9046808035

Крепеж

9046808040

Крепеж

9048001621

Крепеж

9165140620

Крепеж

9167180614

Крепеж

9167380616

Крепеж

Код

Описание

31478R

CAP, BLEEDER PLUG(FOR BRAKE ACTUATOR)

44510

ACTUATOR ASSY, BRAKE

44545D

HOLDER, BRAKE ACTUATOR BOLT

44545D

HOLDER, BRAKE ACTUATOR BOLT

44546A

CUSHION, BRAKE ACTUATOR BOLT

44546A

CUSHION, BRAKE ACTUATOR BOLT

44546A

CUSHION, BRAKE ACTUATOR BOLT

44590

BRACKET ASSY, BRAKE ACTUATOR

4702

переход к группе запчастей

4702

переход к группе запчастей

47547M

PLUG, BLEEDER(FOR BRAKE ACTUATOR)

47997

LABEL, BRAKE BOOSTER ACCUMLATOR CAUTION, NO.1

9009905277

Крепеж

9017906236

Крепеж

9017908249

Крепеж

9017908249

Крепеж

9017908249

Крепеж

> Запчасти ESTIMA HYBRID > Поиск по каталогу

Купить

Ваше имя
Ваш телефон
Ваша электронная почта
Оставляя свои данные в форме, вы подтверждаете свое согласие с Политикой конфиденциальности