Каталог

Япония

Модель

DYNA/TOYOACE

VIN

Дата

1989/10

Двигатель

3,7 литра, дизель

Кузов

TRUCK (EXCLUDING DUMP TRUCK)

Фрейм

BU72

КПП

МКПП, 5 скоростей

Опции

DYNA HIGH FLAT DECK OPENING ON THREE SIDES 3-местный DOUBLE TIRE 20T DSL CBU

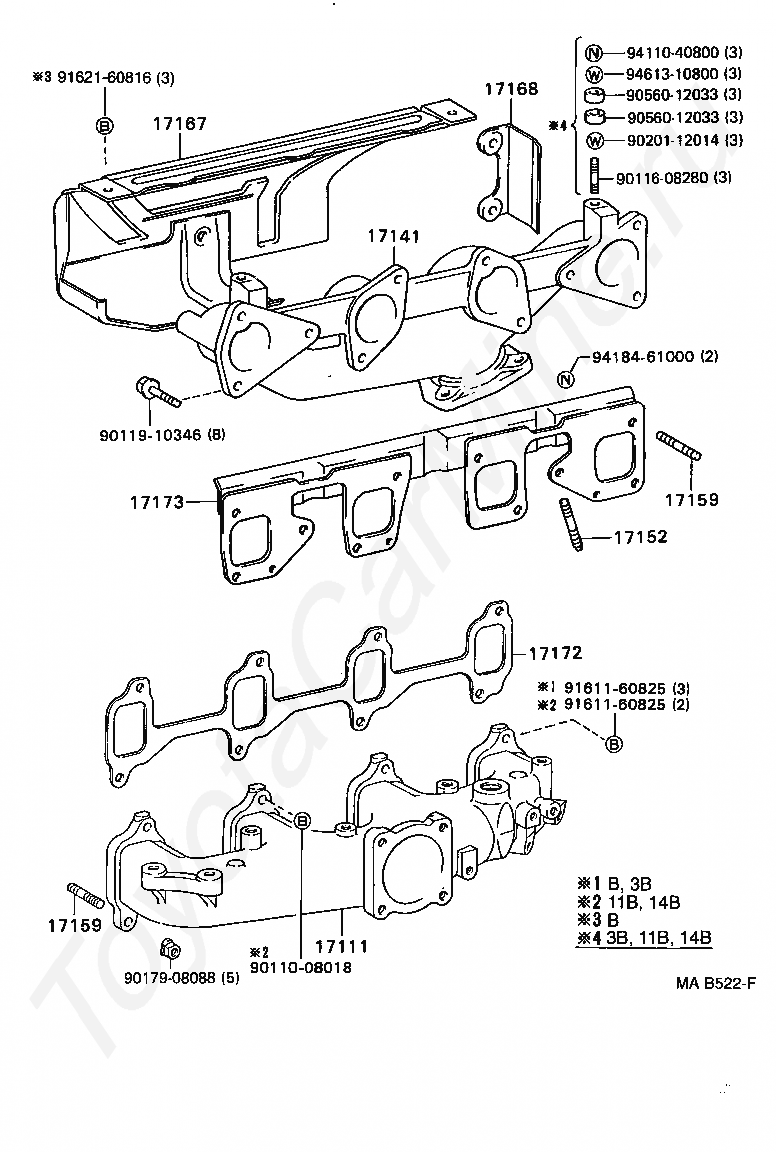
Коллекторы TOYOTA DYNA/TOYOACE




Код

Описание

17111

MANIFOLD, INTAKE

17141

MANIFOLD, EXHAUST

17152

BOLT, STUD(FOR MANIFOLD TO EXHAUST PIPE)

17159

BOLT, STUD(FOR MANIFOLD TO CYLINDER HEAD)

17159

BOLT, STUD(FOR MANIFOLD TO CYLINDER HEAD)

17167

INSULATOR, EXHAUST MANIFOLD HEAT, NO.1

17168

INSULATOR, EXHAUST MANIFOLD HEAT, NO.2

17172

GASKET, MANIFOLD TO CYLINDER HEAD

17173

GASKET, EXHAUST MANIFOLD TO HEAD

9011008018

Крепеж

9011608280

Крепеж

9011910346

Крепеж

9017908088

Крепеж

9020112014

Крепеж

9056012033

Крепеж

9056012033

Крепеж

9161160825

Крепеж

9161160825

Крепеж

9162160816

Крепеж

9411040800

Крепеж

9418461000

Крепеж

9461310800

Крепеж

> Запчасти DYNA/TOYOACE > Поиск по каталогу

Купить

Ваше имя
Ваш телефон
Ваша электронная почта
Оставляя свои данные в форме, вы подтверждаете свое согласие с Политикой конфиденциальности