Каталог

Япония

Модель

DYNA/TOYOACE

VIN

Дата

1987/08

Двигатель

3 литра, дизель

Кузов

TRUCK (EXCLUDING DUMP TRUCK)

Фрейм

BU60

КПП

МКПП, 5 скоростей

Опции

DYNA LOW FLAT DECK OPENING ON THREE SIDES (JUST LOW) 3-местный DOUBLE TIRE 20T DSL IV3

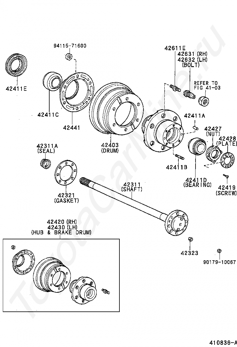
Задняя ступица и тормозной диск TOYOTA DYNA/TOYOACE







Код

Описание

4103

переход к группе запчастей

42311

SHAFT, REAR AXLE

42311A

SEAL, OIL (FOR REAR AXLE SHAFT)

42321

GASKET, REAR AXLE SHAFT

42323

WASHER, CONE (FOR REAR AXLE SHAFT)

42401A

BOLT, STUD (FOR REAR AXLE HUB RH)

42401B

PIN, STRAIGHT (FOR REAR AXLE HUB RH)

42401C

BEARING (FOR REAR AXLE HUB INNER RH)

42402A

BOLT, STUD (FOR REAR AXLE HUB LH)

42402B

PIN, STRAIGHT (FOR REAR AXLE HUB LH)

42402C

BEARING (FOR REAR AXLE HUB INNER LH)

42403

DRUM SUB-ASSY, REAR BRAKE

42411D

BEARING, TAPERED ROLLER (FOR REAR AXLE OUTER BEARING)

42411E

SEAL, OIL (FOR REAR AXLE HUB)

42419

SCREW, REAR AXLE BEARING LOCK NUT

42420

HUB (OR SHAFT) & BRAKE DRUM REAR AXLE, RH

42427

NUT, REAR AXLE BEARING LOCK

42428

PLATE, REAR AXLE LOCK NUT

42430

HUB (OR SHAFT) & BRAKE DRUM REAR AXLE, LH

42441A

DEFLECTOR, BRAKE DRUM OIL RH

42441B

DEFLECTOR, BRAKE DRUM OIL LH

42611E

BOLT, HUB (FOR REAR AXLE)

42631

BOLT, DOUBLE WHEEL STOP, RH

42632

BOLT, DOUBLE WHEEL STOP, LH

9017910067

Крепеж

9411571600

Крепеж

Код

Описание

4103

переход к группе запчастей

42311

SHAFT, REAR AXLE

42311A

SEAL, OIL (FOR REAR AXLE SHAFT)

42321

GASKET, REAR AXLE SHAFT

42323

WASHER, CONE (FOR REAR AXLE SHAFT)

42403

DRUM SUB-ASSY, REAR BRAKE

42411A

PIN, STRAIGHT (FOR REAR AXLE HUB)

42411B

BOLT, STUD (FOR REAR AXLE HUB)

42411C

BEARING, TAPERED ROLLER (FOR REAR AXLE INNER BEARING)

42411D

BEARING, TAPERED ROLLER (FOR REAR AXLE OUTER BEARING)

42411E

SEAL, OIL (FOR REAR AXLE HUB)

42419

SCREW, REAR AXLE BEARING LOCK NUT

42420

HUB (OR SHAFT) & BRAKE DRUM REAR AXLE, RH

42427

NUT, REAR AXLE BEARING LOCK

42428

PLATE, REAR AXLE LOCK NUT

42430

HUB (OR SHAFT) & BRAKE DRUM REAR AXLE, LH

42441

DEFLECTOR, BRAKE DRUM OIL

42611E

BOLT, HUB (FOR REAR AXLE)

42631

BOLT, DOUBLE WHEEL STOP, RH

42632

BOLT, DOUBLE WHEEL STOP, LH

9017910067

Крепеж

9411571600

Крепеж

Код

Описание

4103

переход к группе запчастей

42311

SHAFT, REAR AXLE

42311A

SEAL, OIL (FOR REAR AXLE SHAFT)

42321

GASKET, REAR AXLE SHAFT

42323

WASHER, CONE (FOR REAR AXLE SHAFT)

42403

DRUM SUB-ASSY, REAR BRAKE

42403A

PIECE, BALANCE (FOR REAR BRAKE DRUM)

42411A

PIN, STRAIGHT (FOR REAR AXLE HUB)

42411B

BOLT, STUD (FOR REAR AXLE HUB)

42411C

BEARING, TAPERED ROLLER (FOR REAR AXLE INNER BEARING)

42411D

BEARING, TAPERED ROLLER (FOR REAR AXLE OUTER BEARING)

42411E

SEAL, OIL (FOR REAR AXLE HUB)

42419

SCREW, REAR AXLE BEARING LOCK NUT

42420

HUB (OR SHAFT) & BRAKE DRUM REAR AXLE, RH

42427

NUT, REAR AXLE BEARING LOCK

42428

PLATE, REAR AXLE LOCK NUT

42430

HUB (OR SHAFT) & BRAKE DRUM REAR AXLE, LH

42611E

BOLT, HUB (FOR REAR AXLE)

42631

BOLT, DOUBLE WHEEL STOP, RH

42632

BOLT, DOUBLE WHEEL STOP, LH

9017020005

Крепеж

9017910067

Крепеж

> Запчасти DYNA/TOYOACE > Поиск по каталогу

Купить

Ваше имя
Ваш телефон
Ваша электронная почта
Оставляя свои данные в форме, вы подтверждаете свое согласие с Политикой конфиденциальности