Каталог

Япония

Модель

DYNA/TOYOACE

VIN

Дата

1987/08

Двигатель

3 литра, дизель

Кузов

TRUCK (EXCLUDING DUMP TRUCK)

Фрейм

BU60

КПП

МКПП, 5 скоростей

Опции

DYNA LOW FLAT DECK OPENING ON THREE SIDES (JUST LOW) 3-местный DOUBLE TIRE 20T DSL IV3

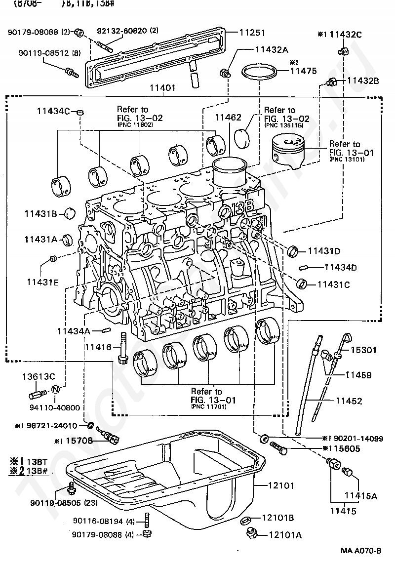
Блок цилиндров TOYOTA DYNA/TOYOACE




Код

Описание

11251

COVER, VALVE PUSH ROD

11401

BLOCK SUB-ASSY, CYLINDER

11415

COCK SUB-ASSY, WATER DRAIN(FOR CYLINDER BLOCK)

11415A

PLUG, WATER DRAIN COCK(FOR CYLINDER BLOCK)

11416

BOLT(FOR CRANKSHAFT BEARING CAP SET)

11431A

PLUG, TIGHT, NO.1(FOR CYLINDER BLOCK)

11431B

PLUG, TIGHT, NO.2(FOR CYLINDER BLOCK)

11431C

PLUG, TIGHT, NO.3(FOR CYLINDER BLOCK)

11431D

PLUG, TIGHT, NO.4(FOR CYLINDER BLOCK)

11431E

PLUG, TIGHT, NO.5(FOR CYLINDER BLOCK)

11432A

PLUG, W/HEAD TAPER SCREW, NO.1

11432B

PLUG, W/HEAD TAPER SCREW, NO.2

11432C

PLUG, W/HEAD TAPER SCREW, NO.3

11434A

PIN, STRAIGHT(FOR TIMING GEAR COVER SET)

11434C

PIN, STRAIGHT (FOR CYLINDER HEAD SET)

11434D

PIN, STRAIGHT(FOR ENGINE REAR OIL SEAL)

11452

GUIDE, OIL LEVEL GAGE

11459

SUPPORT, OIL LEVEL GAGE GUIDE

11462

LINER, CYLINDER

11475

SHIM, CYLINDER LINER

12101

PAN SUB-ASSY, OIL

12101A

PLUG(FOR OIL PAN DRAIN)

12101B

GASKET(FOR OIL PAN DRAIN PLUG)

1301

переход к группе запчастей

1301

переход к группе запчастей

1302

переход к группе запчастей

1302

переход к группе запчастей

13613C

NOZZLE, OIL

15301

GAGE SUB-ASSY, OIL LEVEL

15605

VALVE SUB-ASSY, OIL CHECK

15708

NOZZLE SUB-ASSY, OIL, NO.1

9011608194

Крепеж

9011908505

Крепеж

9011908512

Крепеж

9017908088

Крепеж

9017908088

Крепеж

9020114099

Крепеж

9213260820

Крепеж

9411040800

Крепеж

9672124010

Крепеж

> Запчасти DYNA/TOYOACE > Поиск по каталогу

Купить

Ваше имя
Ваш телефон
Ваша электронная почта
Оставляя свои данные в форме, вы подтверждаете свое согласие с Политикой конфиденциальности