Каталог

Япония

Модель

DYNA/TOYOACE

VIN

Дата

1984/09

Двигатель

2 литра

Кузов

V(MODEL MARK)

Фрейм

YU70

КПП

МКПП, 5 скоростей

Опции

DYNA STANDARD ROOF 6-местный ST CBR CBU

Проводка TOYOTA DYNA/TOYOACE







Код

Описание

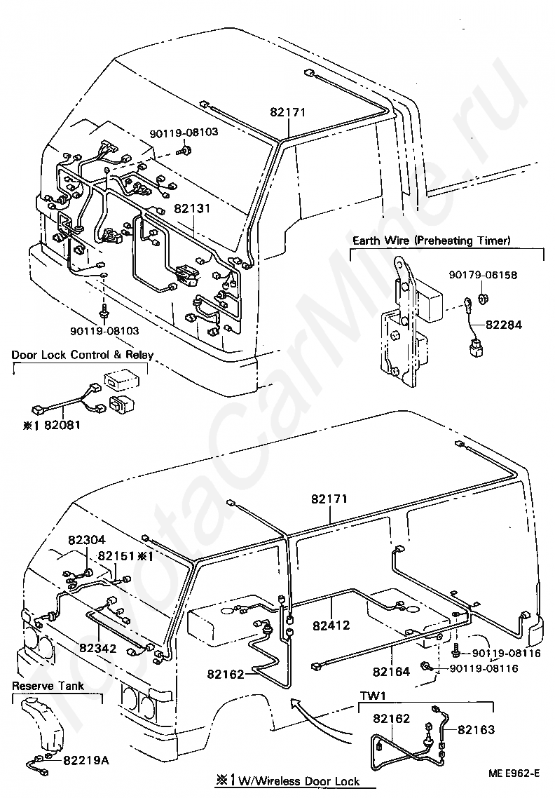
82001

CABLE, BOND, NO.1

82001

CABLE, BOND, NO.1

82001

CABLE, BOND, NO.1

82001

CABLE, BOND, NO.1

82121

WIRE, ENGINE

82121

WIRE, ENGINE

82165

WIRE, FRAME, NO.2

82165

WIRE, FRAME, NO.2

82210C

FUSIBLE LINK

82210C

FUSIBLE LINK

82210C

FUSIBLE LINK

82210C

FUSIBLE LINK

82210C

FUSIBLE LINK

9011908063

Крепеж

9011908063

Крепеж

9011908063

Крепеж

9011908063

Крепеж

9011908063

Крепеж

9011908063

Крепеж

Код

Описание

82001

CABLE, BOND, NO.1

82001

CABLE, BOND, NO.1

82001

CABLE, BOND, NO.1

82121

WIRE, ENGINE

82121

WIRE, ENGINE

82165

WIRE, FRAME, NO.2

82203

WIRE SUB-ASSY, ALTERNATOR

82210C

FUSIBLE LINK

82210C

FUSIBLE LINK

82210C

FUSIBLE LINK

82210C

FUSIBLE LINK

82412

WIRE, FUEL GAGE

9011908063

Крепеж

9011908063

Крепеж

9011908063

Крепеж

Код

Описание

82081

WIRING ASSY, DOOR LOCK

82131

WIRE, COWL

82151

WIRE, FRONT DOOR, RH

82162

WIRE, FLOOR, NO.2

82162

WIRE, FLOOR, NO.2

82163

WIRE, FLOOR, NO.3

82164

WIRE, FRAME

82171

WIRE, ROOF, NO.1

82171

WIRE, ROOF, NO.1

82219A

WIRE, SENSOR

82284

WIRE, EARTH

82304

WIRE SUB-ASSY, TO TACHOGRAPH

82342

WIRE, CLOCK

82412

WIRE, FUEL GAGE

9011908103

Крепеж

9011908103

Крепеж

9011908116

Крепеж

9011908116

Крепеж

9017906158

Крепеж

Код

Описание

82431

WIRE, WORK LAMP FEED, NO.1

Код

Описание

8271112200

Крепеж

8271112290

Крепеж

8271112320

Крепеж

8271112450

Крепеж

8271114320

Крепеж

8271114620

Крепеж

8271122440

Крепеж

8271122660

Крепеж

8271122870

Крепеж

8271130380

Крепеж

8271130580

Крепеж

8271132360

Крепеж

8271140040

Крепеж

8271195404

Крепеж

8271195410

Крепеж

8271195411

Крепеж

8271195412

Крепеж

8271195413

Крепеж

8271195414

Крепеж

9046106091

Крепеж

9046106152

Крепеж

9046108183

Крепеж

9046108202

Крепеж

9046108401

Крепеж

9046110275

Крепеж

Код

Описание

8271112590

Крепеж

8271114560

Крепеж

8271122270

Крепеж

8271192600

Крепеж

8271195416

Крепеж

8271195417

Крепеж

8271195419

Крепеж

9046108109

Крепеж

9046108313

Крепеж

9046108514

Крепеж

9046108548

Крепеж

9046108972

Крепеж

9046110295

Крепеж

9046110363

Крепеж

9046110383

Крепеж

9046110526

Крепеж

9046112682

Крепеж

9046306161

Крепеж

9046308030

Крепеж

9046308124

Крепеж

9046308375

Крепеж

9046315002

Крепеж

9046400052

Крепеж

9046400161

Крепеж

9046400165

Крепеж

Код

Описание

8271114110

Крепеж

8271195015

Крепеж

8271195019

Крепеж

8281714350

Крепеж

8281995402

Крепеж

9046110294

Крепеж

9046110317

Крепеж

9046110423

Крепеж

9046110488

Крепеж

9046313003

Крепеж

9046315003

Крепеж

9046320473

Крепеж

9046400209

Крепеж

9048015083

Крепеж

9048030004

Крепеж

9048032015

Крепеж

> Запчасти DYNA/TOYOACE > Поиск по каталогу

Купить

Ваше имя
Ваш телефон
Ваша электронная почта
Оставляя свои данные в форме, вы подтверждаете свое согласие с Политикой конфиденциальности