Каталог

Япония

Модель

DYNA/TOYOACE

VIN

Дата

2007/09

Двигатель

3 литра, турбо-дизель

Фрейм

KDY241

КПП

механика

Опции

VAN 6-местный 1.5 TONNE DOUBLE TIRE DCR CBU

Стеклоочиститель задний TOYOTA DYNA/TOYOACE




Код

Описание

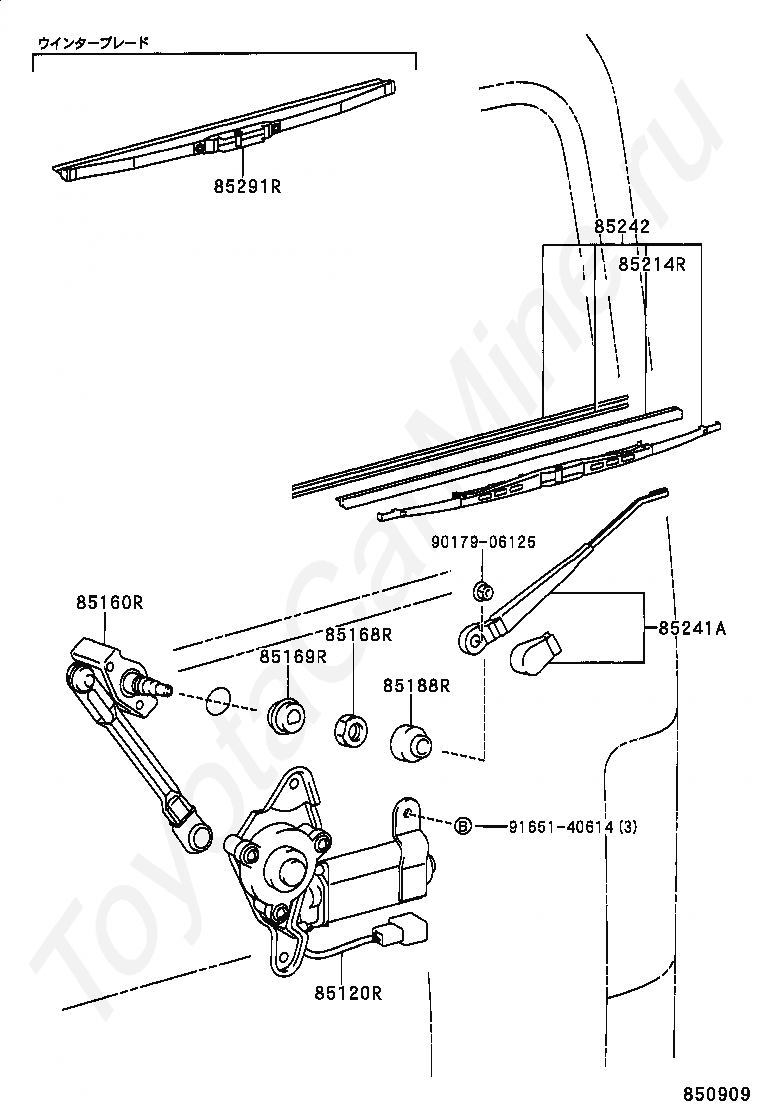
85120R

MOTOR AND BRACKET ASSY, REAR WIPER

85160R

LINK ASSY, REAR WIPER

85168R

NUT, REAR WIPER LINK PIVOT, NO.1

85169R

WASHER, REAR WIPER LINK PIVOT, NO.1

85188R

CAP, REAR WIPER PIVOT, NO.1

85214R

RUBBER, REAR WIPER

85241A

ARM, REAR WIPER

85242

BLADE, RR WIPER

85291R

BLADE,REAR WIPER, WINTER

9017906125

Крепеж

9165140614

Крепеж

> Запчасти DYNA/TOYOACE > Поиск по каталогу

Купить

Ваше имя
Ваш телефон
Ваша электронная почта
Оставляя свои данные в форме, вы подтверждаете свое согласие с Политикой конфиденциальности