Каталог

Ближний Восток

Модель

DYNA 200

VIN

Дата

1987/08

Двигатель

3,4 литра, дизель

Кузов

TRUCK (EXCLUDING DUMP TRUCK)

Фрейм

BU85

КПП

МКПП, 5 скоростей

Опции

левый руль HIGH FLAT DECK OPENING ON THREE SIDES BOARDING DECK DOUBLE TIRE GEN CBU

Кондиционер: нагреватель TOYOTA DYNA 200







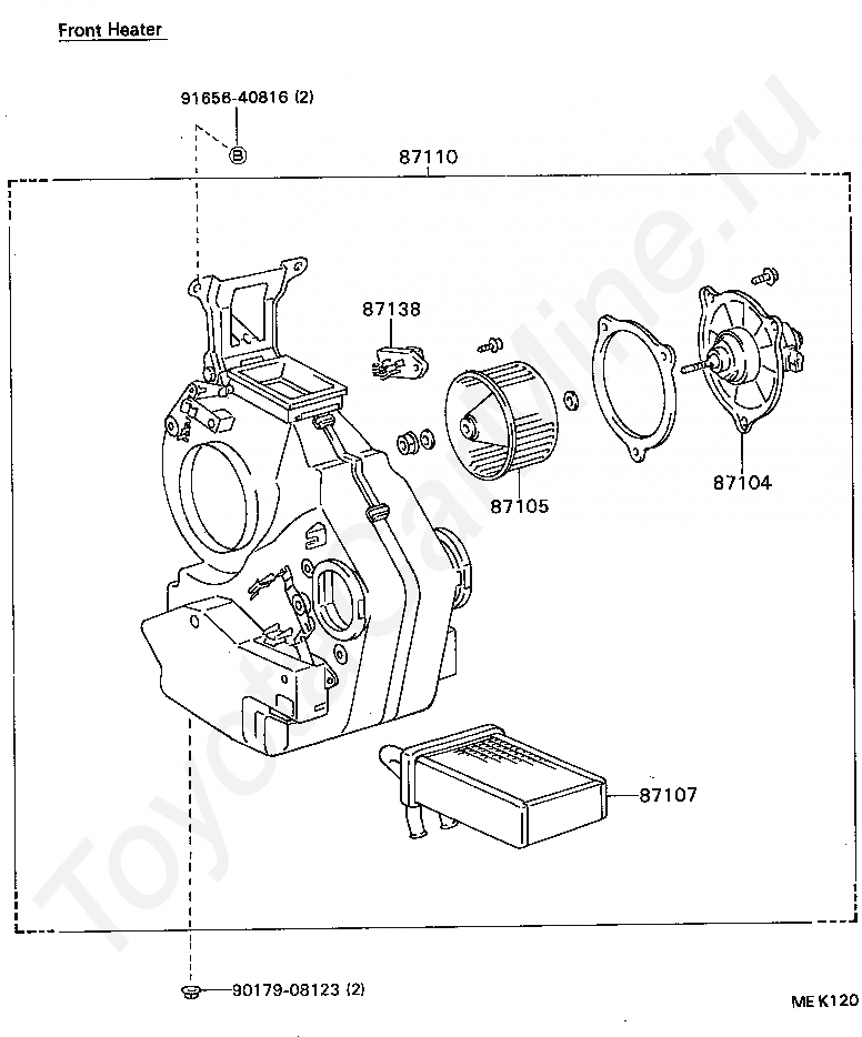
Код

Описание

87104

MOTOR SUB-ASSY, HEATER BLOWER

87105

FAN SUB-ASSY, HEATER BLOWER

87107

UNIT SUB-ASSY, HEATER RADIATOR

87110

HEATER ASSY

87138

RESISTOR, HEATER BLOWER

9017908123

Крепеж

9165640816

Крепеж

Код

Описание

87104

MOTOR SUB-ASSY, HEATER BLOWER

87105

FAN SUB-ASSY, HEATER BLOWER

87107

UNIT SUB-ASSY, HEATER RADIATOR

87110

HEATER ASSY

87138

RESISTOR, HEATER BLOWER

9017906115

Крепеж

Код

Описание

87104

MOTOR SUB-ASSY, HEATER BLOWER

87105

FAN SUB-ASSY, HEATER BLOWER

87138

RESISTOR, HEATER BLOWER

88910

VENTILATOR ASSY, BOOST

9017908123

Крепеж

9165140816

Крепеж

> Запчасти DYNA 200 > Поиск по каталогу

Купить

Ваше имя
Ваш телефон
Ваша электронная почта
Оставляя свои данные в форме, вы подтверждаете свое согласие с Политикой конфиденциальности