Каталог

Япония

Модель

DYNA 150/TOYOACE G15

VIN

Дата

1996/10

Двигатель

2,8 литра, дизель

Фрейм

LY151

КПП

механика

Опции

DOUBLE CAB TRUCK (JUST LOW) STEEL-MADE DECK SINGAPORE TAXI 1.0 TON DSL CBU

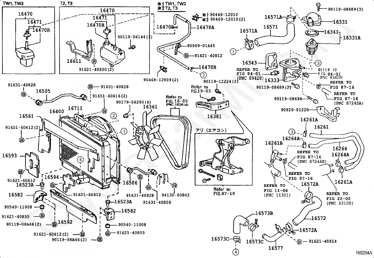
Радиатор и шланги TOYOTA DYNA 150/TOYOACE G15







Код

Описание

1106

переход к группе запчастей

1605

переход к группе запчастей

16261

HOSE, WATER BY-PASS

16261A

CLAMP OR CLIP, HOSE(FOR WATER BY-PASS HOSE)

16261A

CLAMP OR CLIP, HOSE(FOR WATER BY-PASS HOSE)

16261B

UNION(FOR WATER BY-PASS HOSE)

16264

HOSE, WATER BY-PASS, NO.2

16264A

CLAMP OR CLIP(FOR WATER BY-PASS HOSE NO.2)

16264A

CLAMP OR CLIP(FOR WATER BY-PASS HOSE NO.2)

16331

OUTLET, WATER

16331A

THERMOSTAT

16333

HOUSING, WATER OUTLET

16341

GASKET, WATER OUTLET

16343

GASKET, WATER OUTLET HOUSING

16361

FAN

16381

BAR, FAN BELT ADJUSTING

16400

RADIATOR ASSY

16470

TANK ASSY, RADIATOR RESERVE

16470

TANK ASSY, RADIATOR RESERVE

16470A

HOSE OR PIPE(FOR RADIATOR RESERVE TANK)

16470B

CLAMP OR CLIP(FOR RADIATOR RESERVE TANK HOSE)

16470B

CLAMP OR CLIP(FOR RADIATOR RESERVE TANK HOSE)

16470R

HOSE, NO.2(FOR RADIATOR RESERVE TANK)

16470R

HOSE, NO.2(FOR RADIATOR RESERVE TANK)

16471

CAP SUB-ASSY, RESERVE TANK

16471

CAP SUB-ASSY, RESERVE TANK

16505

SUPPORT SUB-ASSY, RADIATOR, RH

16506

SUPPORT SUB-ASSY, RADIATOR, LH

16523A

CUSHION, RADIATOR SUPPORT

16523A

CUSHION, RADIATOR SUPPORT

16561

SEAL, RADIATOR TO SUPPORT, NO.1

16571

HOSE, RADIATOR, INLET

16571A

CLAMP OR CLIP, HOSE(FOR RADIATOR INLET)

16571A

CLAMP OR CLIP, HOSE(FOR RADIATOR INLET)

16572

HOSE, RADIATOR, OUTLET

16572A

CLAMP OR CLIP, HOSE(FOR RADIATOR OUTLET NO.1)

16572A

CLAMP OR CLIP, HOSE(FOR RADIATOR OUTLET NO.1)

16573B

HOSE, RADIATOR, NO.3

16573C

CLAMP OR CLIP, RADIATOR HOSE, NO.3

16573C

CLAMP OR CLIP, RADIATOR HOSE, NO.3

16577

PIPE, RADIATOR, NO.7

16582

BRACKET, RADIATOR, NO.1

16582

BRACKET, RADIATOR, NO.1

16592

GUIDE, RADIATOR AIR, NO.3

16593

GUIDE, RADIATOR AIR, NO.1

16594

GUIDE, RADIATOR AIR, NO.2

16611

BRACKET, RADIATOR RESERVE TANK

16711

SHROUD, FAN

1903

переход к группе запчастей

2202

переход к группе запчастей

8401

переход к группе запчастей

8401

переход к группе запчастей

8716

переход к группе запчастей

8716

переход к группе запчастей

8716

переход к группе запчастей

8716

переход к группе запчастей

8719

переход к группе запчастей

9011906144

Крепеж

9011908689

Крепеж

9011908689

Крепеж

9011908694

Крепеж

9011908A46

Крепеж

9011908A46

Крепеж

9011912224

Крепеж

9017906293

Крепеж

9046912009

Крепеж

9046912010

Крепеж

9046912010

Крепеж

9054011008

Крепеж

9054011008

Крепеж

9092901220

Крепеж

9094901A45

Крепеж

9162140812

Крепеж

9162140814

Крепеж

9162140820

Крепеж

9162140855

Крепеж

9162140855

Крепеж

9162160612

Крепеж

9162160612

Крепеж

9162160612

Крепеж

9162160612

Крепеж

9163140828

Крепеж

9163140828

Крепеж

9163140828

Крепеж

9163140828

Крепеж

9165140616

Крепеж

9413000802

Крепеж

Код

Описание

1106

переход к группе запчастей

1605

переход к группе запчастей

16261

HOSE, WATER BY-PASS

16261A

CLAMP OR CLIP, HOSE(FOR WATER BY-PASS HOSE)

16261A

CLAMP OR CLIP, HOSE(FOR WATER BY-PASS HOSE)

16261B

UNION(FOR WATER BY-PASS HOSE)

16264

HOSE, WATER BY-PASS, NO.2

16264A

CLAMP OR CLIP(FOR WATER BY-PASS HOSE NO.2)

16264A

CLAMP OR CLIP(FOR WATER BY-PASS HOSE NO.2)

16331

OUTLET, WATER

16331A

THERMOSTAT

16333

HOUSING, WATER OUTLET

16341

GASKET, WATER OUTLET

16343

GASKET, WATER OUTLET HOUSING

16361

FAN

16381

BAR, FAN BELT ADJUSTING

16400

RADIATOR ASSY

16401

CAP SUB-ASSY, RADIATOR

16470

TANK ASSY, RADIATOR RESERVE

16470A

HOSE OR PIPE(FOR RADIATOR RESERVE TANK)

16470B

CLAMP OR CLIP(FOR RADIATOR RESERVE TANK HOSE)

16470B

CLAMP OR CLIP(FOR RADIATOR RESERVE TANK HOSE)

16470R

HOSE, NO.2(FOR RADIATOR RESERVE TANK)

16471

CAP SUB-ASSY, RESERVE TANK

16505

SUPPORT SUB-ASSY, RADIATOR, RH

16506

SUPPORT SUB-ASSY, RADIATOR, LH

16523A

CUSHION, RADIATOR SUPPORT

16523A

CUSHION, RADIATOR SUPPORT

16561

SEAL, RADIATOR TO SUPPORT, NO.1

16567

HOSE(FOR RADIATOR RESERVE TANK)

16567A

CLIP(FOR RADIATOR RESERVE TANK HOSE)

16567A

CLIP(FOR RADIATOR RESERVE TANK HOSE)

16571

HOSE, RADIATOR, INLET

16571A

CLAMP OR CLIP, HOSE(FOR RADIATOR INLET)

16571A

CLAMP OR CLIP, HOSE(FOR RADIATOR INLET)

16572

HOSE, RADIATOR, OUTLET

16572A

CLAMP OR CLIP, HOSE(FOR RADIATOR OUTLET NO.1)

16572A

CLAMP OR CLIP, HOSE(FOR RADIATOR OUTLET NO.1)

16573B

HOSE, RADIATOR, NO.3

16573C

CLAMP OR CLIP, RADIATOR HOSE, NO.3

16573C

CLAMP OR CLIP, RADIATOR HOSE, NO.3

16577

PIPE, RADIATOR, NO.7

16582

BRACKET, RADIATOR, NO.1

16582

BRACKET, RADIATOR, NO.1

16592

GUIDE, RADIATOR AIR, NO.3

16593

GUIDE, RADIATOR AIR, NO.1

16594

GUIDE, RADIATOR AIR, NO.2

16611

BRACKET, RADIATOR RESERVE TANK

16711

SHROUD, FAN

1903

переход к группе запчастей

2202

переход к группе запчастей

8401

переход к группе запчастей

8401

переход к группе запчастей

8716

переход к группе запчастей

8716

переход к группе запчастей

8716

переход к группе запчастей

8716

переход к группе запчастей

8719

переход к группе запчастей

9011906144

Крепеж

9011908689

Крепеж

9011908689

Крепеж

9011908694

Крепеж

9011908A46

Крепеж

9011908A46

Крепеж

9011912224

Крепеж

9017906293

Крепеж

9046912009

Крепеж

9046912010

Крепеж

9054011008

Крепеж

9054011008

Крепеж

9092901220

Крепеж

9094901A45

Крепеж

9162140812

Крепеж

9162140814

Крепеж

9162140820

Крепеж

9162140855

Крепеж

9162140855

Крепеж

9162160612

Крепеж

9162160612

Крепеж

9162160612

Крепеж

9162160612

Крепеж

9163140828

Крепеж

9163140828

Крепеж

9163140828

Крепеж

9163140828

Крепеж

9165140616

Крепеж

9413000802

Крепеж

Код

Описание

16400

RADIATOR ASSY

16400B

PLUG, RADIATOR DRAIN COCK

16400F

PACKING(FOR RADIATOR DRAIN COCK)

16401

CAP SUB-ASSY, RADIATOR

16453

PLATE, RADIATOR SIDE

16454

PLATE, RADIATOR SIDE

16455

BOLT, RADIATOR SIDE SUPPORT PLATE

16491A

RING, O(FOR ATM OIL COOLER)

16491A

RING, O(FOR ATM OIL COOLER)

16491B

WASHER, PLATE(FOR ATM OIL COOLER)

16491B

WASHER, PLATE(FOR ATM OIL COOLER)

16491C

WASHER, SPRING(FOR ATM OIL COOLER)

16491C

WASHER, SPRING(FOR ATM OIL COOLER)

16491D

NUT(FOR ATM OIL COOLER)

16491D

NUT(FOR ATM OIL COOLER)

16495

NUT, FLARE(FOR ATM OIL COOLER)

Код

Описание

16400

RADIATOR ASSY

16400B

PLUG, RADIATOR DRAIN COCK

16400F

PACKING(FOR RADIATOR DRAIN COCK)

16453

PLATE, RADIATOR SIDE

16454

PLATE, RADIATOR SIDE

16455

BOLT, RADIATOR SIDE SUPPORT PLATE

16568

PIPE, RADIATOR TO RESERVE TANK

9165160612

Крепеж

> Запчасти DYNA 150/TOYOACE G15 > Поиск по каталогу

Купить

Ваше имя
Ваш телефон
Ваша электронная почта
Оставляя свои данные в форме, вы подтверждаете свое согласие с Политикой конфиденциальности