Каталог

Европа

Модель

DYNA

VIN

Дата

1982/04

Двигатель

4 литра, дизель

Кузов

TRUCK (EXCLUDING DUMP TRUCK)

Фрейм

HU50

КПП

МКПП, 5 скоростей

Опции

правый руль HIGH FLAT DECK OPENING ON THREE SIDES BOARDING DECK WT ARL IV3

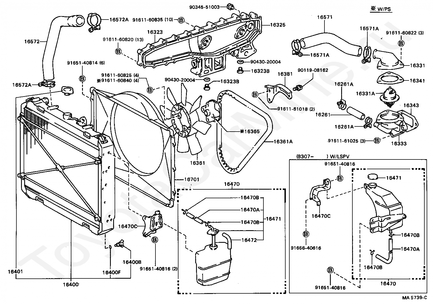
Радиатор и шланги TOYOTA DYNA




Код

Описание

16261

HOSE, WATER BY-PASS

16261A

CLAMP OR CLIP, HOSE(FOR WATER BY-PASS HOSE)

16261A

CLAMP OR CLIP, HOSE(FOR WATER BY-PASS HOSE)

16323

HOUSING, WATER INLET

16323B

PLUG(FOR WATER INLET HOUSING)

16323B

PLUG(FOR WATER INLET HOUSING)

16325

GASKET, WATER INLET HOUSING, NO.1

16331

OUTLET, WATER

16331A

THERMOSTAT

16333

HOUSING, WATER OUTLET

16341

GASKET, WATER OUTLET

16343

GASKET, WATER OUTLET HOUSING

16361

FAN

16361A

BELT, V(FOR FAN & ALTERNATOR)

16365

SPACER, FAN

16381

BAR, FAN BELT ADJUSTING

16400

RADIATOR ASSY

16400B

PLUG, RADIATOR DRAIN COCK

16400F

PACKING(FOR RADIATOR DRAIN COCK)

16401

CAP SUB-ASSY, RADIATOR

16470

TANK ASSY, RADIATOR RESERVE

16470

TANK ASSY, RADIATOR RESERVE

16470A

HOSE OR PIPE(FOR RADIATOR RESERVE TANK)

16470A

HOSE OR PIPE(FOR RADIATOR RESERVE TANK)

16470B

CLAMP OR CLIP(FOR RADIATOR RESERVE TANK HOSE)

16470B

CLAMP OR CLIP(FOR RADIATOR RESERVE TANK HOSE)

16470B

CLAMP OR CLIP(FOR RADIATOR RESERVE TANK HOSE)

16470B

CLAMP OR CLIP(FOR RADIATOR RESERVE TANK HOSE)

16470C

BRACKET(FOR RADIATOR RESERVE TANK)

16470C

BRACKET(FOR RADIATOR RESERVE TANK)

16471

CAP SUB-ASSY, RESERVE TANK

16471

CAP SUB-ASSY, RESERVE TANK

16472

HOSE, BREATHER

16571

HOSE, RADIATOR, INLET

16571A

CLAMP OR CLIP, HOSE(FOR RADIATOR INLET)

16571A

CLAMP OR CLIP, HOSE(FOR RADIATOR INLET)

16572

HOSE, RADIATOR, OUTLET

16572A

CLAMP OR CLIP, HOSE(FOR RADIATOR OUTLET NO.1)

16572A

CLAMP OR CLIP, HOSE(FOR RADIATOR OUTLET NO.1)

16701

SHROUD SUB-ASSY, FAN

9011908162

Крепеж

9034551003

Крепеж

9043020004

Крепеж

9043020004

Крепеж

9161160820

Крепеж

9161160822

Крепеж

9161160825

Крепеж

9161160835

Крепеж

9161160840

Крепеж

9161161018

Крепеж

9161161025

Крепеж

9165140814

Крепеж

9165140816

Крепеж

9165140816

Крепеж

9165140816

Крепеж

9165640616

Крепеж

> Запчасти DYNA > Поиск по каталогу

Купить

Ваше имя
Ваш телефон
Ваша электронная почта
Оставляя свои данные в форме, вы подтверждаете свое согласие с Политикой конфиденциальности