Каталог

Япония

Модель

DYNA

VIN

Дата

2021/03

Двигатель

4 литра, дизель

Фрейм

XZU675

КПП

механика МКПП, 5 скоростей

Опции

SINGLE CARBURETOR:SINGLE CAB FULL JUST LOW DUMP TRUCK 3 тонны DOUBLE TIRE DCRWEIV3 877W

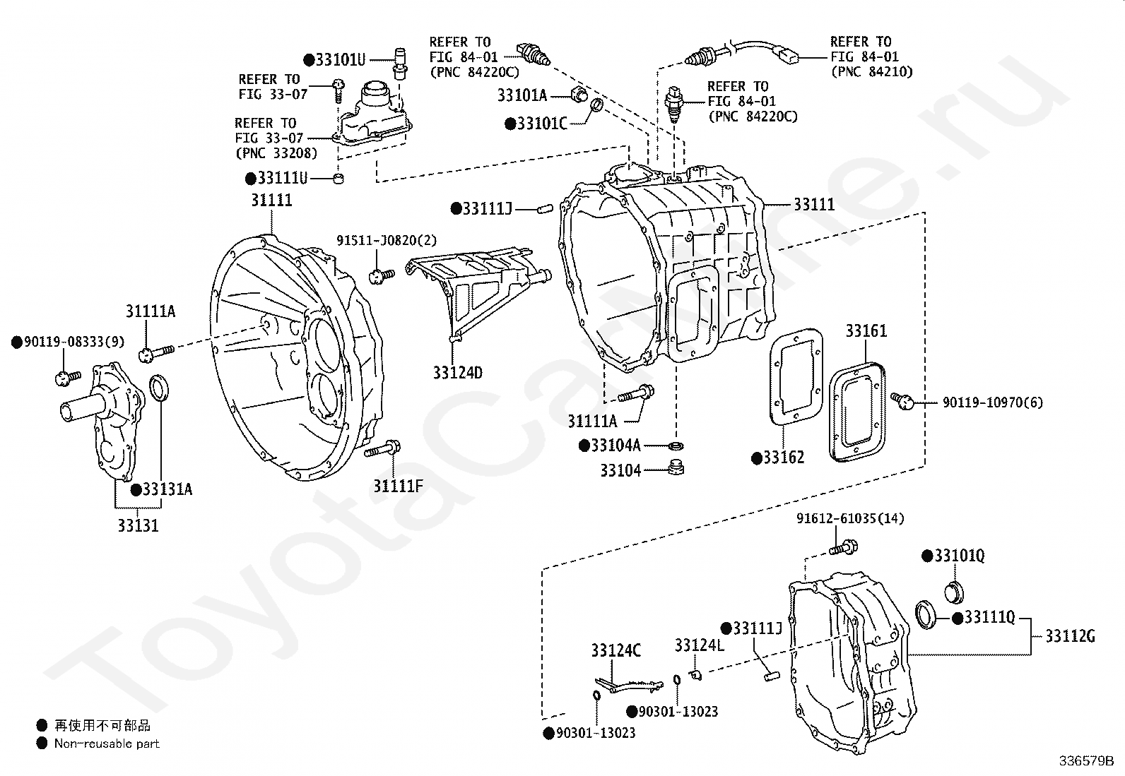
CLUTCH HOUSING & TRANSMISSION CASE (MTM) TOYOTA DYNA




Код

Описание

31111

HOUSING, CLUTCH

31111A

BOLT(FOR CLUTCH HOUSING & TRANSMISSION CASE SETTING)

31111A

BOLT(FOR CLUTCH HOUSING & TRANSMISSION CASE SETTING)

31111F

BOLT(FOR CLUTCH HOUSING & ENGINE SETTING)

3307

переход к группе запчастей

3307

переход к группе запчастей

33101A

PLUG(FOR MANUAL TRANSMISSION FILLER)

33101C

GASKET(FOR MANUAL TRANSMISSION FILLER PLUG)

33101Q

PLUG, NO.1(FOR TRANSMISSION CASE)

33101U

PLUG, BREATHER(FOR MANUAL TRANSMISSION)

33104

PLUG SUB-ASSY, DRAIN(MTM)

33104A

GASKET, DRAIN PLUG(MTM)

33111

CASE, MANUAL TRANSMISSION

33111J

PIN, STRAIGHT(FOR MANUAL TRANSMISSION CASE)

33111J

PIN, STRAIGHT(FOR MANUAL TRANSMISSION CASE)

33111Q

SEAL, OIL(FOR TRANSMISSION CASE)

33111U

PIN, RING(FOR MANUAL TRANSMISSION CASE)

33112G

CASE, TRANSMISSION, REAR

33124C

PIPE, OIL RECEIVER, NO.1(MTM)

33124D

PIPE, OIL RECEIVER, NO.2(MTM)

33124L

PIPE, OIL RECEIVER, N0.3(MTM)

33131

RETAINER, BEARING, FRONT(MTM)

33131A

SEAL, OIL(FOR TRANSMISSION FRONT BEARING RETAINER)

33161

COVER, MANUAL TRANSMISSION POWER TAKE-OFF

33162

GASKET, MANUAL TRANSMISSION POWER TAKE-OFF COVER

8401

переход к группе запчастей

8401

переход к группе запчастей

8401

переход к группе запчастей

9011908333

Крепеж

9011910970

Крепеж

9030113023

Крепеж

9030113023

Крепеж

91511J0820

Крепеж

9161261035

Крепеж

> Запчасти DYNA > Поиск по каталогу

Купить

Ваше имя
Ваш телефон
Ваша электронная почта
Оставляя свои данные в форме, вы подтверждаете свое согласие с Политикой конфиденциальности