Каталог

Европа

Модель

DYNA

VIN

Дата

2019/11

Двигатель

4 литра, дизель

Фрейм

XZU720

КПП

механика МКПП, 5 скоростей

Опции

левый руль 7,5 тонн DOUBLE TIRE GENERAL COUNTRIES IV3 SCB 804W

Генератор TOYOTA DYNA







Код

Описание

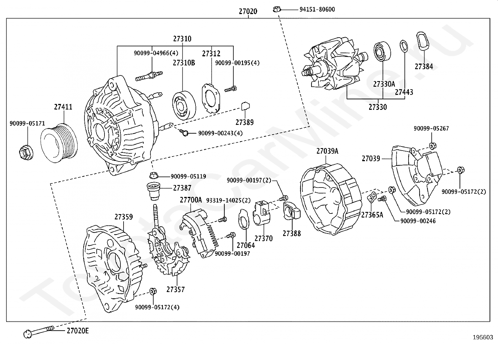
27020

ALTERNATOR ASSY

27020E

BOLT(FOR ALTERNATOR)

27039

COVER, ALTERNATOR REAR END

27039A

COVER, ALTERNATOR REAR END, NO.2

27064

SEAL, ALTERNATOR PLATE

27310

FRAME ASSY, DRIVE END, ALTERNATOR

27310B

BEARING(FOR ALTERNATOR DRIVE END FRAME)

27312

PLATE, RETAINER

27330

ROTOR ASSY, ALTERNATOR

27330A

BEARING(FOR ALTERNATOR ROTOR)

27357

HOLDER, ALTERNATOR, W/RECTIFIER

27359

FRAME, ALTERNATOR RECTIFIER END

27365A

PLATE, RECTIFIER

27370

HOLDER ASSY, ALTERNATOR BRUSH

27384

WASHER

27387

INSULATOR, TERMINAL

27388

COVER, ALTERNATOR BRUSH

27389

INSULATOR, TERMINAL

27411

PULLEY, ALTERNATOR

27443

COVER, ALTERNATOR BEARING

27700A

REGULATOR ASSY, GENERATOR

9009900195

Крепеж

9009900197

Крепеж

9009900197

Крепеж

9009900243

Крепеж

9009900246

Крепеж

9009904966

Крепеж

9009905119

Крепеж

9009905171

Крепеж

9009905172

Крепеж

9009905172

Крепеж

9009905172

Крепеж

9009905267

Крепеж

9331914025

Крепеж

9415180600

Крепеж

Код

Описание

27020

ALTERNATOR ASSY

27020E

BOLT(FOR ALTERNATOR)

27039

COVER, ALTERNATOR REAR END

27360

COIL ASSY, ALTERNATOR

27370

HOLDER ASSY, ALTERNATOR BRUSH

27387

INSULATOR, TERMINAL

27411

PULLEY, ALTERNATOR

9009900197

Крепеж

9009905171

Крепеж

9009905284

Крепеж

9415180600

Крепеж

> Запчасти DYNA > Поиск по каталогу

Купить

Ваше имя
Ваш телефон
Ваша электронная почта
Оставляя свои данные в форме, вы подтверждаете свое согласие с Политикой конфиденциальности