Каталог

Япония

Модель

CROWN/CROWN MAJESTA

VIN

Дата

1995/08

Двигатель

2,4 литра, турбо-дизель

Кузов

HARD TOP SERIES

Класс

ROYAL SALOON TYPE

Фрейм

LS151

КПП

автомат АКПП, 4 ступени

Опции

TURBO DIESEL WITH ECD WIDE BODY

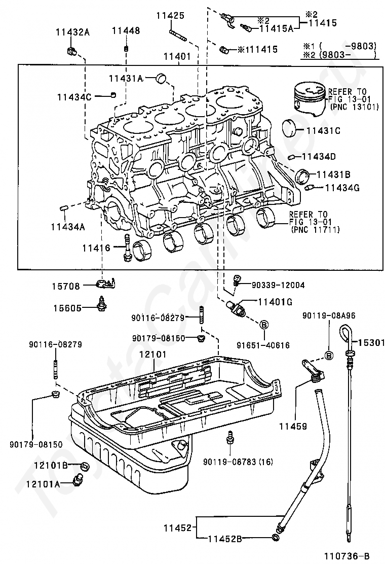
Блок цилиндров TOYOTA CROWN/CROWN MAJESTA




Код

Описание

11401

BLOCK SUB-ASSY, CYLINDER

11401G

SENSOR, CRANK POSITION

11415

COCK SUB-ASSY, WATER DRAIN(FOR CYLINDER BLOCK)

11415

COCK SUB-ASSY, WATER DRAIN(FOR CYLINDER BLOCK)

11415A

PLUG, WATER DRAIN COCK(FOR CYLINDER BLOCK)

11416

BOLT(FOR CRANKSHAFT BEARING CAP SET)

11425

BOLT, STUD(FOR OIL FILTER)

11431A

PLUG, TIGHT, NO.1(FOR CYLINDER BLOCK)

11431B

PLUG, TIGHT, NO.2(FOR CYLINDER BLOCK)

11431C

PLUG, TIGHT, NO.3(FOR CYLINDER BLOCK)

11432A

PLUG, W/HEAD TAPER SCREW, NO.1

11434A

PIN, STRAIGHT(FOR TIMING GEAR COVER SET)

11434C

PIN, STRAIGHT (FOR CYLINDER HEAD SET)

11434D

PIN, STRAIGHT(FOR ENGINE REAR OIL SEAL)

11434G

PIN, STRAIGHT(FOR END PLATE)

11448

ORIFICE, CYLINDER BLOCK OIL

11452

GUIDE, OIL LEVEL GAGE

11452B

RING, O(FOR OIL LEVEL GAGE GUIDE)

11459

SUPPORT, OIL LEVEL GAGE GUIDE

12101

PAN SUB-ASSY, OIL

12101A

PLUG(FOR OIL PAN DRAIN)

12101B

GASKET(FOR OIL PAN DRAIN PLUG)

1301

переход к группе запчастей

1301

переход к группе запчастей

15301

GAGE SUB-ASSY, OIL LEVEL

15605

VALVE SUB-ASSY, OIL CHECK

15708

NOZZLE SUB-ASSY, OIL, NO.1

9011608279

Крепеж

9011608279

Крепеж

9011908783

Крепеж

9011908A96

Крепеж

9017908150

Крепеж

9017908150

Крепеж

9033912004

Крепеж

9165140616

Крепеж

> Запчасти CROWN/CROWN MAJESTA > Поиск по каталогу

Купить

Ваше имя
Ваш телефон
Ваша электронная почта
Оставляя свои данные в форме, вы подтверждаете свое согласие с Политикой конфиденциальности