Каталог

Ближний Восток

Модель

CROWN

VIN

Дата

1974/10

Двигатель

2,6 литра

Кузов

седан

Класс

B TYPE(STANDARD TYPE)

Фрейм

MS85

КПП

механика МКПП, 3 ступени, на руле

Опции

правый руль 4 двери GENERAL COUNTRIES

Спидометр TOYOTA CROWN







Код

Описание

3304

переход к группе запчастей

3305

переход к группе запчастей

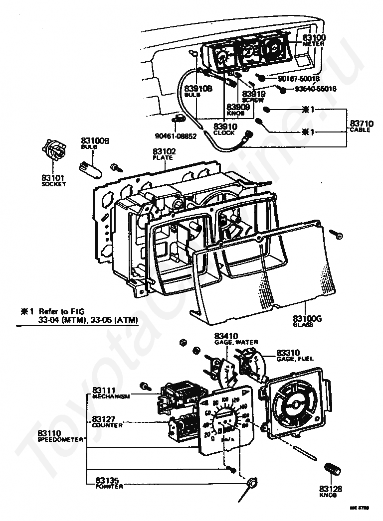
83100

METER ASSY, COMBINATION

83100B

BULB, COMBINATION METER, NO.1

83100G

GLASS, COMBINATION METER

83101

SOCKET SUB-ASSY, COMBINATION METER BULB

83102

PLATE SUB-ASSY, COMBINATION METER CIRCUIT, NO.1

83110

SPEEDOMETER ASSY

83111

MECHANISM, SPEEDOMETER

83127

COUNTER, TRIP

83128

KNOB, TRIP COUNTER

83135

POINTER, SPEEDOMETER

83310

GAGE ASSY, FUEL RECEIVER

83410

GAGE ASSY, WATER TEMPERATURE RECEIVER

83710

CABLE ASSY, SPEEDOMETER DRIVE, NO.1

83909

KNOB, CLOCK

83910

CLOCK ASSY

83910B

BULB, CLOCK INDICATOR

83919

SCREW, CLOCK

9016750018

Крепеж

9046108852

Крепеж

9354055016

Крепеж

Код

Описание

3304

переход к группе запчастей

3305

переход к группе запчастей

83100B

BULB, COMBINATION METER, NO.1

83100B

BULB, COMBINATION METER, NO.1

83100G

GLASS, COMBINATION METER

83101

SOCKET SUB-ASSY, COMBINATION METER BULB

83101

SOCKET SUB-ASSY, COMBINATION METER BULB

83102

PLATE SUB-ASSY, COMBINATION METER CIRCUIT, NO.1

83110

SPEEDOMETER ASSY

83128

KNOB, TRIP COUNTER

83132

CASE, COMBINATION METER

83134

COVER, COMBINATION METER, NO.1

83145

LENS, METER, NO.1

83145A

LENS, METER, NO.2

83145B

LENS, METER, NO.3

83310

GAGE ASSY, FUEL RECEIVER

83410

GAGE ASSY, WATER TEMPERATURE RECEIVER

83710

CABLE ASSY, SPEEDOMETER DRIVE, NO.1

83910

CLOCK ASSY

83910B

BULB, CLOCK INDICATOR

9016450051

Крепеж

9016750018

Крепеж

9018305094

Крепеж

9018305103

Крепеж

9046108852

Крепеж

9354055012

Крепеж

> Запчасти CROWN > Поиск по каталогу

Купить

Ваше имя
Ваш телефон
Ваша электронная почта
Оставляя свои данные в форме, вы подтверждаете свое согласие с Политикой конфиденциальности